电脑桌面
添加小米粒文库到电脑桌面
安装后可以在桌面快捷访问

专用工艺卡编制内容说明

专用工艺卡编制内容说明_第1页
1/27
专用工艺卡编制内容说明_第2页
2/27
专用工艺卡编制内容说明_第3页
3/27
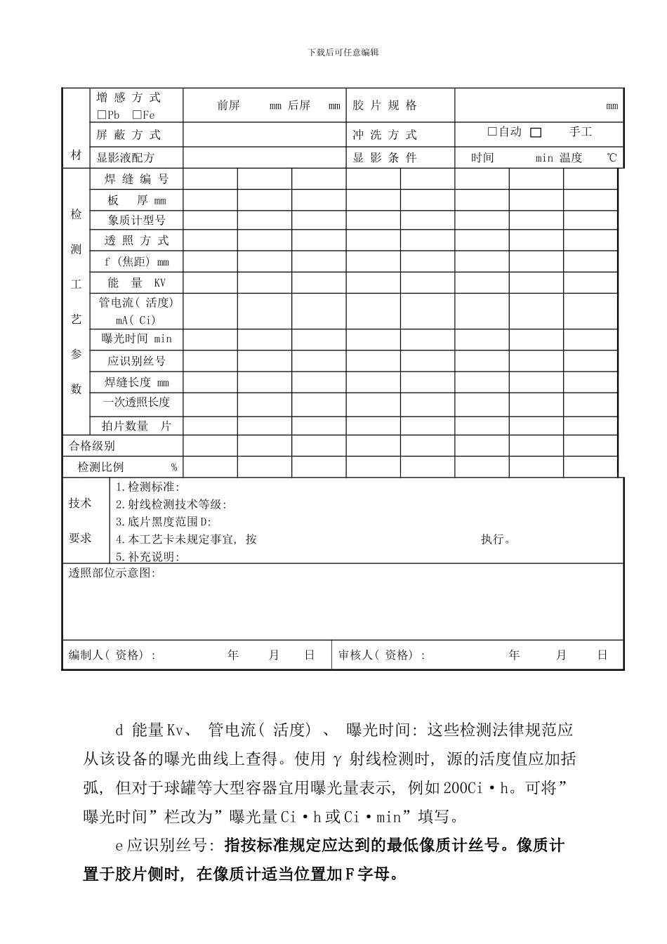
下载后可任意编辑 专用工艺卡编制内容说明( 1) 焊缝射线检测工艺卡表样为了法律规范和统一锅炉压力容器制造的归档文件和质量证明文件, 提高锅炉压力容器制造企业的质量管理和技术水平, 确保锅炉压力容器的产品质量, 技术监督局特种设备安全监察处组织有关人员, 根据《压力容器安全技术监察规程》的要求, 编制了锅炉压力容器质量控制表样并推举使用, 其中焊缝射线检测工艺卡表样见下表 B5-11。( 2) .焊缝射线检测工艺卡填写说明( 1) 编制份数本卡一式两份, 一份保留在探伤室, 另一份交探伤室供检测人员使用。其中之一应存于检测资料和底片的档案中(质保管理制度建立发放记录)。( 2) 工艺填写 编号一般按企业管理要求编号, 可根据各单位管理的需要来填写。 工件部分a 材料编号: 指产品材料编号, 如产品使用两种材料, 应分别填写。b 规格: 指的是壳体规格( 容器类) , 表示方法为直径×长度×壁厚。其中: 直径对于卷制的筒体为内径, 对于无缝钢管作筒体指外径; 长度指壳体长度; 壁厚指壳体厚度。也可按图样规格栏的尺寸填写。 探伤器材部分a 屏蔽方式: 最常见的屏蔽方式有”背衬薄铅板”和”铅遮板”等, 按选用的方法填写。b 显影液配方、 显影时间、 显影温度: 显影液配方指准备采纳下载后可任意编辑的显影液配方、 可用代号表示。如胶片厂提供, 可填写”按胶片厂配方”。显影时间、 显影温度指准备采纳的数值。一般手工冲洗显影时间为 4~8min, 显影温度为 18~21℃; 自动冲洗按说明书填写。 探伤检测工艺参数a 焊缝编号: 指的是被检焊缝的编号, 填写时, 一般检测工艺参数相同( 焊缝长度和拍片数量可不同) 的同类焊缝的编号填写。例: ”B1~B7”, 即代表 7 条环焊缝。b 像质计型号: 对钢制焊缝可供选用的像质计编号为 Fe-10/16、 Fe-6/12 和 Fe1/7 三种。对外径≤100mm 的管子焊缝宜使用等丝专用像质计, 如 Fe-12、 Fe-13……c 透照方式: 一般对于纵缝可填写单壁透照, 对于环焊缝可填写为单壁外透照、 中心透照、 偏心内透照( F>R 或 F

1、当您付费下载文档后,您只拥有了使用权限,并不意味着购买了版权,文档只能用于自身使用,不得用于其他商业用途(如 [转卖]进行直接盈利或[编辑后售卖]进行间接盈利)。
2、本站所有内容均由合作方或网友上传,本站不对文档的完整性、权威性及其观点立场正确性做任何保证或承诺!文档内容仅供研究参考,付费前请自行鉴别。
3、如文档内容存在违规,或者侵犯商业秘密、侵犯著作权等,请点击“违规举报”。

碎片内容

专用工艺卡编制内容说明

确认删除?
微信客服
  • 扫码咨询
会员Q群
  • 会员专属群点击这里加入QQ群