电脑桌面
添加小米粒文库到电脑桌面
安装后可以在桌面快捷访问

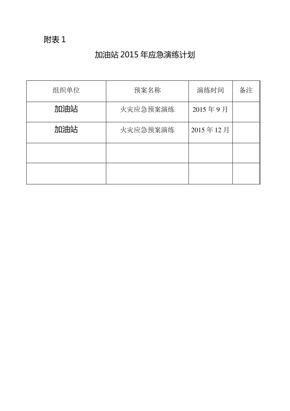
加油站应急预案演练计划方案

加油站应急预案演练计划方案_第1页
1/13
加油站应急预案演练计划方案_第2页
2/13
加油站应急预案演练计划方案_第3页
3/13
2015 年应急救援预案演练计划 一、总则 根 据 相 关 法 律 法 规 的 要 求 , 为 适 应 突 发 事 故 应 急 救 援 的需 要 , 通 过 演 练 , 进 一 步 加 强 我 单 位 应 急 指 挥 部 各 成 员 单 位之 间 的 协 同 配 合 , 提 高 应 对 突 发 事 故 的 组 织 指 挥 、快速响应及处置能力, 营造安全稳定的 氛围, 制定 2015 年应 急 救 援预案演 练 计划。 二、应急演练目的 1、检验预案。通 过 开展应 急 演 练 , 查找应 急 预案中存在的 问题, 进 而完善应 急 预案, 提 高 应 急 预案的 可用性和可操作性。 2、完善准备。通 过 开展应 急 演 练 , 检查应 对 突 发 事 件所需 应 急 队伍、物资、装备、技术等方面的 准备情况, 发 现不足及时予以调整补充, 做好应 急 准备工作。 3、锻炼队伍。通 过 开展应 急 演 练 , 增强 演 练 组 织 单 位 、参与 单 位 和人 员 对 应 急 预案的 熟 悉 程 序 , 提 高 其 应 急 处置能力。 4、磨 合 机 制。通 过 开展应 急 演 练 , 进 一 步 明 确 相 关 单位 和人 员 的 职 责 任 务 , 完善应 急 机 制。 5、科 普 宣 传 。通 过 开展应 急 演 练 , 普 及应 急 知 识 , 提高 职 工风 险 防 范 意 识 和应 对 突 发 事 故 时自 救 互 救 的 能力。 三、应急演练要求 1、结 合 实 际 , 合 理 定位 。紧 密 结 合 应 急 管 理 工作实 际 ,明 确 演 练 目 的 , 根 据 资源 条 件确 定演 练 方式 和规 模 。 2、着眼实战,讲求实效。以提高应急指挥人员的指挥协调能力、应急队伍的实战能力为着重点,重视对演练效果及组织工作的评估,总结推广好经验,及时整改存在的问题。 3、精心组织,确保安全。围绕演练目的,精心策划演练内容,周密组织演练活动,严格遵守相关安全措施,确保演练参与人员及演练装备设施的安全。 4、各单位要制定出应急演练方案交安全科审核,演练方案应包括演练单位、时间、地点、演练步骤等。 5、预案演练完成后应对此次演练内容进行评估,填写应急预案评审记录表和安全生产应急预案演练登记表后交安全科备案。 6、每年对应急预案本身进行一次评审。 加油站 2015 年 9 月 1 日...

1、当您付费下载文档后,您只拥有了使用权限,并不意味着购买了版权,文档只能用于自身使用,不得用于其他商业用途(如 [转卖]进行直接盈利或[编辑后售卖]进行间接盈利)。
2、本站所有内容均由合作方或网友上传,本站不对文档的完整性、权威性及其观点立场正确性做任何保证或承诺!文档内容仅供研究参考,付费前请自行鉴别。
3、如文档内容存在违规,或者侵犯商业秘密、侵犯著作权等,请点击“违规举报”。

碎片内容

加油站应急预案演练计划方案

您可能关注的文档

确认删除?
VIP
微信客服
  • 扫码咨询
会员Q群
  • 会员专属群点击这里加入QQ群
客服邮箱
回到顶部