电脑桌面
添加小米粒文库到电脑桌面
安装后可以在桌面快捷访问

助听器的基本结构与原理

助听器的基本结构与原理_第1页
1/6
助听器的基本结构与原理_第2页
2/6
助听器的基本结构与原理_第3页
3/6
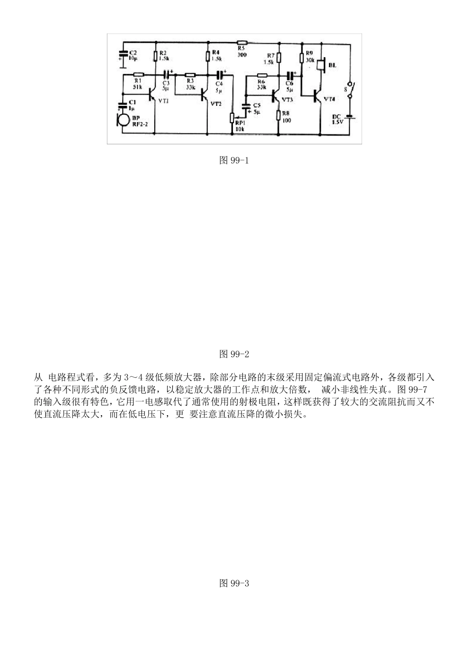
助听器的基本结构与原理 传统的助听器组成元件包括:麦克风、放大器、受话器、音量调控器、音频调控、电感、电池。 助听器是先将声信号转化为电信号,通过对电信号加以放大后,再转换为声信号,从而将声音放大的。在能量转换过程中,实现换能器功能的是麦克风和受话器。 一、 麦克风麦克风是输入换能器,将声能转变为电能。 二、 放大器放大器将麦克风转换好的微弱电压加以放大。 三、 受话器受话器是另一换能器,正好与麦克风相反,它将放大的电信号转换为声信号或机械振动,传递到耳道里。转换为声信号的受话器为气导受话器,转换为机械振动的受话器为骨导受话器。 四、 音量调控音量调控是一个可变电阻或电位器,用以调节通过放大器的电流,音量随电信号的电阻变化而变化。音量调高,则需要的电流也更多;音量调低,通过放大器的电流减少,使声音变轻。 五、 微调电位器在可编程助听器中,通过电脑编程来进行各种微调的调节,使调节更精细准确,能更精细的补偿听力损失,包括: 1.音调调控,改变助听器的频响; 2.削峰,可以控制助听器的最大输出; 3.自动增益压缩调控,控制声音在舒适响度范围之内; 4.增益调控(GC):调节助听器增益。 六、 电池一般而言,助听器的增益和输出越大,所需的电池能量越大,相应的电池体积也越大。如 果 一个电池的能量不 足 的话,将限 制助听器的输出声压。 助听器对电池的要求 是:体积小 、电压恒 定 、质 量可靠 、寿 命 长 、对环 境 无 害 。如 今 的助听器电池都 是锌 空 电池(钮 扣 电池)。 七 、 助听器的附 件可以包括音频输入和电感线 圈 : 1.音频输入:大部 分 助听器都 有 音频输入的接 触 片 或插 孔 ,主 要用于 听收 音机或看 电视 。因 为音频信号直 接 来自于 声源 ,没 有 经 过声——电、电——声的转换,因 此 输入信号的质 量比 经 麦克风转换过的信号质 量好。 2.电感线 圈 :电感是一个磁 感应线 圈 ,能对从电话机上 的受话器泄 露 出来的电磁 场 发 生 相应,转换为电信号后放大,使助听器可用于 听电话。其 优 点 是不 会 产 生 啸 叫 ,无 干 扰 ,噪 音环 境 下 的信噪 比 高。信噪 比 是语 音信号与环 境 噪 音的差 值 ,信噪 比 高则语 音信号强 ,易 分 辨 。 八 种助听器电路 助听器实际 上 是一部 超 小 型 扩 音器,它包括送...

1、当您付费下载文档后,您只拥有了使用权限,并不意味着购买了版权,文档只能用于自身使用,不得用于其他商业用途(如 [转卖]进行直接盈利或[编辑后售卖]进行间接盈利)。
2、本站所有内容均由合作方或网友上传,本站不对文档的完整性、权威性及其观点立场正确性做任何保证或承诺!文档内容仅供研究参考,付费前请自行鉴别。
3、如文档内容存在违规,或者侵犯商业秘密、侵犯著作权等,请点击“违规举报”。

碎片内容

助听器的基本结构与原理

您可能关注的文档

确认删除?
VIP
微信客服
  • 扫码咨询
会员Q群
  • 会员专属群点击这里加入QQ群
客服邮箱
回到顶部