电脑桌面
添加小米粒文库到电脑桌面
安装后可以在桌面快捷访问

热电厂设备维护规程资料

热电厂设备维护规程资料_第1页
1/11
热电厂设备维护规程资料_第2页
2/11
热电厂设备维护规程资料_第3页
3/11
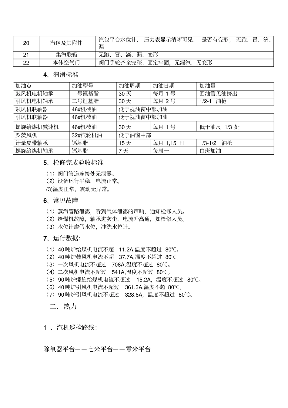
热电厂设备维护规程一、锅炉1、锅炉运行巡检路线图锅炉顶部——省煤器——本体疏水、紧急放水——给煤机——落渣平台、风量调节挡板——送风机、罗茨风机——引风机2、巡检频率: 1 小时一次3、锅炉巡检内容及标(1)40 吨锅炉巡检内容序号巡检内容巡检标准1 流化床风量调节挡板执行机构连接牢固,挡板位置正确、不松动,标记位置有无改变2 落渣平台落渣畅通无堵塞3 冷渣器各轴承齿轮无缺油、冷却水装置良好,冷却水畅通4 送风机无异常和摩擦声、油位在1/2 ~2/3 处,无漏油;轴承温度正常、振动平稳正常、电机温度正常,冷却水正常;地脚螺丝齐全牢固,风机调节挡板无异常响动5 引风机无异常和摩擦声、油位在1/2 ~2/3 处,无漏油;轴承温度正常、振动平稳正常、电机温度正常,冷却水正常;地脚螺丝齐全牢固,风机调节挡板无异常响动6 给水平台电动执行机构连接牢固,无跑、冒、滴、漏现象7 给煤机各地脚螺丝齐全牢固、电机温度正常、振动平稳正常、链条传动正常无损坏、减速机运转正常,无漏油现象8 本体疏放水阀门手轮齐全完整、固定牢固,无跑、冒、滴、漏现象,保温齐全良好9 定排放水阀门手轮齐全完整、固定牢固,无跑、冒、滴、漏现象,保温齐全良好10 事故放水阀门手轮齐全完整、固定牢固,无跑、冒、滴、漏现象,保温齐全良好11 混合联箱省煤器下联箱混合联箱处各阀门无跑、冒、滴、漏,省煤器再循环门开关位置正确12 汽包及其附件汽包平台水位计、压力表显示清晰可见、无变形;无跑、冒、滴、漏13 本体空气门阀门手轮齐全完整、固定牢固,无漏汽、无变形14 过热器联箱减温器及其附件无跑、冒、滴、漏、变形;联箱上温度计、压力表有无损坏;15 主蒸汽母管主蒸汽母管各电动阀、疏水阀门无损坏、跑、冒、滴、漏、保温齐全(2)90 吨锅炉巡内容及标准:序号巡检内容巡检标准1 给水平台阀门手轮齐全完整、固定牢固,电动执行机构连接牢固,无跑、冒、滴、漏现象,保温齐全良好2 第二道主汽门第二道主汽门有无跑、冒、滴、漏、变形3 本体疏水阀门手轮齐全完整、固定牢固,无跑、冒、滴、漏现象,保温齐全良好4 一次风机二次风机无异常和摩擦声、油镜及油位线清楚、油位在1/2 ~2/3 处,无漏油;轴承温度正常;振动平稳正常;电机温度正常冷却水阀门无跑、冒、滴、漏现象、冷却水畅通;地脚螺栓齐全牢固;散热风扇运转正常。5 罗茨风机无异常和摩擦声、油镜及油位线清楚、油位在1/2 ~2/3 处,无漏油,电机温...

1、当您付费下载文档后,您只拥有了使用权限,并不意味着购买了版权,文档只能用于自身使用,不得用于其他商业用途(如 [转卖]进行直接盈利或[编辑后售卖]进行间接盈利)。
2、本站所有内容均由合作方或网友上传,本站不对文档的完整性、权威性及其观点立场正确性做任何保证或承诺!文档内容仅供研究参考,付费前请自行鉴别。
3、如文档内容存在违规,或者侵犯商业秘密、侵犯著作权等,请点击“违规举报”。

碎片内容

热电厂设备维护规程资料

您可能关注的文档

确认删除?
VIP
微信客服
  • 扫码咨询
会员Q群
  • 会员专属群点击这里加入QQ群
客服邮箱
回到顶部