电脑桌面
添加小米粒文库到电脑桌面
安装后可以在桌面快捷访问

焊缝金属中扩散氢测定

焊缝金属中扩散氢测定_第1页
1/5
焊缝金属中扩散氢测定_第2页
2/5
焊缝金属中扩散氢测定_第3页
3/5
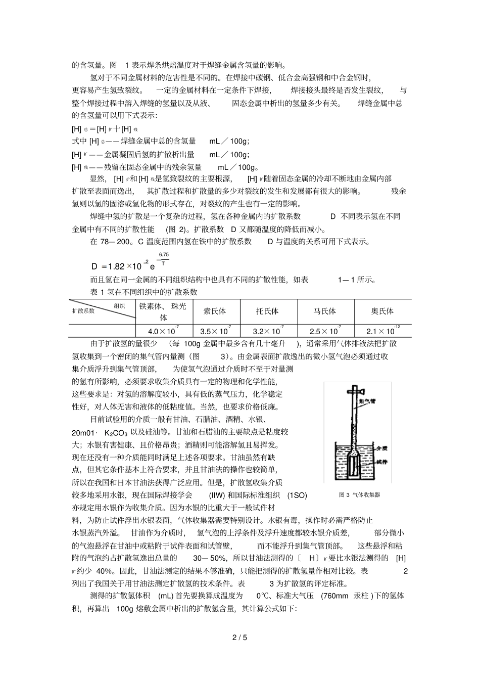
1 / 5 焊缝金属中扩散氢的测定一、实验目的(一)了解手工电弧焊时影响焊缝中扩散氢含量的因素;(二)掌握甘油法测定扩散氢含量的方法。二、实验装置及实验材料(一)测氢仪 1 台(二)集气管 12 个(三)交流电焊机1 台(四)直流电焊机 (或整流器 )1 台(五)试件夹具 1 个(六)烘箱 (0~450℃)1 台(七)吹风机、钳子、榔头、钢丝刷、瓷盘、绒布、丙酮、乙醚、酒精等(八)试件低碳钢板20×70×10mm35 块20×40×10mm70 块(九)焊条 φ 4mm 结 422 焊条 25 根φ 4mm 结 507 焊条 15 根三、实验原理氢对焊接接头机械性能的影响极大。氢不仅能在焊缝中生成气孔,而且是产生冷裂纹的主要原因之一。 氢致裂纹常带有延迟性,往往使焊件在工作一段时间以后开裂,因而其危险性更大。 氢也引起金属的微裂和发裂等。虽然这些微观缺陷不致于直接导致焊件的破坏,但却能明显地降低金属的强度、屈服极限、冲击韧性、延伸率、断面收缩率,尤其对疲劳强度有较大的影响。氢主要来自水和有机物。水可能以水汽的形式吸附在焊丝和工件的表面或混杂在保护气体内,也可以其它多种形式包含在金属表面的氧化膜、铁锈和焊接材料中。有机物可能是焊条药皮中的木屑、 纤维素或淀粉等造气剂,也可能是沾染在工件或焊丝表面的油污。水和有机物在焊接高温下分解出氢,氢再以原子或质子的形式进入熔池,使焊缝金属或多或少地含有氢。因此,焊缝金属的含氢量受到许多因素的影响。如大气温度与湿度,保护气体的含水量,焊丝及工件的清理质量,焊接材料的型号、烘焙温度、保温时间和存放条件,所用的焊接方法、工艺参数、焊接电流的种类和极性、以及焊件的焊后热处理情况等,都能影响焊缝金属图 2 氢在不同金属中的扩散系数D与温度的关系图 1 焊条烘干温度对焊缝含氢量H0 的影响( 低氢型低合金钢焊条,烘干时间均为两小时) 2 / 5 的含氢量。图1 表示焊条烘焙温度对于焊缝金属含氢量的影响。氢对于不同金属材料的危害性是不同的。在焊接中碳钢、低合金高强钢和中合金钢时,更容易产生氢致裂纹。一定的金属材料在一定条件下焊接,焊接接头最终是否发生裂纹,与整个焊接过程中溶入焊缝的氢量以及从液、固态金属中析出的氢量多少有关。焊缝金属中总的含氢量可以用下式表示:[H] 总=[H] 扩十[H] 残式中 [H] 总——焊缝金属中总的含氢量mL/ 100g;[H] 扩——金属凝固后氢的扩散析出量mL/ 100g;[H] 残——残留在固态金属中的残余氢量mL/100g。显...

1、当您付费下载文档后,您只拥有了使用权限,并不意味着购买了版权,文档只能用于自身使用,不得用于其他商业用途(如 [转卖]进行直接盈利或[编辑后售卖]进行间接盈利)。
2、本站所有内容均由合作方或网友上传,本站不对文档的完整性、权威性及其观点立场正确性做任何保证或承诺!文档内容仅供研究参考,付费前请自行鉴别。
3、如文档内容存在违规,或者侵犯商业秘密、侵犯著作权等,请点击“违规举报”。

碎片内容

焊缝金属中扩散氢测定

文库当当响+ 关注
实名认证
内容提供者

该用户很懒,什么也没介绍

相关文档

确认删除?
VIP
微信客服
  • 扫码咨询
会员Q群
  • 会员专属群点击这里加入QQ群
客服邮箱
回到顶部