电脑桌面
添加小米粒文库到电脑桌面
安装后可以在桌面快捷访问

煤矿建设项目

煤矿建设项目_第1页
1/25
煤矿建设项目_第2页
2/25
煤矿建设项目_第3页
3/25
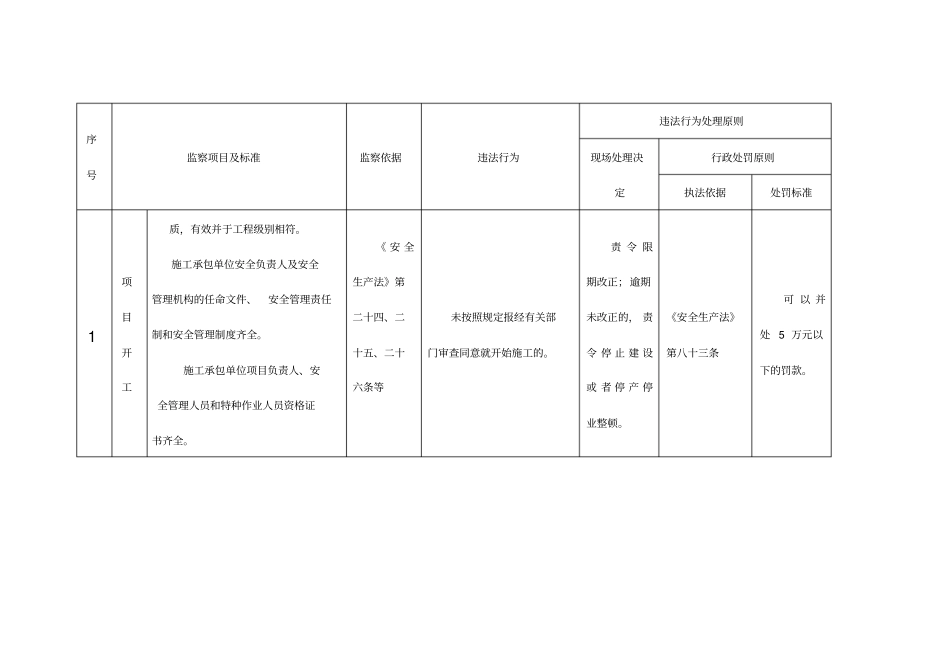
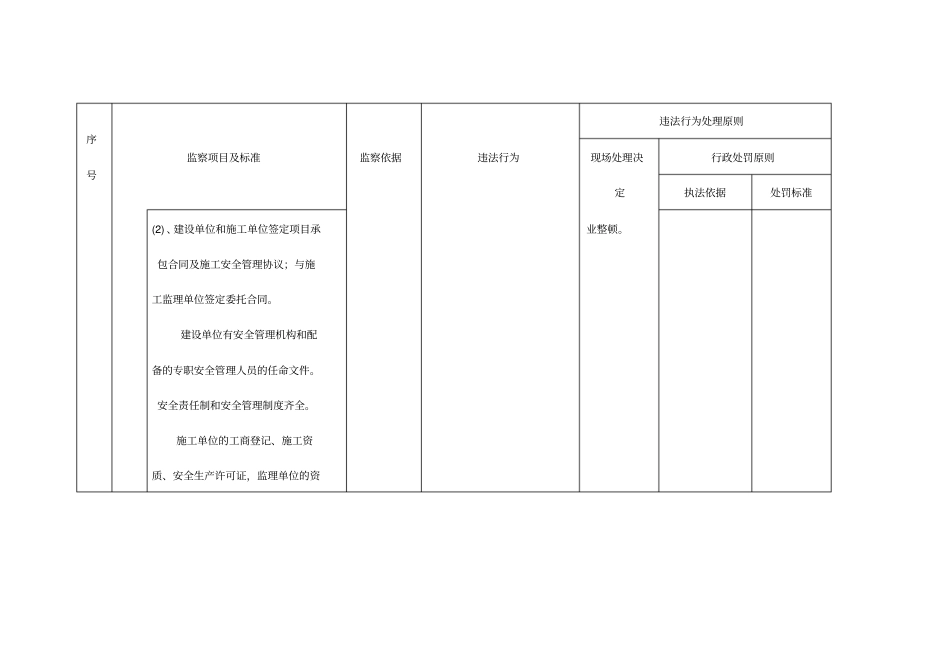
煤矿建设项目序号监察项目及标准监察依据违法行为违法行为处理原则现场处理决定行政处罚原则执法依据处罚标准1 项目开工(1)、新建、扩建项目,具有国土资源部门颁发的采矿许可证或矿区范围批复;具有安全设施审查设计批复。《 安 全生产法》第二十四、二十五、二十六条等未按照规定报经有关部门审查同意就开始施工的。责 令 限期改正;逾期未改正的, 责令 停 止 建 设或 者 停 产 停《安全生产法》第八十三条可 以 并处 5 万元以下的罚款。序号监察项目及标准监察依据违法行为违法行为处理原则现场处理决定行政处罚原则执法依据处罚标准(2) 、建设单位和施工单位签定项目承包合同及施工安全管理协议;与施工监理单位签定委托合同。建设单位有安全管理机构和配备的专职安全管理人员的任命文件。安全责任制和安全管理制度齐全。施工单位的工商登记、施工资质、安全生产许可证,监理单位的资业整顿。序号监察项目及标准监察依据违法行为违法行为处理原则现场处理决定行政处罚原则执法依据处罚标准1 项目开工质,有效并于工程级别相符。施工承包单位安全负责人及安全管理机构的任命文件、安全管理责任制和安全管理制度齐全。施工承包单位项目负责人、安全管理人员和特种作业人员资格证书齐全。《 安 全生产法》第二十四、二十五、二十六条等未按照规定报经有关部门审查同意就开始施工的。责 令 限期改正;逾期未改正的, 责令 停 止 建 设或 者 停 产 停业整顿。《安全生产法》第八十三条可 以 并处 5 万元以下的罚款。序号监察项目及标准监察依据违法行为违法行为处理原则现场处理决定行政处罚原则执法依据处罚标准(3)、矿山建设项目和用于生产、储存危险物品的建设项目,应当分别按照国家有关规定进行安全条件论证和安全评价。序号监察项目及标准监察依据违法行为违法行为处理原则现场处理决定行政处罚原则执法依据处罚标准(4)、生产经营单位新建、改建、扩建工程项目的安全设施,必须与主体工程同时设计、同时施工、同时投入生产和使用。 安全设施投资应当纳入建设项目概算。建设项目安全设计人、设计单位应当对安全设施负责。矿山建设项目和用于生产、储存危险物品的建设项目的安全设施设序号监察项目及标准监察依据违法行为违法行为处理原则现场处理决定行政处罚原则执法依据处罚标准1 项目开工计应当按照国家有关规定报经有关部门审查, 审查部门及其负责审查的人员对审查结果负责。序号监察项目...

1、当您付费下载文档后,您只拥有了使用权限,并不意味着购买了版权,文档只能用于自身使用,不得用于其他商业用途(如 [转卖]进行直接盈利或[编辑后售卖]进行间接盈利)。
2、本站所有内容均由合作方或网友上传,本站不对文档的完整性、权威性及其观点立场正确性做任何保证或承诺!文档内容仅供研究参考,付费前请自行鉴别。
3、如文档内容存在违规,或者侵犯商业秘密、侵犯著作权等,请点击“违规举报”。

碎片内容

煤矿建设项目

确认删除?
VIP
微信客服
  • 扫码咨询
会员Q群
  • 会员专属群点击这里加入QQ群
客服邮箱
回到顶部