电脑桌面
添加小米粒文库到电脑桌面
安装后可以在桌面快捷访问

照明绝缘电阻测试记录

照明绝缘电阻测试记录_第1页
1/2
照明绝缘电阻测试记录_第2页
2/2
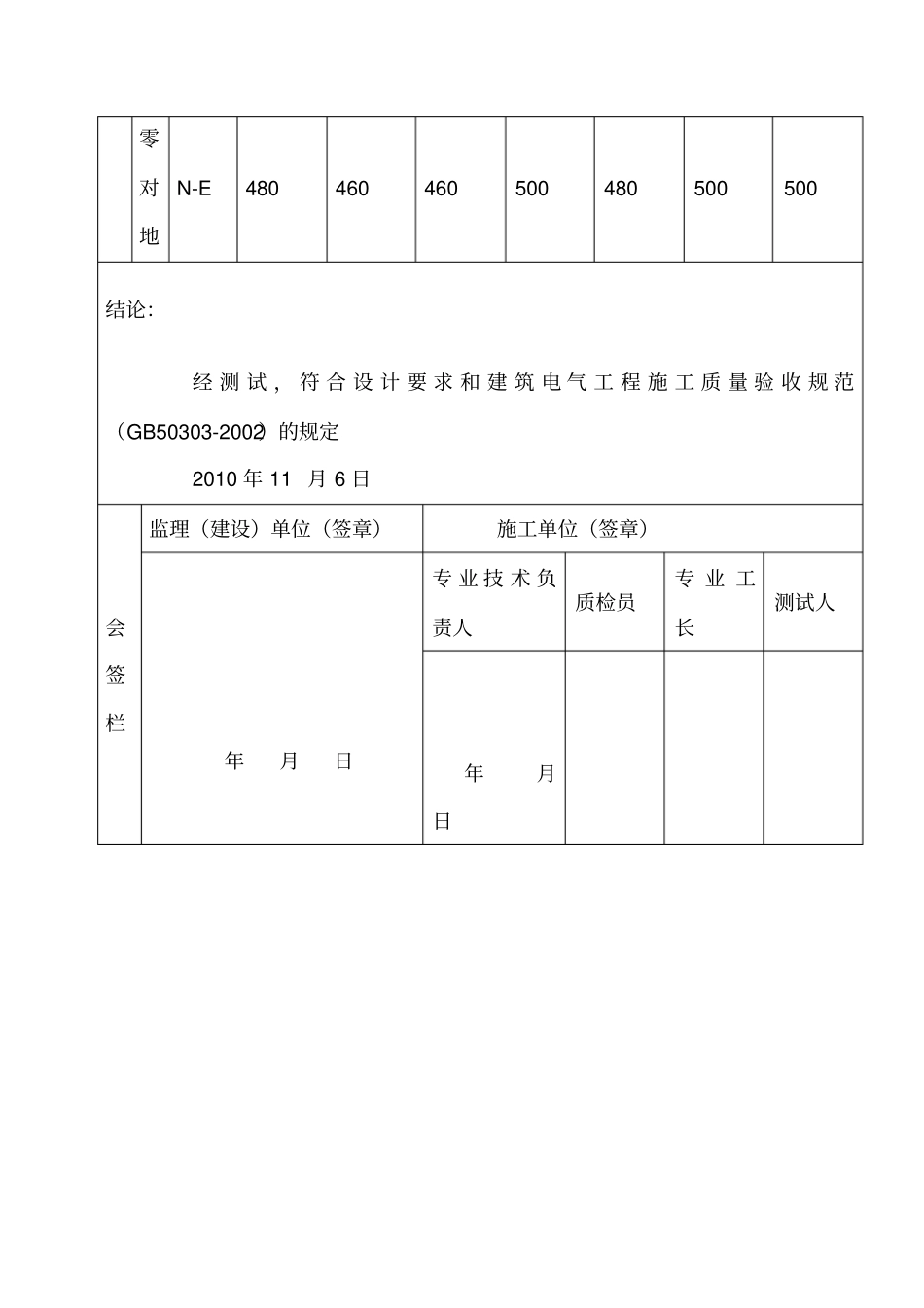
电气绝缘电阻测试记录编号:工程名称分部(分项)工程电气照明线路绝缘电阻测试单位名称仪表型号ZC-25-4 型工作电压220V计量单位500 兆欧测试时间2010 年 11 月 2 日气象、气温晴天层段、设备线路、名称1 层 照明 线 路绝缘2 层 照明 线 路绝缘3 层 照明 线 路绝缘4 层 照明 线 路绝缘5 层 照明 线 路绝缘6 层 照明 线 路绝缘7 层 照明 线 路绝缘绝缘电阻MΩ相间A-BB-CC-A相对零A-N480480460B-N490480C-N460500相对地A-E500500500B-E480500C-E460490零对地N-E480460460500480500500结论:经 测 试 , 符 合 设 计 要 求 和 建 筑 电 气 工 程 施 工 质 量 验 收 规 范(GB50303-2002)的规定2010 年 11 月 6 日会签栏监理(建设)单位(签章)施工单位(签章)年月日专 业 技 术 负责人质检员专 业 工长测试人年月日

1、当您付费下载文档后,您只拥有了使用权限,并不意味着购买了版权,文档只能用于自身使用,不得用于其他商业用途(如 [转卖]进行直接盈利或[编辑后售卖]进行间接盈利)。
2、本站所有内容均由合作方或网友上传,本站不对文档的完整性、权威性及其观点立场正确性做任何保证或承诺!文档内容仅供研究参考,付费前请自行鉴别。
3、如文档内容存在违规,或者侵犯商业秘密、侵犯著作权等,请点击“违规举报”。

碎片内容

照明绝缘电阻测试记录

文库当当响+ 关注
实名认证
内容提供者

该用户很懒,什么也没介绍

确认删除?
VIP
微信客服
  • 扫码咨询
会员Q群
  • 会员专属群点击这里加入QQ群
客服邮箱
回到顶部