电脑桌面
添加小米粒文库到电脑桌面
安装后可以在桌面快捷访问

园林绿化喷灌资料

园林绿化喷灌资料_第1页
1/9
园林绿化喷灌资料_第2页
2/9
园林绿化喷灌资料_第3页
3/9
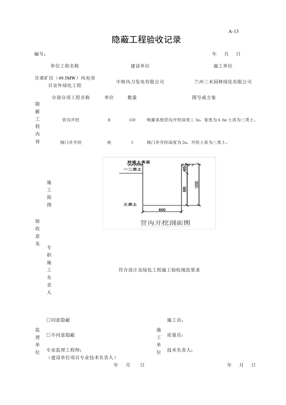
A4 绿地管沟、阀门井开挖 报验申请表 工程名称: 甘肃矿区(49.5MW )风电项目室外绿化工程 编号: 致: 北京华联电力工程监理公司甘肃矿区(49.5MW )实验风电场110KV 升压站 (监理单位) 我单位已完成了 管沟、阀门井开挖 工作,现报上该工程 报验申请,请予以审查和验收。 附件: 1、隐蔽验收记录表 承包单位(章) 项目经理 日 期 年 月 日 审查意见: □ 同意验收 □ 请按监理意见整改后重新报验 项目监理机构 总/专业监理工程师 日 期 年 月 日 A-13 隐蔽工程验收记录 编号: 年 月 日 单位工程名称 建设单位 施工单位 甘肃矿区(49.5MW)风电项目室外绿化工程 中核风力发电有限公司 兰州三木园林绿化有限公司 隐蔽工程内容 分部分项工程名称 单位 数量 图号或方案 管沟开挖 阀门井开挖 M 座 430 3 喷灌系统管沟开挖深度1.3m,宽度为0.6m 土质为三类土。 阀门井开挖深度为2m,开挖土质为三类土。 验收意见 施工简图 专职施工负责人 符合设计及绿化工程施工验收规范要求 监理单位 □同意隐蔽 □不同意隐蔽 专业监理工程师: (建设单位项目专业技术负责人) 年 月 日 施工单位 施工员: 质量员: 技术负责人: 年 月 日 A4 绿地检查井砌筑 报验申请表 工程名称: 甘肃矿区(49.5MW )风电项目室外绿化工程 编号: 致: 北京华联电力工程监理公司甘肃矿区(49.5MW )实验风电场110KV 升压站 (监理单位) 我单位已完成了 检查井砌筑 工作,现报上该工程 报验申请,请予以审查和验收。 附件: 1、隐蔽验收记录表 承包单位(章) 项目经理 日 期 年 月 日 审查意见: □ 同意验收 □ 请按监理意见整改后重新报验 项目监理机构 总/专业监理工程师 日 期 年 月 日 A-13 隐蔽工程验收记录 编号: 年 月 日 单位工程名称 建设单位 施工单位 甘肃矿区(49.5MW)风电项目室外绿化工程 中核风力发电有限公司 兰州三木园林绿化有限公司 隐蔽工程内容 分部分项工程名称 单位 数量 图号或方案 检查井砌筑 个 3 严格按照施工图纸及相关规范、要求施工 验收意见 施工简图 专职施工负责人 符合设计及绿化工程施工验收规范要求 监理单位 □同意隐蔽 □不同意隐蔽 专业监理工程师: (建设单位项目专业技术负责人) 年 月 日 施工单位 施工员: 质量员: 技术负责人: 年 月 日 A4 绿地喷...

1、当您付费下载文档后,您只拥有了使用权限,并不意味着购买了版权,文档只能用于自身使用,不得用于其他商业用途(如 [转卖]进行直接盈利或[编辑后售卖]进行间接盈利)。
2、本站所有内容均由合作方或网友上传,本站不对文档的完整性、权威性及其观点立场正确性做任何保证或承诺!文档内容仅供研究参考,付费前请自行鉴别。
3、如文档内容存在违规,或者侵犯商业秘密、侵犯著作权等,请点击“违规举报”。

碎片内容

园林绿化喷灌资料

确认删除?
VIP
微信客服
  • 扫码咨询
会员Q群
  • 会员专属群点击这里加入QQ群
客服邮箱
回到顶部