电脑桌面
添加小米粒文库到电脑桌面
安装后可以在桌面快捷访问

物业管理接管验收手册暖通空调系统验收及表格VIP专享

物业管理接管验收手册暖通空调系统验收及表格_第1页
1/9
物业管理接管验收手册暖通空调系统验收及表格_第2页
2/9
物业管理接管验收手册暖通空调系统验收及表格_第3页
3/9
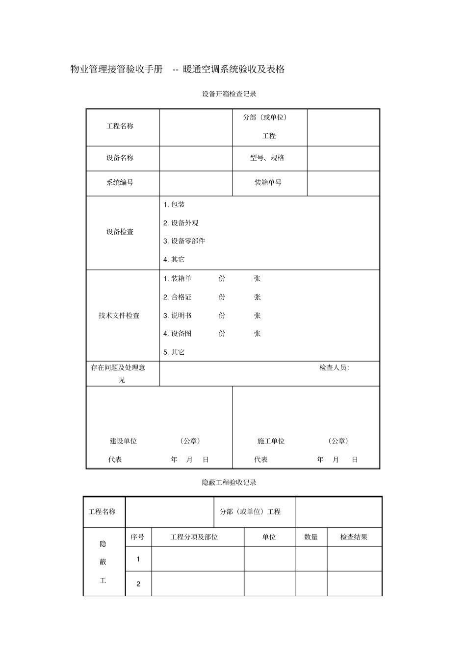
物业管理接管验收手册-- 暖通空调系统验收及表格设备开箱检查记录工程名称分部(或单位)工程设备名称型号、规格系统编号装箱单号设备检查1. 包装2. 设备外观3. 设备零部件4. 其它技术文件检查1. 装箱单份张2. 合格证份张3. 说明书份张4. 设备图份张5. 其它存在问题及处理意见检查人员:建设单位(公章)代表年月日施工单位(公章)代表年月日隐蔽工程验收记录工程名称分部(或单位)工程隐蔽工序号工程分项及部位单位数量检查结果1 2 程内容3 4 5 6 7 8 9 10 验收意见验收人员:建设单位(公章)代表年月日施工单位(公章)代表年月日风管漏风检测记录工程名称分布(或单位)工程分项工程系统名称风管级别试验压力( Pa)系统总面积(m2)试验总面积(m2)允许单位面积漏风量( m3/ m2 *h)实测单位面积漏风量(m3/ m2 *h)系统测定分段数试验日期检测区段图示分段实测数值序号分段面积(m2)试验压力( Pa)实际漏风量( m3/h)1 2 3 4 5 评定意见建设单位(公章)代表年月日施工单位(公章)代表年月日[Page] 现场组装除尘器、空调机漏风检测记录工程名称分布(或单位)工程分项工程检测日期设备名称型号规格额定风量( m3/h)允许漏风率(%)工作压力( Pa)测试压力( Pa)允许漏风量(m3/h)实际漏风量(m3/h)检测意见试验人员:建设单位(公章)代表年月日施工单位(公章)代表年月日冷冻水管道压力试验记录工程名称分布(或单位)工程试验部位试验时间管道编号试验介质工作压力(Mpa) 试验压力(Mpa) 持续时间(min) 压降(Mpa) 试验结果验收意见建设单位(公章)代表年月日施工单位(公章)代表年月日制冷系统气密性试验记录工程名称分布(或单位)工程试验部位试验时间管道编号气密性试验试验介质试验压力(Mpa) 定压时间 (h) 试验结果管道编号真空试验设计真空度(kPa) 试验真空度(kPa) 定压时间 (h) 试验结果管道编号充制冷剂试验充制冷剂压力(Mpa) 检漏仪表补漏位置实验结果验收意见建设单位(公章)代表年月日施工单位(公章)代表年月日设备单机试验记录工程名称分布(或单位)工程系统名称序号 系统编号设备名称设备转速(r/min) 功率(kw) 电流(A) 轴承升温( ℃) 额定值实测值铭牌实测额定值实测值实测值评定意见调试人员:建设单位(公章)代表年月日施工单位(公章)代表年月日采暖管道安装的允许偏差和检验方法项次项目允许偏差(mm) 检验方法1 横管道、纵横方向弯曲(mm)...

1、当您付费下载文档后,您只拥有了使用权限,并不意味着购买了版权,文档只能用于自身使用,不得用于其他商业用途(如 [转卖]进行直接盈利或[编辑后售卖]进行间接盈利)。
2、本站所有内容均由合作方或网友上传,本站不对文档的完整性、权威性及其观点立场正确性做任何保证或承诺!文档内容仅供研究参考,付费前请自行鉴别。
3、如文档内容存在违规,或者侵犯商业秘密、侵犯著作权等,请点击“违规举报”。

碎片内容

物业管理接管验收手册暖通空调系统验收及表格

确认删除?
VIP
微信客服
  • 扫码咨询
会员Q群
  • 会员专属群点击这里加入QQ群
客服邮箱
回到顶部