电脑桌面
添加小米粒文库到电脑桌面
安装后可以在桌面快捷访问

特殊特性控制程序

特殊特性控制程序_第1页
1/4
特殊特性控制程序_第2页
2/4
特殊特性控制程序_第3页
3/4
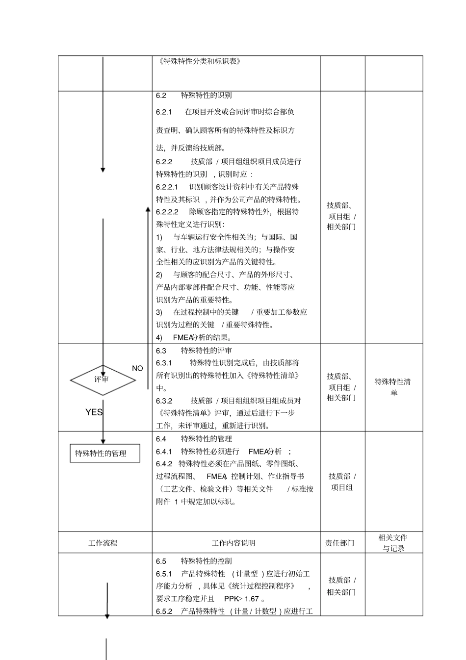
特殊特性控制程序1 目的采用适当的方法确定和控制产品和过程的特殊特性,以保证产品关重特性的质量。2 范围本程序适用于本公司的所有产品和过程特殊特性的控制。3 引用文件QP/SQ 4.1-2010 《文件和资料控制程序》QP/SQ 4.2-2010 《记录控制程序》QP/SQ 7.1-2010 《产品质量先期策划控制程序》4术语和定义4.1 特殊特性 : 特殊特性包括产品特性或过程参数,其影响到安全性或法律法规的符合性,影响到产品的配合和功能以及后续生产过程,或者是由顾客要求的,在验证活动中要求特别关注的特性。4.2 产品特性 : 指在图纸或其他的工程技术资料中所描述的零部件或总成的特点与性能。如,尺寸、材质、外观、性能等特性。4.3 过程特性 : 指与被识别产品特性具有因果关系的过程变量,亦称过程参数。5 职责5.1 技质部负责组织特殊特性的选定并在相关的文件中进行标明。5.2 相关部门参与特殊特性的选定并对自己所管辖范围内出现的特殊特性进行管理。6 工作流程和内容工作流程工作内容说明责任部门相关文件与记录6.1 特殊特性分类6.1.1 本公司特殊特性分类及标识见附件1 技质部特殊特性分类和标识表《特殊特性分类和标识表》6.2 特殊特性的识别6.2.1 在项目开发或合同评审时综合部负责查明、确认顾客所有的特殊特性及标识方法,并反馈给技质部。6.2.2 技质部 / 项目组组织项目成员进行特殊特性的识别, 识别时应 : 6.2.2.1 识别顾客设计资料中有关产品特殊特性及其标识 , 并作为公司产品的特殊特性。6.2.2.2 除顾客指定的特殊特性外,根据特殊特性定义进行识别:1)与车辆运行安全性相关的;与国际、国家、行业、地方法律法规相关的;与操作安全性相关的应识别为产品的关键特性。2)与顾客的配合尺寸、产品的外形尺寸、产品内部零部件配合尺寸、功能、性能等应识别为产品的重要特性。3)在过程控制中的关键/ 重要加工参数应识别为过程的关键/ 重要特殊特性。4)FMEA分析的结果。技质部、项目组 /相关部门NO YES 6.3 特殊特性的评审6.3.1 特殊特性识别完成后,由技质部将所有识别出的特殊特性加入《特殊特性清单》中。6.3.2 技质部 / 项目组组织项目组成员对《特殊特性清单》评审,通过后进行下一步工作,未评审通过,重新进行识别。技质部、项目组 /相关部门特殊特性清单6.4 特殊特性的管理6.4.1 特殊特性必须进行FMEA分析;6.4.2特殊特性必须在产品图纸、零件图纸、过程流程图、FMEA、控制计划、作业指导书(工艺...

1、当您付费下载文档后,您只拥有了使用权限,并不意味着购买了版权,文档只能用于自身使用,不得用于其他商业用途(如 [转卖]进行直接盈利或[编辑后售卖]进行间接盈利)。
2、本站所有内容均由合作方或网友上传,本站不对文档的完整性、权威性及其观点立场正确性做任何保证或承诺!文档内容仅供研究参考,付费前请自行鉴别。
3、如文档内容存在违规,或者侵犯商业秘密、侵犯著作权等,请点击“违规举报”。

碎片内容

特殊特性控制程序

文库当当响+ 关注
实名认证
内容提供者

该用户很懒,什么也没介绍

确认删除?
VIP
微信客服
  • 扫码咨询
会员Q群
  • 会员专属群点击这里加入QQ群
客服邮箱
回到顶部