电脑桌面
添加小米粒文库到电脑桌面
安装后可以在桌面快捷访问

塔吊施工方案专项方案

塔吊施工方案专项方案_第1页
1/38
塔吊施工方案专项方案_第2页
2/38
塔吊施工方案专项方案_第3页
3/38
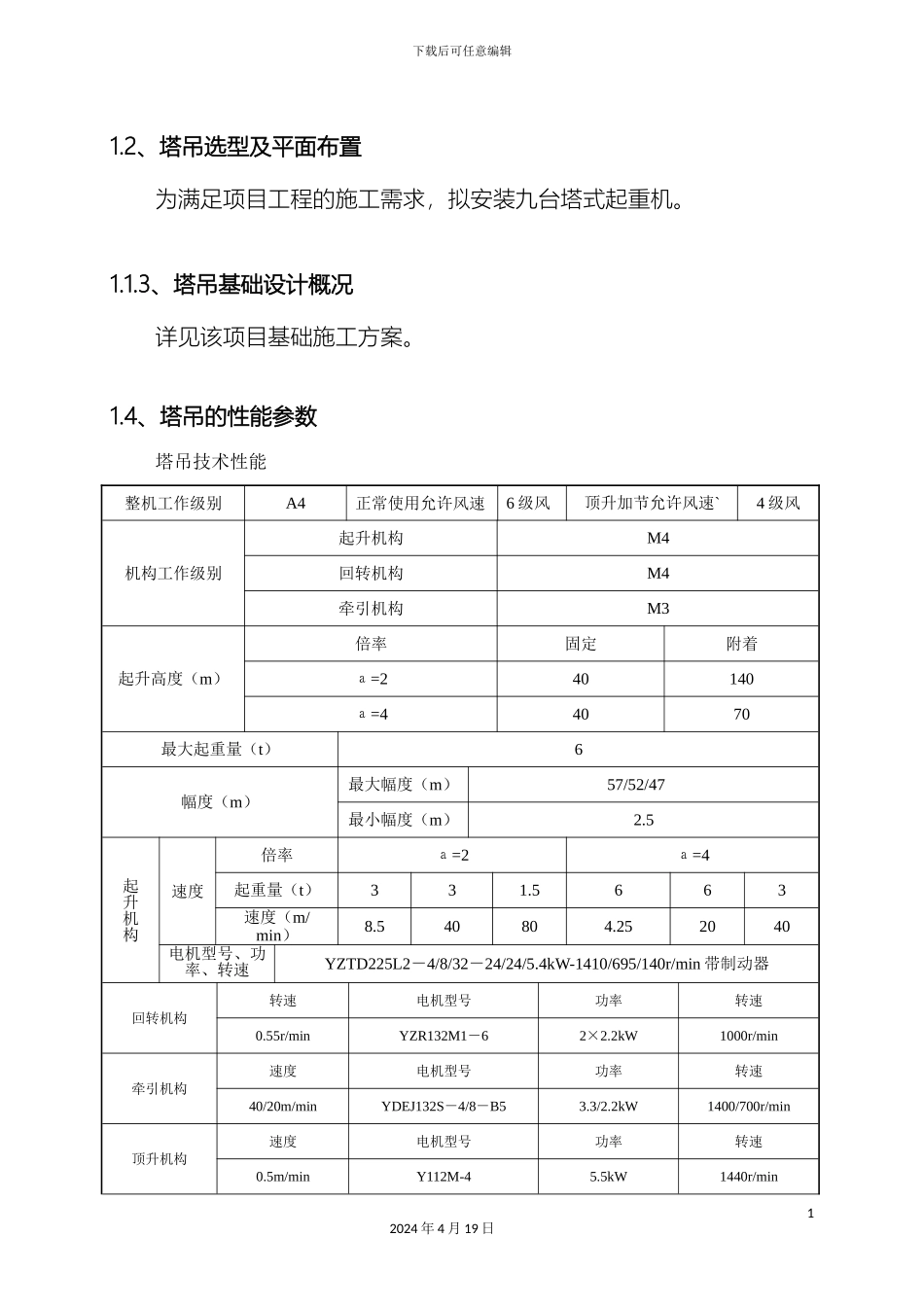
下载后可任意编辑塔吊施工方案专项方案12024 年 4 月 19 日下载后可任意编辑塔式起重机安装施工专项方案编制人: 蒋丕玮 审核人: 叶志忠 审批人: 刘大兵 南京致轩工程设备租赁有限公司 1 月 10 日1 、工程任务概况及编制说明1.1 工程概况项 目内 容工程名称工程地址施工单位监理单位设计单位周边环境总建筑面积(㎡)02024 年 4 月 19 日下载后可任意编辑1.2、塔吊选型及平面布置为满足项目工程的施工需求,拟安装九台塔式起重机。1.1.3、塔吊基础设计概况 详见该项目基础施工方案。1.4、塔吊的性能参数塔吊技术性能整机工作级别A4正常使用允许风速6 级风顶升加节允许风速`4 级风机构工作级别起升机构M4回转机构M4牵引机构M3起升高度(m)倍率固定附着а=240140а=44070最大起重量(t)6幅度(m)最大幅度(m)57/52/47最小幅度(m)2.5起升机构速度倍率а=2а=4起重量(t)331.5663速度(m/min)8.540804.252040电机型号、功率、转速YZTD225L2-4/8/32-24/24/5.4kW-1410/695/140r/min 带制动器回转机构转速电机型号功率转速0.55r/minYZR132M1-62×2.2kW1000r/min牵引机构速度电机型号功率转速40/20m/minYDEJ132S-4/8-B53.3/2.2kW1400/700r/min顶升机构速度电机型号功率转速0.5m/minY112M-45.5kW1440r/min12024 年 4 月 19 日下载后可任意编辑额定压力20~25Mpa平衡重臂长(m)575247重量(t)13.512.4510.68总功率31.7kW工作温度-20℃~40℃整机重量固定式附着式32.665(3)塔身标准节塔身截面为 1.65m×1.65m,由基础节、加强标准节和标准节组成。基础节高度为 4.16m,主弦杆采纳 135×135×12 方管,各主弦杆端部均焊有三只连接套。加强标准节高度为 2.8m,主弦杆采纳 135×135×12 方管,各主弦杆端部均焊有三只连接套。标准节高度为 2.8m,主弦杆采纳 135×135×10,各主弦杆端部均焊有二只连接套。2、编制依据1)方案编制参考徐州建机工程机械有限公司《QTZ63 塔式起重机安装使用说明书》及本项目工程有关施工图纸资料等。2)相关国家、行业及地方标准法律规范《起重机设计法律规范》(GB 3811- )《塔式起重机设计法律规范》(GB/T 13752-1992)《钢结构设计法律规范》(GB 50017- )22024 年 4 月 19 日下载后可任意编辑《塔式起重机安全规程》GB5144- )《起重机用钢丝绳检验和报废有用法律规范》GB/T 5972- 《混凝土结构设计法律规范》(GB50010- )《建筑地基基础设计...

1、当您付费下载文档后,您只拥有了使用权限,并不意味着购买了版权,文档只能用于自身使用,不得用于其他商业用途(如 [转卖]进行直接盈利或[编辑后售卖]进行间接盈利)。
2、本站所有内容均由合作方或网友上传,本站不对文档的完整性、权威性及其观点立场正确性做任何保证或承诺!文档内容仅供研究参考,付费前请自行鉴别。
3、如文档内容存在违规,或者侵犯商业秘密、侵犯著作权等,请点击“违规举报”。

碎片内容

塔吊施工方案专项方案

领读文化+ 关注
实名认证
内容提供者

传播文化,铸就未来

确认删除?
VIP
微信客服
  • 扫码咨询
会员Q群
  • 会员专属群点击这里加入QQ群
客服邮箱
回到顶部