电脑桌面
添加小米粒文库到电脑桌面
安装后可以在桌面快捷访问

子分部工程与分项工程相关表模板

子分部工程与分项工程相关表模板_第1页
1/12
子分部工程与分项工程相关表模板_第2页
2/12
子分部工程与分项工程相关表模板_第3页
3/12
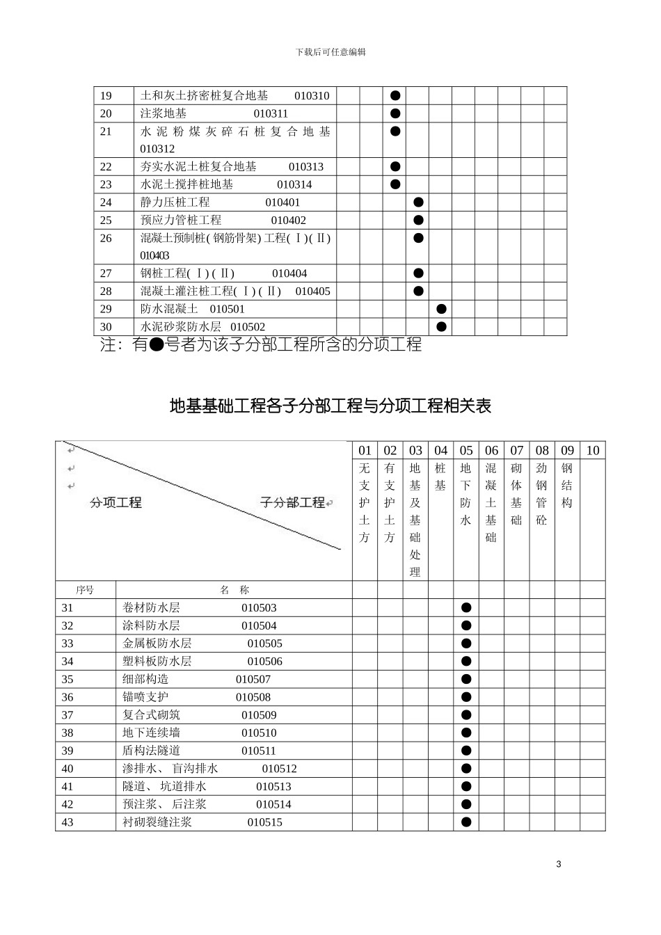
下载后可任意编辑子分部工程与分项工程相关表1下载后可任意编辑子分部工程与分项工程相关表1、 地基基础工程各子分部工程与分项工程相关表2、 主体结构各子分部工程与分项工程相关表3、 装饰装修工程各子分部工程与分项工程相关表4、 屋面工程各子分部工程与分项工程相关表5、 建筑给水、 排水与采暖分部工程与分项工程相关表6、 建筑电气安装工程分部( 子分部) 工程与分项工程相关表7、 通风与空调工程各子分部工程与分项工程相关表8、 电梯安装分部工程各子分部工程与分项工程相关表地基基础工程各子分部工程与分项工程相关表 01020304050607080910无支护土方有支护土方地基及基础处理桩基地下防水混凝土基础砌体基础劲钢管砼钢结构 序号名 称 1土方开挖 010101● 2土方回填 010102● 3排桩墙支护( Ⅰ) ( Ⅱ) 010201 ● 4降水与排水 010202 ● 5地下连续墙 010203 ● 6锚杆及土钉墙支护 010204 ● 7加筋水泥土桩墙支护 010205 ● 8沉井与沉箱 010206 ● 9钢或混凝土支撑 010207 ● 10灰土地基 010301 ● 11砂和砂石地基 010302 ● 12土工合成材料地基 010303 ● 13粉煤灰地基 010304 ● 14强夯地基 010305 ● 15振冲地基 010306 ● 16砂桩地基 010307 ● 17预压地基 010308 ● 18高压喷射注浆地基 010309 ● 2下载后可任意编辑19土和灰土挤密桩复合地基 010310 ● 20注浆地基 010311 ● 21水 泥 粉 煤 灰 碎 石 桩 复 合 地 基 010312 ● 22夯实水泥土桩复合地基 010313 ● 23水泥土搅拌桩地基 010314 ● 24静力压桩工程 010401 ● 25预应力管桩工程 010402 ● 26混凝土预制桩( 钢筋骨架) 工程( Ⅰ) ( Ⅱ) 010403 ● 27钢桩工程( Ⅰ) ( Ⅱ) 010404 ● 28混凝土灌注桩工程( Ⅰ) ( Ⅱ) 010405 ● 29防水混凝土 010501 ● 30水泥砂浆防水层 010502 ● 注: 有●号者为该子分部工程所含的分项工程地基基础工程各子分部工程与分项工程相关表 01020304050607080910无支护土方有支护土方地基及基础处理桩基地下防水混凝土基础砌体基础劲钢管砼钢结构 序号名 称 31卷材防水层 010503 ● 32涂料防水层 010504 ● 33金属板防水层 010505 ● 34塑料板防水层 010506 ● 35细部构造 010507 ● 36锚喷支护 010508 ● 37复合式砌筑 010509 ● 38地下连续墙 010510 ● 39盾构法隧道 010511 ●...

1、当您付费下载文档后,您只拥有了使用权限,并不意味着购买了版权,文档只能用于自身使用,不得用于其他商业用途(如 [转卖]进行直接盈利或[编辑后售卖]进行间接盈利)。
2、本站所有内容均由合作方或网友上传,本站不对文档的完整性、权威性及其观点立场正确性做任何保证或承诺!文档内容仅供研究参考,付费前请自行鉴别。
3、如文档内容存在违规,或者侵犯商业秘密、侵犯著作权等,请点击“违规举报”。

碎片内容

子分部工程与分项工程相关表模板

您可能关注的文档

一二三四传媒+ 关注
实名认证
内容提供者

大量资料供您选择,没有合适的可以联系小二。

确认删除?
VIP
微信客服
  • 扫码咨询
会员Q群
  • 会员专属群点击这里加入QQ群
客服邮箱
回到顶部