电脑桌面
添加小米粒文库到电脑桌面
安装后可以在桌面快捷访问

工艺巡检职位说明书模板

工艺巡检职位说明书模板_第1页
1/3
工艺巡检职位说明书模板_第2页
2/3
工艺巡检职位说明书模板_第3页
3/3
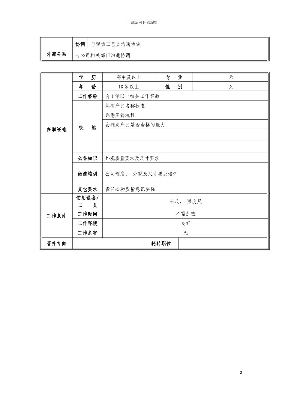
下载后可任意编辑工艺巡检职位说明书1下载后可任意编辑工艺巡检职位说明书基本情况职位名称巡检职位编号所属部门压铸车间直接上级职位编制职 系工艺直接下级所辖人数编制人彭晓明审核人职位概要控制产品外观质量工作职责与工作任务: 1、 按工艺要要求对产品外观和尺寸进行首件检查2、 不定时对现场生产的产品进行巡检, 保证产品合格3、 对现场发现的问题向工艺员汇报及监督其解决4、 按要求作好产品检验记录5、 完成上级临时安排的其它工作工作职权对产品外观和尺寸问题的确认权对操作员工自检的监督权对现场工艺员解决问题的监督权对有问题的产品有停止生产的权力工作协作关系: 内部关系汇报向现场工艺员汇报外观质量和尺寸问题督导随时检查操作工的自检情况和现场工艺员解决问题情况2下载后可任意编辑协调与现场工艺员沟通协调外部关系与公司相关部门沟通协调任职资格学 历高中及以上专 业无年 龄18 岁以上性 别女工作经验有 1 年以上相关工作经验技 能熟悉产品名称状态熟悉压铸流程会判别产品是否合格的能力必备知识外观质量要求及尺寸要求岗前培训公司制度、 外观及尺寸要求培训其它要求责任心和质量意识要强工作条件使用设备/工 具卡尺、 深度尺工作时间不需加班工作环境良好工作危害无晋升方向轮转职位3

1、当您付费下载文档后,您只拥有了使用权限,并不意味着购买了版权,文档只能用于自身使用,不得用于其他商业用途(如 [转卖]进行直接盈利或[编辑后售卖]进行间接盈利)。
2、本站所有内容均由合作方或网友上传,本站不对文档的完整性、权威性及其观点立场正确性做任何保证或承诺!文档内容仅供研究参考,付费前请自行鉴别。
3、如文档内容存在违规,或者侵犯商业秘密、侵犯著作权等,请点击“违规举报”。

碎片内容

工艺巡检职位说明书模板

确认删除?
VIP
微信客服
  • 扫码咨询
会员Q群
  • 会员专属群点击这里加入QQ群
客服邮箱
回到顶部