电脑桌面
添加小米粒文库到电脑桌面
安装后可以在桌面快捷访问

工艺解剖职位说明书模板

工艺解剖职位说明书模板_第1页
1/3
工艺解剖职位说明书模板_第2页
2/3
工艺解剖职位说明书模板_第3页
3/3
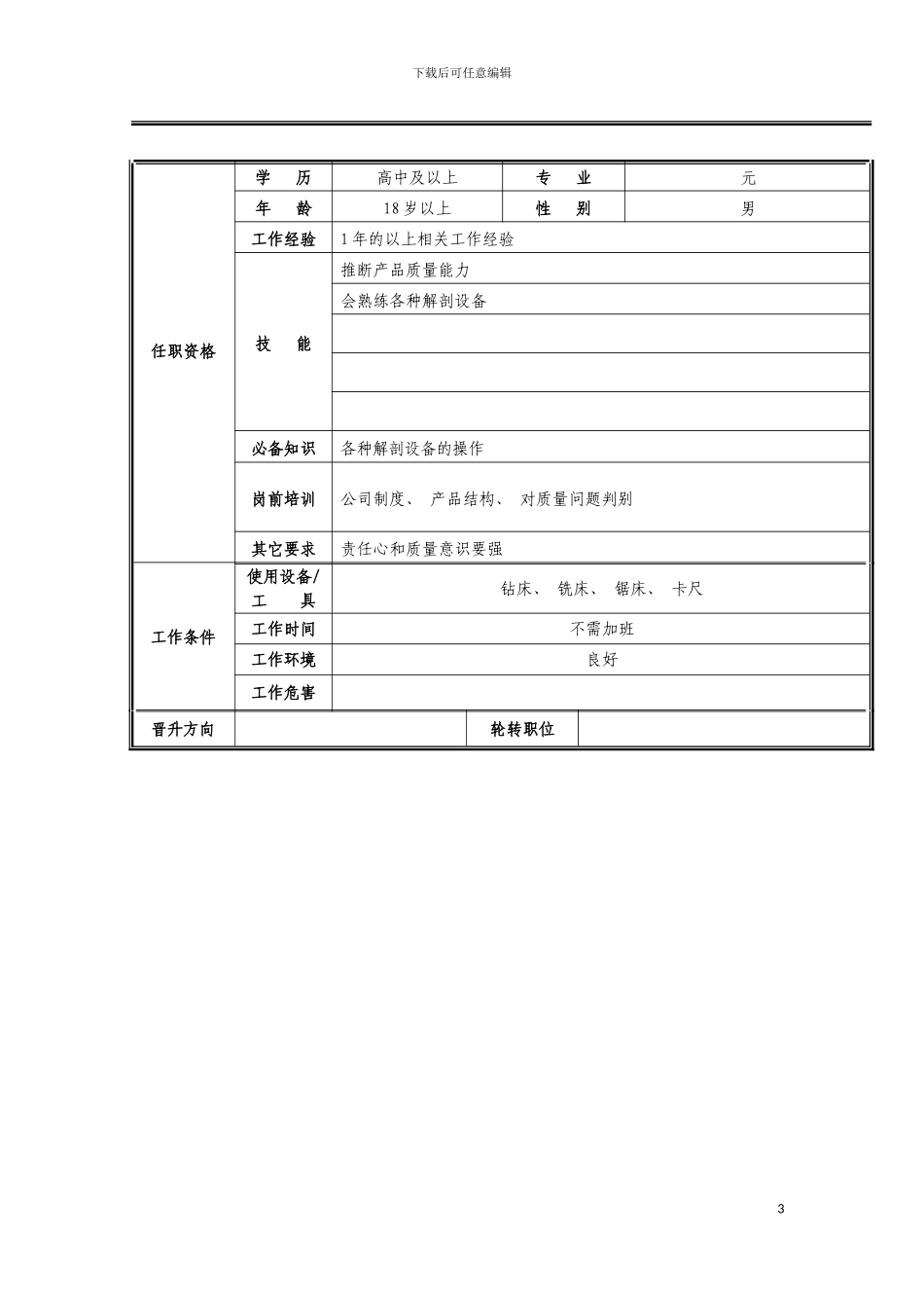
下载后可任意编辑工艺解剖职位说明书1下载后可任意编辑工艺解剖职位说明书基本情况职位名称工艺解剖职位编号所属部门压铸车间直接上级职位编制职 系工艺直接下级所辖人数编制人彭晓明审核人职位概要控制现场产品质量工作职责与工作任务: 1、 根据工艺要求对产品内部质量解剖检查2、 根据工艺要求对产品壁厚和型芯弯曲进行解剖检查3、 监督现场工艺对质量问题解决4、 根据要求对解剖设备进行保养5、 按要求作好解剖记录6、 完成上级安排的其它工作工作职权内部气孔、 壁厚、 型芯弯曲确认权对现场工艺员解决问题监督权对有问题产品有停止生产的权利工作协作关系: 内部关系汇报向现场工艺员汇报产品内部质量及壁厚型芯弯曲情况批量性产品质量问题向工艺组长汇报督导监督现场工艺员对内部质量和型芯、 壁厚问题的解决情况协调现场工艺员外部关系2下载后可任意编辑任职资格学 历高中及以上专 业元年 龄18 岁以上性 别男工作经验1 年的以上相关工作经验技 能推断产品质量能力会熟练各种解剖设备必备知识各种解剖设备的操作岗前培训公司制度、 产品结构、 对质量问题判别其它要求责任心和质量意识要强工作条件使用设备/工 具钻床、 铣床、 锯床、 卡尺工作时间不需加班工作环境良好工作危害晋升方向轮转职位3

1、当您付费下载文档后,您只拥有了使用权限,并不意味着购买了版权,文档只能用于自身使用,不得用于其他商业用途(如 [转卖]进行直接盈利或[编辑后售卖]进行间接盈利)。
2、本站所有内容均由合作方或网友上传,本站不对文档的完整性、权威性及其观点立场正确性做任何保证或承诺!文档内容仅供研究参考,付费前请自行鉴别。
3、如文档内容存在违规,或者侵犯商业秘密、侵犯著作权等,请点击“违规举报”。

碎片内容

工艺解剖职位说明书模板

确认删除?
VIP
微信客服
  • 扫码咨询
会员Q群
  • 会员专属群点击这里加入QQ群
客服邮箱
回到顶部