电脑桌面
添加小米粒文库到电脑桌面
安装后可以在桌面快捷访问

玩具检验标准

玩具检验标准_第1页
1/12
玩具检验标准_第2页
2/12
玩具检验标准_第3页
3/12
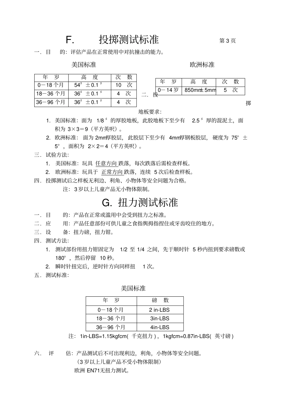
1. 外观A. 利角标准第 1 页目的:检定产品有利角美国标准:1.适合 4 岁或以上儿童的玩具不可有任何利角。2.适合 4 岁以上 8 岁以下儿童的玩具, 因功能问题例外, 但必须有警性的字眼或明白的标示,供有足够成熟的儿童阅读及明白此标示。欧洲标准:1.适合 3 岁或以下儿童使用的玩具不能有任何利角。2.适合 3 岁以上儿童使用的玩具,因功能问题例外,但必须有警性的语言或标示。试验程序:先旋转利角器规盖, 把利角器的红灯调至亮舆不亮之间,然后参照锁紧环上的标示把规盖拧松五格, 再锁紧锁紧环此时便可以进行测试。测试时把怀疑之利角竖立放入利角器的探测口内,施加LBS磅=454g 的力往下压,如红灯亮表示有利角,反之没有利角。B. 利边标准目的:检验产品有否利边美国标准:1.适合 4 岁或以下儿童使用之产品,不可有任何利角。2.适合 4 岁以上儿童使用之产品, 因功能性问题例外, 但必须有警告性的语句或明白的标示,供有足够成熟的儿童阅读及明白此标示。欧洲标准:1.适合 3 岁或以下儿童使用之产品,不可有任何利角。2.适合 3 岁以上儿童使用之产品,因功能性问题例外,但必须有警告性的语句或明白的标示,供有足够成熟的儿童阅读及明白此标示。试验程序:将胶布(聚四氧乙烯) 绕轴芯围绕一周, 胶布的头尾端必须重叠或对接在轴芯的下方, 重叠或对接宽度必须小于0.1 〞,测试时先把怀疑之利边舆胶布垂直接触,施加 1.35LBS的力,然后按动红色按掣, 任轴芯自由转一周, 如发现胶布裂开则有利边,反之没有。C. 小物体标准第 2 页1.目的:制定一个测试标准,以限制容易误吞物被年幼者吸入口导窒息的危险。2.定义:任何产品或配件加1LBS的力能完全进入小物体圆筒内的称为小物体。3.应用范围: 3 岁以下儿童之玩具。1.25 〞4.试验设备:小物体圆筒试器。 (如图)1〞2.25 〞D. 咬力测试:1.目的:产品于正常使用中对咬啮的能力,避免儿童将产品咬烂吞下导致窒息的危险。2.定义:任何产品或其配件厚度小于1.25 〞进入口部深度大约0.25 〞。3.试验设备:咬力测试器。 (拉力磅)4.试验要求:美国标准年龄磅数0-18 个月25 LBS 18-36 个月50 LBS 36-96 个月100 LBS 欧洲暂时没有此要求!E. 胶袋标准一. 目的:制定一个标准,避免儿童将胶袋套啊头部导致窒息的危险。二. 应用范围:所有产品使用的包装胶袋。三. 标准:1. 所有产品包装用的胶袋,胶片平均厚度不得小于0.0015 ...

1、当您付费下载文档后,您只拥有了使用权限,并不意味着购买了版权,文档只能用于自身使用,不得用于其他商业用途(如 [转卖]进行直接盈利或[编辑后售卖]进行间接盈利)。
2、本站所有内容均由合作方或网友上传,本站不对文档的完整性、权威性及其观点立场正确性做任何保证或承诺!文档内容仅供研究参考,付费前请自行鉴别。
3、如文档内容存在违规,或者侵犯商业秘密、侵犯著作权等,请点击“违规举报”。

碎片内容

玩具检验标准

您可能关注的文档

确认删除?
VIP
微信客服
  • 扫码咨询
会员Q群
  • 会员专属群点击这里加入QQ群
客服邮箱
回到顶部