电脑桌面
添加小米粒文库到电脑桌面
安装后可以在桌面快捷访问

建设工程施工安全文明施工检查表

建设工程施工安全文明施工检查表_第1页
1/14
建设工程施工安全文明施工检查表_第2页
2/14
建设工程施工安全文明施工检查表_第3页
3/14
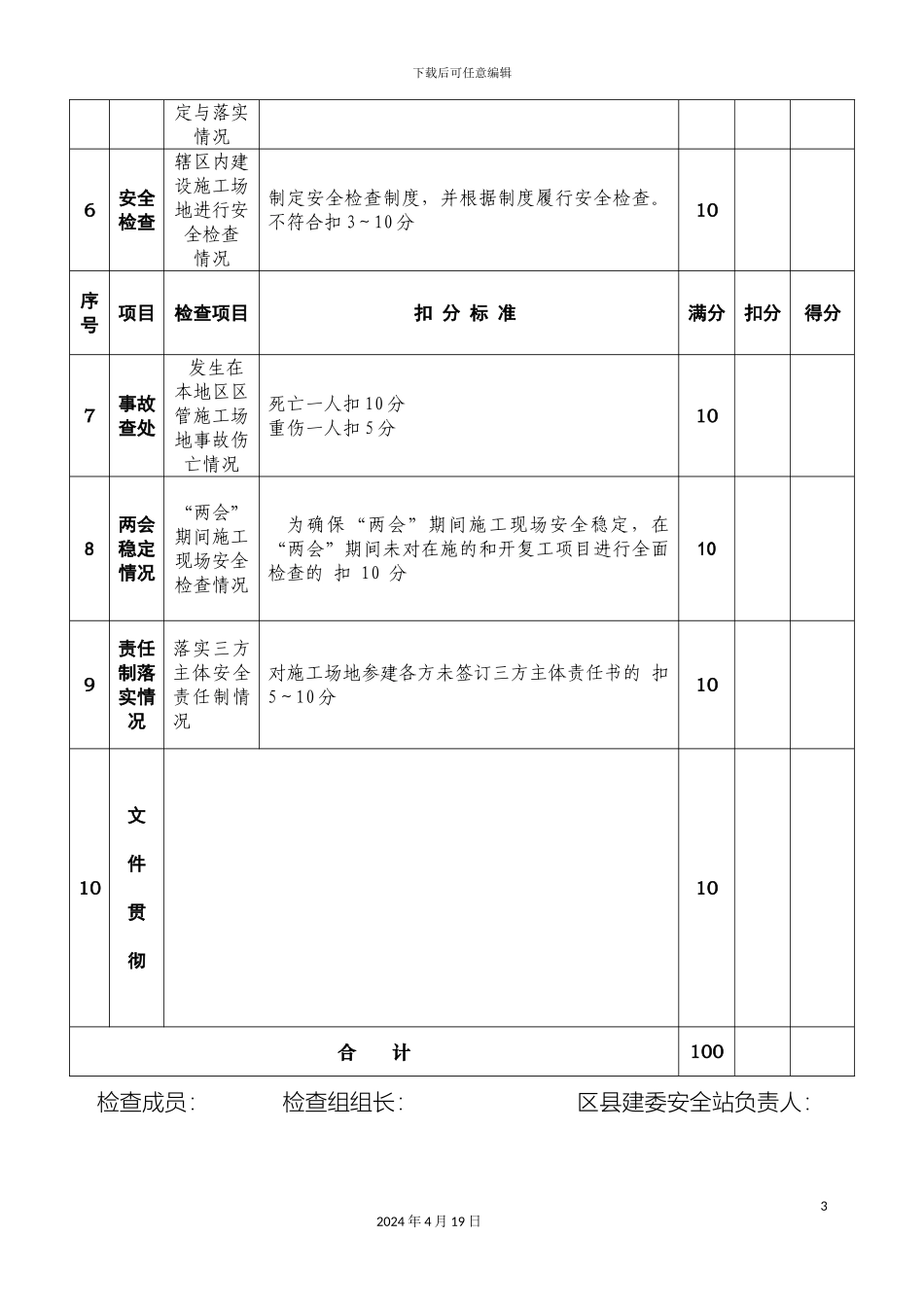
下载后可任意编辑建设工程施工安全文明施工检查表12024 年 4 月 19 日附件 3:建设工程施工安全文明施工检查表(建设行政主管部门)区、县: 日期:序号项目检查项目扣 分 标 准满分扣分得分1安全文明施工责任体系建立情况安全生产文明施工领导小组建立情况建立安全生产文明施工领导小组,而且发文公布。不符合扣 2~5 分10安全生产文明施工责任制建立及落实情况建立安全文明施工责任制,内容齐全,责任明确落实到人,签订人符合要求。不符合扣 2~5 分2机构设置安全生产管理机构设置及专职安全生产管理人员配备情况按规定设置安全生产管理机构,并配足够数量的专职安全生产管理人员。不符合扣 3~10 分103运行情况安全生产形势的分析情况定期召开安全生产分析会,安全联络员按要求定期向市建设行政主管部门报告本地安全生产形势分析。不符合扣 2~5 分10重大事故应急预案制定及演练情况按规定制定详细的重大事故应急预案,并已进行演练。不符合扣 1~3 分4安全生产文明施工指标安全生产文明施工指标制定与控制情况制定安全生产文明施工指标,已实行措施,安全生产文明施工指标控制较好。不符合扣 3~10 分105专项整治建筑施工多发性事故专项整治措施制整治措施内容详细,方法得当,而且已经落实。不符合扣 3~10 分10下载后可任意编辑定与落实情况6安全检查辖区内建设施工场地进行安全检查情况制定安全检查制度,并根据制度履行安全检查。不符合扣 3~10 分10序号项目检查项目扣 分 标 准满分扣分得分7事故查处 发生在本地区区管施工场地事故伤亡情况死亡一人扣 10 分重伤一人扣 5 分108两会稳定情况“两会”期间施工现场安全检查情况为确保“两会”期间施工现场安全稳定,在“两会”期间未对在施的和开复工项目进行全面检查的 扣 10 分109责任制落实情况落实三方主体安全责任制情况对施工场地参建各方未签订三方主体责任书的 扣5~10 分1010文件贯彻10合 计100检查成员: 检查组组长: 区县建委安全站负责人:32024 年 4 月 19 日下载后可任意编辑建设工程施工安全文明施工检查表(施工现场) 项目名称: 施工单位: 检查日期:工程类别: 建筑面积: 结构形式: 在施部位:序号检查项目扣 分 标 准满分扣分得分1管理制度机构设置分包管理安全生产规章制度和安全操作规程。不符合扣 1~2 分安全生产责任制及考核。不符合扣 2 分安全目标。不符合扣 1~2 分安全文明施工质量标准化...

1、当您付费下载文档后,您只拥有了使用权限,并不意味着购买了版权,文档只能用于自身使用,不得用于其他商业用途(如 [转卖]进行直接盈利或[编辑后售卖]进行间接盈利)。
2、本站所有内容均由合作方或网友上传,本站不对文档的完整性、权威性及其观点立场正确性做任何保证或承诺!文档内容仅供研究参考,付费前请自行鉴别。
3、如文档内容存在违规,或者侵犯商业秘密、侵犯著作权等,请点击“违规举报”。

碎片内容

建设工程施工安全文明施工检查表

人从众+ 关注
实名认证
内容提供者

欢迎光临小店,本店以公文和教育为主,希望符合您的需求。

确认删除?
VIP
微信客服
  • 扫码咨询
会员Q群
  • 会员专属群点击这里加入QQ群
客服邮箱
回到顶部