电脑桌面
添加小米粒文库到电脑桌面
安装后可以在桌面快捷访问

生猪屠宰加工流水线作业条件危险性分析示例

生猪屠宰加工流水线作业条件危险性分析示例_第1页
1/8
生猪屠宰加工流水线作业条件危险性分析示例_第2页
2/8
生猪屠宰加工流水线作业条件危险性分析示例_第3页
3/8
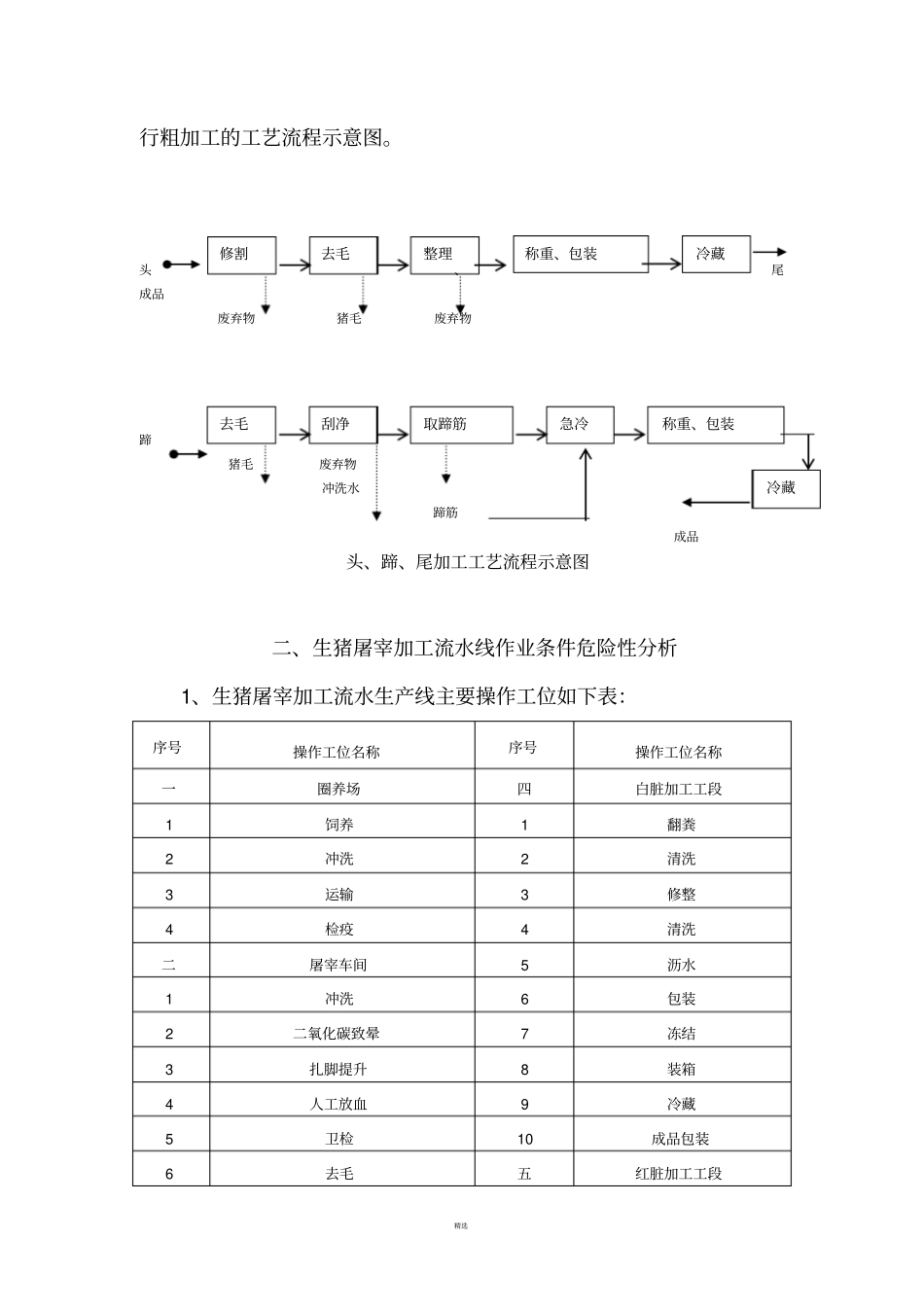
精选生猪屠宰加工流水线作业条件危险性分析示例唐开永(注册安全工程师、一级安全评价师)一、一般生猪屠宰加工流水线工艺流程简述生猪屠宰加工一般包括三大区块,即生猪屠宰、分割肉加工、猪副产品的综合利用。现将其工艺流程分别简述如下。(1)生猪屠宰工艺生猪经清洗后用二氧化碳致晕,再用吊钩套住猪后蹄, 用提升机将猪倒吊至放血池人工放血, 放血后若制白条肉则无需剥皮,进行卫检,去毛后割开肚腹折胸骨,人工摘除肠胃、心肝肺放于内脏输送带上,用劈半机劈开猪胴体去头、蹄、尾后摘除肾脏,人工撕板油后修整并冲淋干净,卫检分级后胴体入冷却、排酸间。若制分割肉则放血后去头、蹄、尾,用扯皮机扯皮,辅以人工起皮,以下工序与制白条肉相同。(2)分割肉加工工艺经屠宰加工后的猪胴体,在4~7℃排酸间排酸 48 小时,推入分割操作间,在轨道上按部位剔骨分割,按包装要求进行分块,称重后装袋,送冷库冷藏。(3)猪副产品的综合利用猪副产品具有较高的经济价值,加以充分利用可以变废为宝, 延长产业链,提高项目的综合效益,也符合循环经济的原则,本项目不包括猪副产品深加工利用的内容。下图为内脏和头、蹄、尾在厂内进精选行粗加工的工艺流程示意图。头、尾成品废弃物猪毛废弃物蹄猪毛废弃物冲洗水蹄筋成品头、蹄、尾加工工艺流程示意图二、生猪屠宰加工流水线作业条件危险性分析1、生猪屠宰加工流水生产线主要操作工位如下表:序号操作工位名称序号操作工位名称一圈养场四白脏加工工段1 饲养1 翻粪2 冲洗2 清洗3 运输3 修整4 检疫4 清洗二屠宰车间5 沥水1 冲洗6 包装2 二氧化碳致晕7 冻结3 扎脚提升8 装箱4 人工放血9 冷藏5 卫检10 成品包装6 去毛五红脏加工工段修割去毛整理称重、包装冷藏去毛刮净取蹄筋急冷称重、包装冷藏精选7 去头、蹄、尾1 修整8 剥皮2 清洗9 开腹3 沥水10 摘除内脏4 急冷11 开胸5 冷藏12 摘除肾脏6 成品包装13 撕板油六头、尾加工工段14 整理1 修割15 冲淋2 去毛16 卫检分级3 整理三分割车间4 称重、包装1 冷却排酸5 冷藏2 分段6 成品包装3 剔骨七蹄加工工段4 分部位1 去毛5 修整2 刮净6 分块3 取蹄筋7 称重、包装4 急冷8 冻结5 称重、包装9 装箱6 冷藏10 冷藏7 成品包装11 成品包装2、生猪屠宰加工流水生产线主要辅助工位如下表:序号操作工位名称序号操作工位名称1 制冷机房2 锅炉房3 电工4 机修5 提升(起重)6 化制间蒸煮、炼油...

1、当您付费下载文档后,您只拥有了使用权限,并不意味着购买了版权,文档只能用于自身使用,不得用于其他商业用途(如 [转卖]进行直接盈利或[编辑后售卖]进行间接盈利)。
2、本站所有内容均由合作方或网友上传,本站不对文档的完整性、权威性及其观点立场正确性做任何保证或承诺!文档内容仅供研究参考,付费前请自行鉴别。
3、如文档内容存在违规,或者侵犯商业秘密、侵犯著作权等,请点击“违规举报”。

碎片内容

生猪屠宰加工流水线作业条件危险性分析示例

您可能关注的文档

确认删除?
VIP
微信客服
  • 扫码咨询
会员Q群
  • 会员专属群点击这里加入QQ群
客服邮箱
回到顶部