电脑桌面
添加小米粒文库到电脑桌面
安装后可以在桌面快捷访问

加固工程隐蔽工程验收记录VIP免费

加固工程隐蔽工程验收记录_第1页
1/20
加固工程隐蔽工程验收记录_第2页
2/20
加固工程隐蔽工程验收记录_第3页
3/20
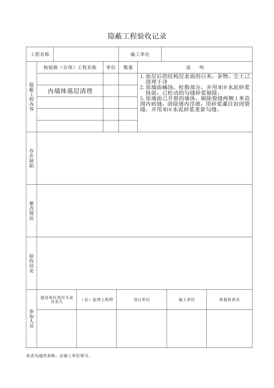
隐蔽工程验收记录此表为通用表格,由施工单位填写。工程名称施工单位隐蔽工程内容检验批(分项)工程名称单位数量说明1.面层后的结构层表面的白灰,杂物、尘土己清理干净2.原墙面碱蚀,松散部分,并用M10水泥砂浆抹面,已松动的勾缝砂浆剔除。3.原墙面己开裂的墙体,剔除裂缝两侧1米范围内砖缝,清除缝内浮渣,用砂浆灌注封闭裂缝,并用M10水泥砂浆重新勾缝。内墙体基层清理存在缺陷整改情况验收结论参加人员建设单位项目专业负责人(总)监理工程师设计单位施工单位质量检查员墙体喷浆(刷浆)隐蔽工程验收记录此表为通用表格,由施工单位填写。工程名称贵池职教中心食堂加固工程施工单位安徽梅龙建筑集团有限公司隐蔽工程内容检验批(分项)工程名称单位数量说明1、原材料质量已验收,质量合格,详见材料报验单。2、墙面己冲洗,湿润;3、砂浆流动性符合图纸设计要求4、砂浆面层的养护符合要求5、内墙体喷浆(刷浆)存在缺陷整改情况验收结论参加人员建设单位项目专业负责人(总)监理工程师设计单位施工单位质量检查员墙体铺贴钢筋网片隐蔽工程验收记录工程名称贵池职教中心食堂加固工程施工单位安徽梅龙建筑集团有限公司隐蔽工程内容检验批(分项)工程名称单位数量说明1、钢材合格证,检测报告齐全。2、钢材品种、规格、铺设方式和位置均符合图纸设计要求。3.钢筋绑扎符合要求4.钢筋无锈浊,无污染;内墙体铺贴钢筋网片存在缺陷整改情况验收结论参加人员建设单位项目专业负责人(总)监理工程师设计单位施工单位质量检查员此表为通用表格,由施工单位填写。墙体锚固钢筋隐蔽工程验收记录此表为通用表格,由施工单位填写。工程名称贵池职教中心食堂加固工程施工单位安徽梅龙建筑集团有限公司隐蔽工程内容检验批(分项)工程名称单位数量说明1.钢材合格证,检测报告齐全。2.钢材品种、规格、锚固方式和位置均符合图纸设计要求。3.钢筋无锈浊,无污染;内墙体锚固钢筋存在缺陷整改情况验收结论参加人员建设单位项目专业负责人(总)监理工程师设计单位施工单位质量检查员角钢隐蔽工程验收记录此表为通用表格,由施工单位填写。工程名称城关小学综合楼加固工程施工单位安徽海博建设工程有限公司隐蔽工程内容检验批(分项)工程名称单位数量说明1、原材料质量已验收,质量合格,详见材料报验单。2、角钢品种、规格、敷设方式和位置均符合图纸设计要求。3、角钢无綉浊,无污染;角钢存在缺陷整改情况验收结论参加人员建设单位项目专业负责人(总)监理工程师设计单位施工单位质量检查员隐蔽工程验收记录工程名称池州国际汽车城1#楼施工单位安徽华廉建筑公司隐蔽工程内容检验批(分项)工程名称单位数量说明1、原材料质量已验收,质量合格,详见材料报验单。2、管材品种、规格、敷设方式和位置均符合图纸设计要求。3、塑料套管为管件粘接五层电线、电缆套管存在缺陷整改情况验收结论参加人员建设单位项目专业负责人(总)监理工程师施工企业质量部门代表项目经理质量检查员此表为通用表格,由施工单位填写。隐蔽工程验收记录此表为通用表格,由施工单位填写。工程名称池州国际汽车城1#楼施工单位安徽华廉建筑公司隐蔽工程内容检验批(分项)工程名称单位数量说明1、原材料质量已验收,质量合格,详见材料报验单。2、管材品种、规格、敷设方式和位置均符合图纸设计要求。3、塑料套管为管件粘接六层电线、电缆套管存在缺陷整改情况验收结论参加人员建设单位项目专业负责人(总)监理工程师施工企业质量部门代表项目经理质量检查员隐蔽工程验收记录此表为通用表格,由施工单位填写。工程名称池州国际汽车城1#楼施工单位安徽华廉建筑公司隐蔽工程内容检验批(分项)工程名称单位数量说明1、电线、电缆质量已验收,质量合格,详见材料报验单。2、电线、电缆材料品种、导线截面、敷设部位及电气回路等均符合设计要求。3、导线相序颜色选择符合规范的规定。一层电线、电缆穿管存在缺陷整改情况验收结论参加人员建设单位项目专业负责人(总)监理工程师施工企业质量部门代表项目经理质量检查员隐蔽工程验收记录工程名称池州国际汽车城1#楼施工单位安徽华廉建筑公司隐蔽工程内容检验批(分项)...

1、当您付费下载文档后,您只拥有了使用权限,并不意味着购买了版权,文档只能用于自身使用,不得用于其他商业用途(如 [转卖]进行直接盈利或[编辑后售卖]进行间接盈利)。
2、本站所有内容均由合作方或网友上传,本站不对文档的完整性、权威性及其观点立场正确性做任何保证或承诺!文档内容仅供研究参考,付费前请自行鉴别。
3、如文档内容存在违规,或者侵犯商业秘密、侵犯著作权等,请点击“违规举报”。

碎片内容

加固工程隐蔽工程验收记录

您可能关注的文档

确认删除?
VIP
微信客服
  • 扫码咨询
会员Q群
  • 会员专属群点击这里加入QQ群
客服邮箱
回到顶部