电脑桌面
添加小米粒文库到电脑桌面
安装后可以在桌面快捷访问

某车间零件传送设备的传动装置设计课程设计报告书样本

某车间零件传送设备的传动装置设计课程设计报告书样本_第1页
1/56
某车间零件传送设备的传动装置设计课程设计报告书样本_第2页
2/56
某车间零件传送设备的传动装置设计课程设计报告书样本_第3页
3/56
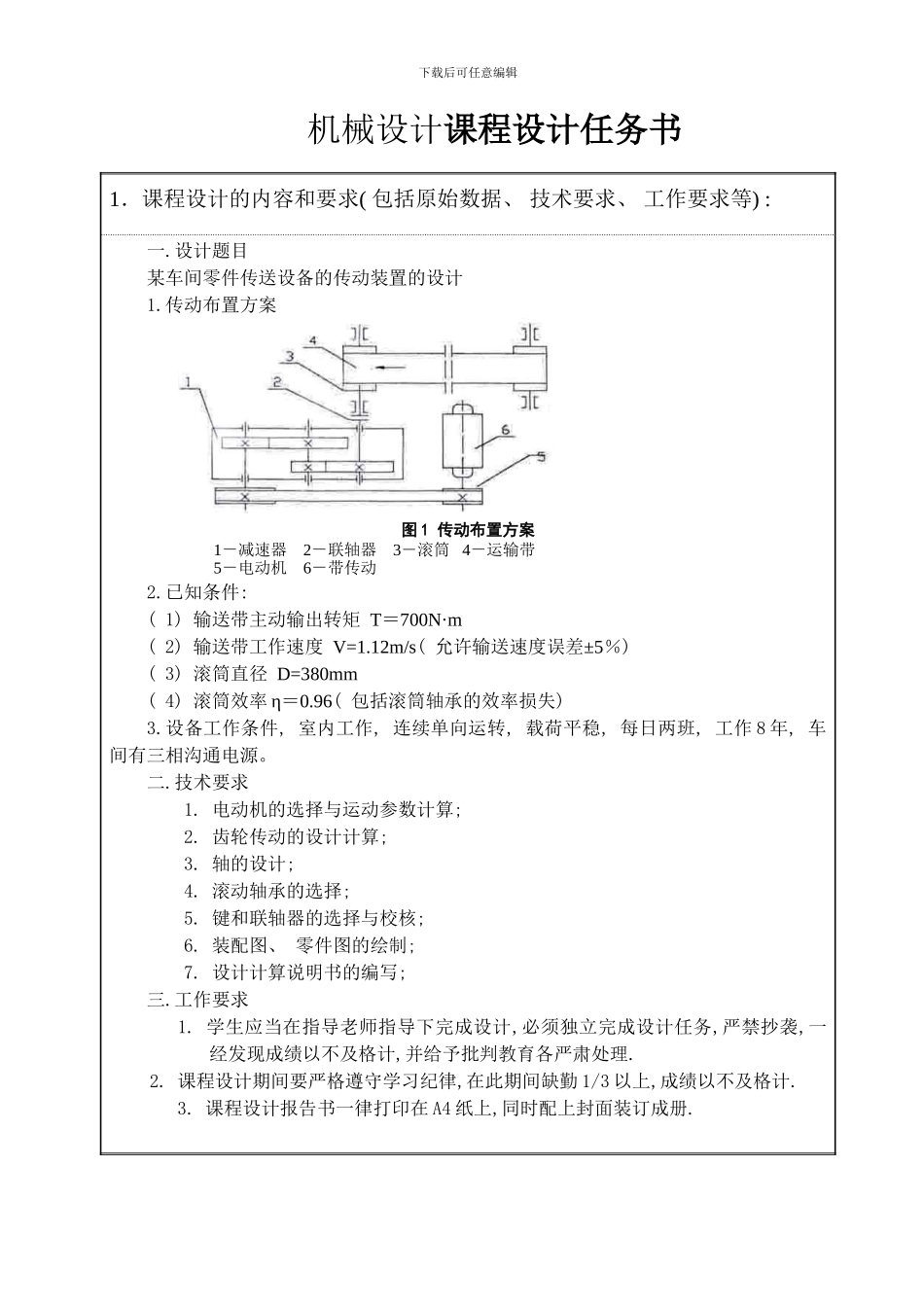
下载后可任意编辑南 湖 学 院课 程 设 计 报 告 书 题 目: 某车间零件传送设备的传动装置设计 系 部: 机械与电子工程系 专 业: 机械设计制造及自动化 班 级: N 机自 11—1F 姓 名: 学 号: 序 号: 12 月 16 日下载后可任意编辑 南 湖 学 院课程设计任务书设计题目: 某车间零件传送设备的传动装置设计 系 部: 机电系 专 业: 机械设计制造及自动化 学生姓名: 学号: 起迄日期: 11 月 2 4 日至 年 12 月 16 日 指导老师: 下载后可任意编辑机械设计课程设计任务书1.课程设计的内容和要求( 包括原始数据、 技术要求、 工作要求等) : 一.设计题目某车间零件传送设备的传动装置的设计1.传动布置方案图 1 传动布置方案1-减速器 2-联轴器 3―滚筒 4-运输带 5-电动机 6-带传动2.已知条件: ( 1) 输送带主动输出转矩 T=700N·m( 2) 输送带工作速度 V=1.12m/s( 允许输送速度误差±5%) ( 3) 滚筒直径 D=380mm( 4) 滚筒效率 η=0.96( 包括滚筒轴承的效率损失) 3.设备工作条件, 室内工作, 连续单向运转, 载荷平稳, 每日两班, 工作 8 年, 车间有三相沟通电源。二.技术要求1. 电动机的选择与运动参数计算; 2. 齿轮传动的设计计算; 3. 轴的设计; 4. 滚动轴承的选择; 5. 键和联轴器的选择与校核; 6. 装配图、 零件图的绘制; 7. 设计计算说明书的编写; 三.工作要求1. 学生应当在指导老师指导下完成设计,必须独立完成设计任务,严禁抄袭,一经发现成绩以不及格计,并给予批判教育各严肃处理.2. 课程设计期间要严格遵守学习纪律,在此期间缺勤 1/3 以上,成绩以不及格计.3. 课程设计报告书一律打印在 A4 纸上,同时配上封面装订成册.下载后可任意编辑机械设计课程设计任务书2.对课程设计成果的要求〔包括图表、 实物等硬件要求〕: 1、 要求( 1) 说明书要仔细、 准确、 条理清楚, 参考文献要注明出处( 2) 按 word 排版, 公式编辑器编辑公式( 3) 图纸用 CAD 作图, 数据准确2、 任务(1) 减速器总装配图一张(2) 齿轮、 轴零件图各一张(3) 设计说明书一份3.主要参考文献: 要求按国标 GB 7714—87《文后参考文献著录规则》书写, 例如: [1] 濮良贵, 纪名刚.机械设计.第八版.北京:高等教育出版社, [2] 杨光, 席伟光等.机械设计课程设计手册.第二版.北京:高等教育出版社, [3] 刘鸿文.材料力学.第四版. 北...

1、当您付费下载文档后,您只拥有了使用权限,并不意味着购买了版权,文档只能用于自身使用,不得用于其他商业用途(如 [转卖]进行直接盈利或[编辑后售卖]进行间接盈利)。
2、本站所有内容均由合作方或网友上传,本站不对文档的完整性、权威性及其观点立场正确性做任何保证或承诺!文档内容仅供研究参考,付费前请自行鉴别。
3、如文档内容存在违规,或者侵犯商业秘密、侵犯著作权等,请点击“违规举报”。

碎片内容

某车间零件传送设备的传动装置设计课程设计报告书样本

津创媒+ 关注
实名认证
内容提供者

欢迎交流文创,小店资料希望满足您的需要。

确认删除?
VIP
微信客服
  • 扫码咨询
会员Q群
  • 会员专属群点击这里加入QQ群
客服邮箱
回到顶部