电脑桌面
添加小米粒文库到电脑桌面
安装后可以在桌面快捷访问

桥板梁首件方案样本

桥板梁首件方案样本_第1页
1/17
桥板梁首件方案样本_第2页
2/17
桥板梁首件方案样本_第3页
3/17
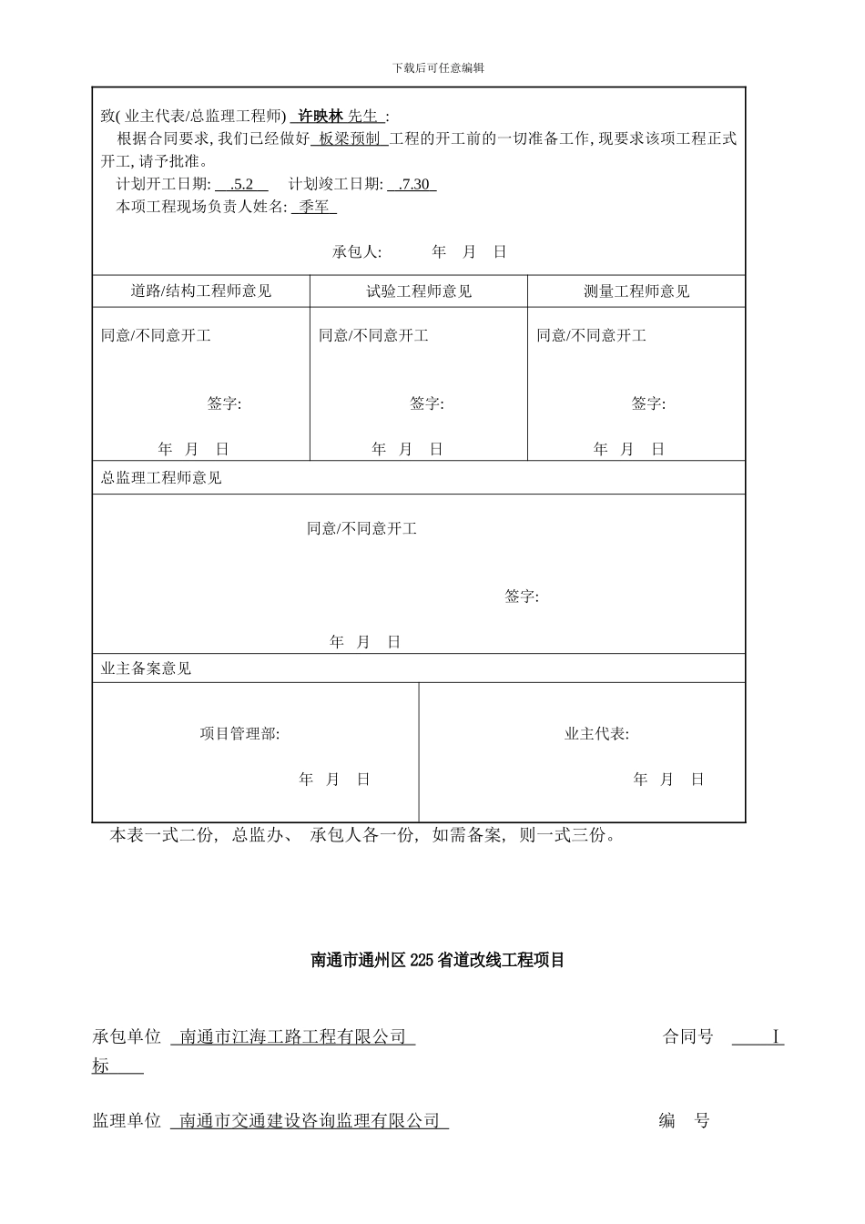
下载后可任意编辑南通市通州区 225 省道改线工程Ⅰ标( K0+000-K9+831 段) 板梁预制首件工程开工报告南通市江海公路工程有限公司南通市通州区 225 省道改线工程Ⅰ标项目经理部 5 月 22 日南通市通州区 225 省道改线工程项目承包单位 南通市江海公路工程有限公司 合同号 Ⅰ 标 监理单位 南通市交通建设咨询监理有限公司 编 号 工程开工申请单 A—8下载后可任意编辑致( 业主代表/总监理工程师) 许映林 先生 : 根据合同要求, 我们已经做好 板梁预制 工程的开工前的一切准备工作, 现要求该项工程正式开工, 请予批准。 计划开工日期: .5.2 计划竣工日期: .7.30 本项工程现场负责人姓名: 季军 承包人: 年 月 日道路/结构工程师意见试验工程师意见测量工程师意见同意/不同意开工 签字: 年 月 日同意/不同意开工 签字: 年 月 日同意/不同意开工 签字: 年 月 日总监理工程师意见 同意/不同意开工签字: 年 月 日业主备案意见项目管理部: 年 月 日 业主代表: 年 月 日 本表一式二份, 总监办、 承包人各一份, 如需备案, 则一式三份。南通市通州区 225 省道改线工程项目承包单位 南通市江海工路工程有限公司 合同号 Ⅰ 标 监理单位 南通市交通建设咨询监理有限公司 编 号 下载后可任意编辑施工组织设计报审表 A—1致( 总监理工程师) 许映林 先生 : 现报上 225 省道改线工程Ⅰ标板梁预制 工程的实施性总体施工组织设计及附件, 请予审查和批准。 承包人: 年 月 日 专业监理工程师审查意见: □同意 □修改后再报 □不同意专业监理工程师: 年 月 日总监理工程师审批意见: □同意 □修改后再报 □不同意总监理工程师: 年 月 日 本表一式二份, 总监办、 承包人各一份, 如需备案, 则一式三份。南通市通州区 225 省道改线工程项目承包单位 南通市江海公路工程有限公司 合同号 监理单位 南通市交通建设咨询监理有限公司 编 号 施工技术方案报审表 A—3致( 总监理工程师) 许映林 先生 : 下载后可任意编辑现报上南通市通州区 225 省道改线工程Ⅰ 标工程板梁预制 施工技术方案, 请予审查和批准。 附件: 板梁预制施工方案 。 承包人: 年 月 日 专业监理工程师审查意见: □同意 □修改后再报 □不同意 专业监理工程师: 年 月 日总监理工程师审批意见: □同意 □修改后再报 □不同意 总监理工程师: 年 月 日本表...

1、当您付费下载文档后,您只拥有了使用权限,并不意味着购买了版权,文档只能用于自身使用,不得用于其他商业用途(如 [转卖]进行直接盈利或[编辑后售卖]进行间接盈利)。
2、本站所有内容均由合作方或网友上传,本站不对文档的完整性、权威性及其观点立场正确性做任何保证或承诺!文档内容仅供研究参考,付费前请自行鉴别。
3、如文档内容存在违规,或者侵犯商业秘密、侵犯著作权等,请点击“违规举报”。

碎片内容

桥板梁首件方案样本

人从众+ 关注
实名认证
内容提供者

欢迎光临小店,本店以公文和教育为主,希望符合您的需求。

确认删除?
VIP
微信客服
  • 扫码咨询
会员Q群
  • 会员专属群点击这里加入QQ群
客服邮箱
回到顶部