电脑桌面
添加小米粒文库到电脑桌面
安装后可以在桌面快捷访问

模板工程拆模申请表样本

模板工程拆模申请表样本_第1页
1/14
模板工程拆模申请表样本_第2页
2/14
模板工程拆模申请表样本_第3页
3/14
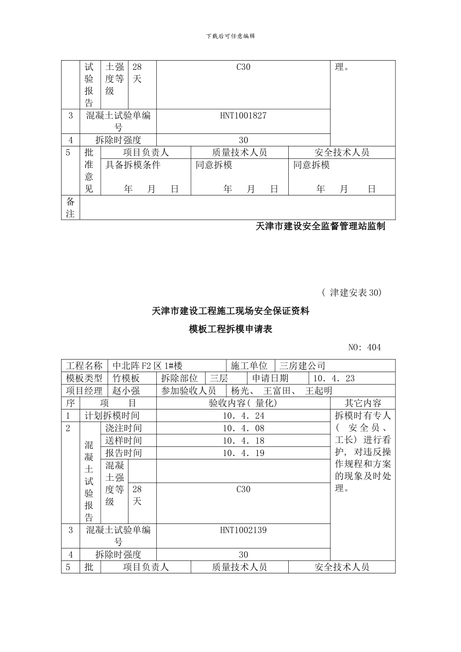
下载后可任意编辑 ( 津建安表 30) 天津市建设工程施工现场安全保证资料模板工程拆模申请表 NO: 401工程名称中北阵 F2 区 1#楼施工单位三房建公司模板类型竹模板拆除部位地下层申请日期10.3.11项目经理赵小强参加验收人员杨光、 王富田、 王起明序项 目验收内容( 量化) 其它内容1计划拆模时间10.3.12拆模时有专人( 安 全 员 、 工长) 进行看护, 对违反操作规程和方案的现象及时处理。2混凝土试验报告浇注时间09.12.27送样时间10.3.5报告时间10.3.6混凝土强度等级28天C303混凝土试验单编号HNT10005624拆除时强度325批准意见项目负责人质量技术人员安全技术人员具备拆模条件 年 月 日同意拆模 年 月 日同意拆模 年 月 日备注天津市建设安全监督管理站监制 ( 津建安表 30) 天津市建设工程施工现场安全保证资料模板工程拆模申请表 NO: 402工程名称中北阵 F2 区 1#楼施工单位三房建公司模板类型竹模板拆除部位首层申请日期10.4.6项目经理赵小强参加验收人员杨光、 王富田、 王起明下载后可任意编辑序项 目验收内容( 量化) 其它内容1计划拆模时间10.4.7拆模时有专人( 安 全 员 、 工长) 进行看护, 对违反操作规程和方案的现象及时处理。2混凝土试验报告浇注时间10.3.20送样时间10.3.30报告时间10.3.31混凝土强度等级28天C303混凝土试验单编号HNT10016214拆除时强度30.65批准意见项目负责人质量技术人员安全技术人员具备拆模条件 年 月 日同意拆模 年 月 日同意拆模 年 月 日备注天津市建设安全监督管理站监制 ( 津建安表 30) 天津市建设工程施工现场安全保证资料模板工程拆模申请表 NO: 403工程名称中北阵 F2 区 1#楼施工单位三房建公司模板类型竹模板拆除部位二层申请日期10.4.16项目经理赵小强参加验收人员杨光、 王富田、 王起明序项 目验收内容( 量化) 其它内容1计划拆模时间10.4.17拆模时有专人( 安 全 员 、 工长) 进行看护, 对违反操作规程和方案的现象及时处2混凝土浇注时间10.3.30送样时间10.4.10报告时间10.4.11混凝下载后可任意编辑试验报告土强度等级理。28天C303混凝土试验单编号HNT10018274拆除时强度305批准意见项目负责人质量技术人员安全技术人员具备拆模条件 年 月 日同意拆模 年 月 日同意拆模 年 月 日备注天津市建设安全监督管理站监制 ( 津建安表 30) 天津市建设工程施工现场安全保证资料模板工程拆...

1、当您付费下载文档后,您只拥有了使用权限,并不意味着购买了版权,文档只能用于自身使用,不得用于其他商业用途(如 [转卖]进行直接盈利或[编辑后售卖]进行间接盈利)。
2、本站所有内容均由合作方或网友上传,本站不对文档的完整性、权威性及其观点立场正确性做任何保证或承诺!文档内容仅供研究参考,付费前请自行鉴别。
3、如文档内容存在违规,或者侵犯商业秘密、侵犯著作权等,请点击“违规举报”。

碎片内容

模板工程拆模申请表样本

确认删除?
VIP
微信客服
  • 扫码咨询
会员Q群
  • 会员专属群点击这里加入QQ群
客服邮箱
回到顶部