电脑桌面
添加小米粒文库到电脑桌面
安装后可以在桌面快捷访问

模板方案打印稿修定样本

模板方案打印稿修定样本_第1页
1/71
模板方案打印稿修定样本_第2页
2/71
模板方案打印稿修定样本_第3页
3/71
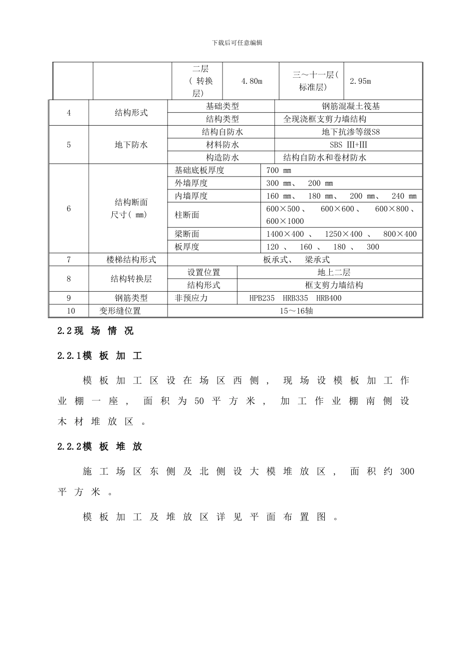
总 参 军 训 和 兵 种 部 一 管 处 经 济 适 用 房 C 栋 ( 27 楼 ) 模 板 工 程 施 工 方 案1. 编 制 依 据序号名称编号1总参军训和兵种部一管处经济适用房 C 栋楼工程设计图纸建防1-5 、 建施1-34结总1 、 结施1-33结防1-12设施1-29、 设防1-7电施1-302总参军训和兵种部一管处经济适用房 C 栋楼工程施工组织设计城乡三 04-10-13地下工程防水技术法律规范GB50108- 4建筑地基基础施工质量验收法律规范GBJ50202- 5混凝土结构工程施工质量验收法律规范GB50204- 6地下防水工程施工及验收法律规范GB50208- 7组合钢模板技术法律规范GB50214- 8建筑工程施工质量验收统一标准GB50300- 9建筑施工高处作业安全技术规程JGJ80-9110建筑安装分项工程施工工艺规程DBJ/T01-26- 11北京市建筑安装工程资料管理规程DBJ 01—51— 12人民防空工程施工及验收法律规范GB134- 13建筑结构长城杯工程质量评审标准DBJ/T01—69— 2. 工 程 概 况2.1 建 筑 设 计 概 况序号项目内容1建筑面积( ㎡) 总建筑面积13589.21m2地 下 每 层 面积1074 m2占地面积3437 m2标准层面积1048 m22层数地下2地上113层 高( m) B14.20m首层( 非标层) 4.50mB23.30m下载后可任意编辑二层( 转换层) 4.80m三~十一层( 标准层) 2.95m4结构形式基础类型钢筋混凝土筏基结构类型全现浇框支剪力墙结构5地下防水结构自防水地下抗渗等级S8材料防水SBS Ⅲ+Ⅲ构造防水结构自防水和卷材防水6结构断面尺寸( ㎜) 基础底板厚度700 ㎜外墙厚度300 ㎜、 200 ㎜内墙厚度160 ㎜、 180 ㎜、 200 ㎜、 240 ㎜柱断面600×500 、 600×600 、 600×800 、 600×1000梁断面1400×400 、 1250×400 、 800×400板厚度120 、 160 、 180 、 3007楼梯结构形式板承式、 梁承式8结构转换层设置位置地上二层结构形式框支剪力墙结构9钢筋类型非预应力HPB235 HRB335 HRB40010变形缝位置15~16轴2.2 现 场 情 况2.2.1模 板 加 工模 板 加 工 区 设 在 场 区 西 侧 , 现 场 设 模 板 加 工 作业 棚 一 座 , 面 积 为 50 平 方 米 , 加 工 作 业 棚 南 侧 设木 材 堆 放 区 。2.2.2模 板 堆 放施 工 场 区 东 侧 及 北 侧 设 大 模 堆 放 区 , 面 积 约 300平 方 米 。模 板 加 工 及 堆 放 区 详 见 平 面 布 置 图 ...

1、当您付费下载文档后,您只拥有了使用权限,并不意味着购买了版权,文档只能用于自身使用,不得用于其他商业用途(如 [转卖]进行直接盈利或[编辑后售卖]进行间接盈利)。
2、本站所有内容均由合作方或网友上传,本站不对文档的完整性、权威性及其观点立场正确性做任何保证或承诺!文档内容仅供研究参考,付费前请自行鉴别。
3、如文档内容存在违规,或者侵犯商业秘密、侵犯著作权等,请点击“违规举报”。

碎片内容

模板方案打印稿修定样本

您可能关注的文档

确认删除?
VIP
微信客服
  • 扫码咨询
会员Q群
  • 会员专属群点击这里加入QQ群
客服邮箱
回到顶部