电脑桌面
添加小米粒文库到电脑桌面
安装后可以在桌面快捷访问

气压爆破技术试验模板

气压爆破技术试验模板_第1页
1/36
气压爆破技术试验模板_第2页
2/36
气压爆破技术试验模板_第3页
3/36
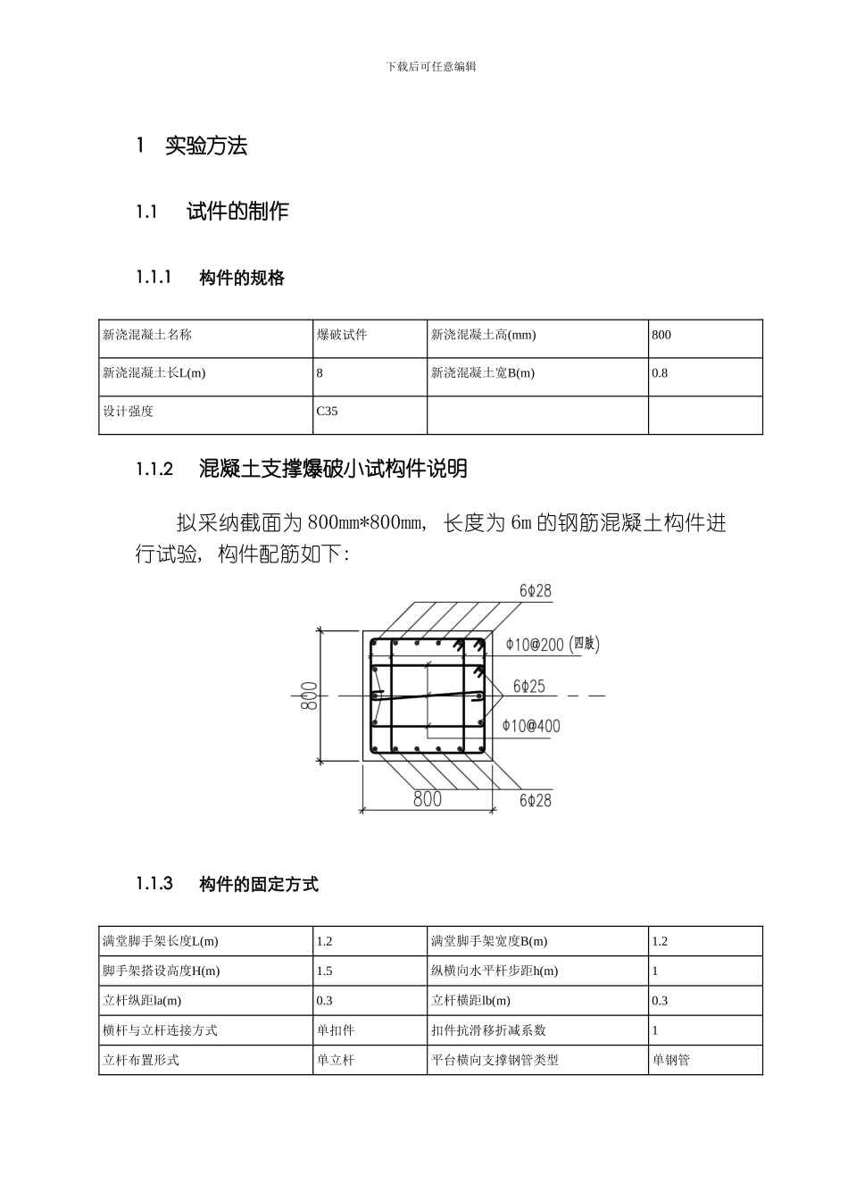
下载后可任意编辑1实验方法1.1试件的制作1.1.1构件的规格新浇混凝土名称爆破试件新浇混凝土高(mm)800新浇混凝土长L(m)8新浇混凝土宽B(m)0.8设计强度C351.1.2混凝土支撑爆破小试构件说明拟采纳截面为 800mm*800mm, 长度为 6m 的钢筋混凝土构件进行试验, 构件配筋如下: 1.1.3构件的固定方式满堂脚手架长度L(m)1.2满堂脚手架宽度B(m)1.2脚手架搭设高度H(m)1.5纵横向水平杆步距h(m)1立杆纵距la(m)0.3立杆横距lb(m)0.3横杆与立杆连接方式单扣件扣件抗滑移折减系数1立杆布置形式单立杆平台横向支撑钢管类型单钢管下载后可任意编辑立柱间纵向钢管支撑根数n0立杆伸出顶层水平杆中心线至支撑点的长度a(m)0.3立杆计算长度系数μ2.176纵向钢管验算方式简支梁横向钢管验算方式简支梁支架设计剖面图1.2试件的爆破1.2.1爆破原理GB 爆破原理类似普通工业炸药。GB 实际上是一种氧化物和还原剂在一定条件下( 电力冲击或者其它受控的激励因素) 发生化学反应并释放气体的化学作用过程。这与工业炸药的化学反应性质完全相同。可是, 工业炸药化学反应的速度比较快, 一般在 30030 米/秒到 5000 米/秒之间, 这个反应速度超过了声音在空气中传播的速度, 因此在空气中的工业炸药爆炸将会产生冲击波。军用炸药化学反应的速度更快, 一般在 5000 米/秒到 9000 米/秒之间, 这个反应速度远远超过工业炸药的爆炸速度, 在空气中军用炸药爆炸产生更加强烈的冲击波和破环效应。GB 爆破药剂性质与工业炸药相同。可是其化学反应的速度较低, 英方资料称 40 米/秒。实际上, 化学反应速度低于空气中声下载后可任意编辑速 340 米/秒的化学药剂在爆破专业上称为”燃烧剂”, 即在空气中的化学反应不产生冲击波。 各种介质内声速的参考值: 真空 0m/s( 也就是不能传播) 空气( 15℃) 340m/s 空气( 25℃) 346m/s 软木 500m/s 煤油( 25℃) 1324m/s 蒸馏水( 25℃) 1497m/s 海水( 25℃) 1531m/s 铜( 棒) 3750m/s 大理石 3810m/s 铝( 棒) 5000m/s 铁( 棒) 5200m/sGB 爆破效果类似静态膨胀剂以及液压劈裂作用效果。由于 GB 药剂在空气中发生化学反应不产生冲击波, 因此, GB爆破效果更类似于物理爆炸或者静态压力造成的效果。GB 爆破原理: GB 药剂在空气中爆破不产生冲击波, 可是, GB 药剂在密闭的空间中发生化学反应, 其反应速度会随着密闭空间压力上升( GB药剂反应产生气体) 而加速。假如 GB 药剂产生的气体压力上...

1、当您付费下载文档后,您只拥有了使用权限,并不意味着购买了版权,文档只能用于自身使用,不得用于其他商业用途(如 [转卖]进行直接盈利或[编辑后售卖]进行间接盈利)。
2、本站所有内容均由合作方或网友上传,本站不对文档的完整性、权威性及其观点立场正确性做任何保证或承诺!文档内容仅供研究参考,付费前请自行鉴别。
3、如文档内容存在违规,或者侵犯商业秘密、侵犯著作权等,请点击“违规举报”。

碎片内容

气压爆破技术试验模板

确认删除?
VIP
微信客服
  • 扫码咨询
会员Q群
  • 会员专属群点击这里加入QQ群
客服邮箱
回到顶部