电脑桌面
添加小米粒文库到电脑桌面
安装后可以在桌面快捷访问

浮桥方案样本

浮桥方案样本_第1页
1/11
浮桥方案样本_第2页
2/11
浮桥方案样本_第3页
3/11
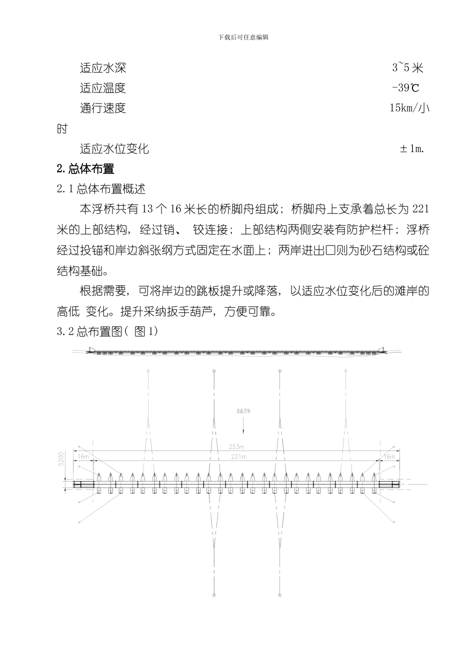
下载后可任意编辑浮桥技 术 规 格 书编制校对审核批准本浮桥用于保障施工车辆、 设备、 物资和人员往来黄河两岸。1.技术参数浮桥总长 220 米车行道宽度 4 米桥脚舟主尺寸 16×3×1.2 米桥面板主尺寸 17×2.4×0.5米设计荷载: 30 吨适应流速 1.5 米/秒下载后可任意编辑适应水深 3~5 米适应温度 -39℃通行速度 15km/小时适应水位变化 ±1m. 2.总体布置2.1 总体布置概述本浮桥共有 13 个 16 米长的桥脚舟组成; 桥脚舟上支承着总长为 221米的上部结构, 经过销、 铰连接; 上部结构两侧安装有防护栏杆; 浮桥经过投锚和岸边斜张纲方式固定在水面上; 两岸进出口则为砂石结构或砼结构基础。根据需要, 可将岸边的跳板提升或降落, 以适应水位变化后的滩岸的高低 变化。提升采纳扳手葫芦, 方便可靠。 3.2 总布置图( 图 1) 下载后可任意编辑图 1a: 浮桥总布置图 1b: 岸边局部图图 1a: 横断面图4.基本组成本浮桥由河中部分、 连岸部分、 水平固定系统以及辅助器材所组成。4.1 河中部分河中部分由 11 个河中门桥所组成。总长 187m。每个河中门桥由两个承压舟、 两个桥面板 2 套负桁支座和固定螺杆组成。每个河中门桥长度为 17 米, 宽 16m, 重约 36.87 吨。下载后可任意编辑图 2: 河中门桥4.1.1 承压舟承压舟由甲板、 底板、 侧板和端板组成, 主尺寸为 16m×3m×1.2m, 重约 13.33 吨, 主要材料采纳 Q345E。桥脚舟上放置有带缆桩、 人力绞盘、 固定桥面板的紧定装置。承压舟明细配套详见附表 1。图 3: 桥脚舟负桁支座总成负桁支座总成由支座及连接螺杆所组, 支座安装在桥脚舟甲板上, 支承并固定桥跨( 经过连接螺杆) , 将荷载及上部结构自重传递给桥脚舟。4.1.2 桥面板桥面板为 π 型结构, 主尺寸为 17×2.6×0.4m, 重约 5.1 吨。每个桥面板主要由面板、 主纵桁、 纵横梁、 支撑系梁以及纵向连接接头等组成。桥面板之间经过安装在两端的纵向连接接头( 包括单双耳及插销) 连接。下载后可任意编辑图 4: 桥面板4.1.3 栏杆图 5: 栏杆4.2 连岸部分连岸部分由 2 个提升装置和 2 个岸边门桥、 4 个跳板所组成。总长( 共两侧) 46m。图 6: 连岸部分下载后可任意编辑4.2.1 岸边门桥每个岸边门桥由 3 个承压舟、 2 个桥面板和 3 套负桁支座和固定螺杆组成。每个岸边门桥长度为 17 米, 宽 16m, 重约 51.1 吨。图 7: 岸边门桥4.2.2跳板...

1、当您付费下载文档后,您只拥有了使用权限,并不意味着购买了版权,文档只能用于自身使用,不得用于其他商业用途(如 [转卖]进行直接盈利或[编辑后售卖]进行间接盈利)。
2、本站所有内容均由合作方或网友上传,本站不对文档的完整性、权威性及其观点立场正确性做任何保证或承诺!文档内容仅供研究参考,付费前请自行鉴别。
3、如文档内容存在违规,或者侵犯商业秘密、侵犯著作权等,请点击“违规举报”。

碎片内容

浮桥方案样本

确认删除?
VIP
微信客服
  • 扫码咨询
会员Q群
  • 会员专属群点击这里加入QQ群
客服邮箱
回到顶部