电脑桌面
添加小米粒文库到电脑桌面
安装后可以在桌面快捷访问

湖北省建筑检测收费标准样本

湖北省建筑检测收费标准样本_第1页
1/33
湖北省建筑检测收费标准样本_第2页
2/33
湖北省建筑检测收费标准样本_第3页
3/33
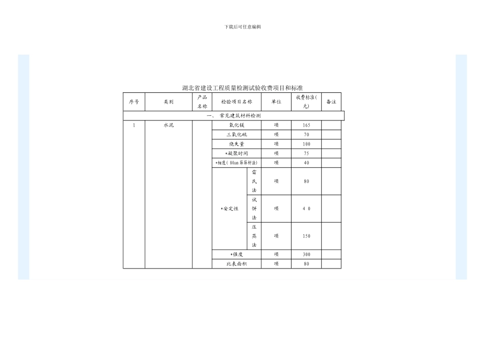
下载后可任意编辑湖北省物价局、 省建设厅关于印发湖北省建设工程质量检测试验收费项目及标准的通知『文件编号』: 鄂价房服[ ]254 号『发文日期』: -11-18各市、 州、 省直管市及神农架林区物价局、 建设局( 建委) : 8 月 21 日, 省物价局、 省建设厅制定了《湖北省建设工程质量检测试验收费项目和标准》( 鄂价房服[ ]228 号) 。该项收费试行一年来, 对促进建设工程质量检测事业进展超到积极作用。为法律规范建设工程质量检测试验收费行为, 我们在征求各地意见基础上, 重新制定了湖北省建设工程质量检测试验收费项目和标准, 现印发给你们, 并就有关问题通知如下: 一、 凡在我省范围内取得各类建设工程质量检测技术资格的检测单位 , 接受委托, 开展建设工程质量检测试验服务时, 可按《湖北省建设工程质量检测试验收费项目和标准》( 见附件二) 规定的收费项目和标准执行。二、 建设工程质量检测试验收费属重要的经营服务性收费, 实行政府定价, 各地必须严格执行。建设工程质量检测试验收费单位应与委托方根据自愿互利、 有偿服务、 合理收(付)费的原则, 签订服务合同。三、 为使检测工作正常开展, 保证工程质量, 根据我省经济进展实际, 对一些偏远贫困地区( 见附件一) , 其检测收费( 不包括地基基础检测、 水电检测、 沉降观测、 非破损检测、 室内环境检测等专业检测) 可按工程总造价取费, 框架结构按总造价( 结构主体) 的 0.7%取费, 砖混结构按总造价( 结构主体) 的 0.5%取费。四、 未列入标准的新材料检测试验收费项目及标准暂委托当地价格主管部门制定, 并报省备案。如委托方有特别要求的, 收费标准由双方另行协商。下载后可任意编辑五、 建设工程质量检测试验收费使用税务发票, 并依法纳税。收费单位应自觉接受价格主管部门的年度审验和监督检查。六、 凡只收费不提供相关的技术服务, 违反规定标准收费的, 均属乱收费行为, 由价格主管部门依法查处。附件一: 《湖北省建设工程质量检测试验收费项目和标准》编制说明附件二: 《湖北省建设工程质量检测试验收费项目和标准》附件一:《湖北省建设工程质量检测试验收费项目和标准》编制说明一、 建设工程质量检测试验收费标准包括材料费、 水电燃料费、 仪器设备检定费、 折旧维修费、 检测用房维修费、 人工工资、 管理费、 人员培训费、 办公费、 税费( 不包括交通费、 重型设备进出场费、 现场检测配合费) ...

1、当您付费下载文档后,您只拥有了使用权限,并不意味着购买了版权,文档只能用于自身使用,不得用于其他商业用途(如 [转卖]进行直接盈利或[编辑后售卖]进行间接盈利)。
2、本站所有内容均由合作方或网友上传,本站不对文档的完整性、权威性及其观点立场正确性做任何保证或承诺!文档内容仅供研究参考,付费前请自行鉴别。
3、如文档内容存在违规,或者侵犯商业秘密、侵犯著作权等,请点击“违规举报”。

碎片内容

湖北省建筑检测收费标准样本

您可能关注的文档

津创媒+ 关注
实名认证
内容提供者

欢迎交流文创,小店资料希望满足您的需要。

确认删除?
VIP
微信客服
  • 扫码咨询
会员Q群
  • 会员专属群点击这里加入QQ群
客服邮箱
回到顶部