电脑桌面
添加小米粒文库到电脑桌面
安装后可以在桌面快捷访问

盲板规格尺寸

盲板规格尺寸_第1页
1/3
盲板规格尺寸_第2页
2/3
盲板规格尺寸_第3页
3/3
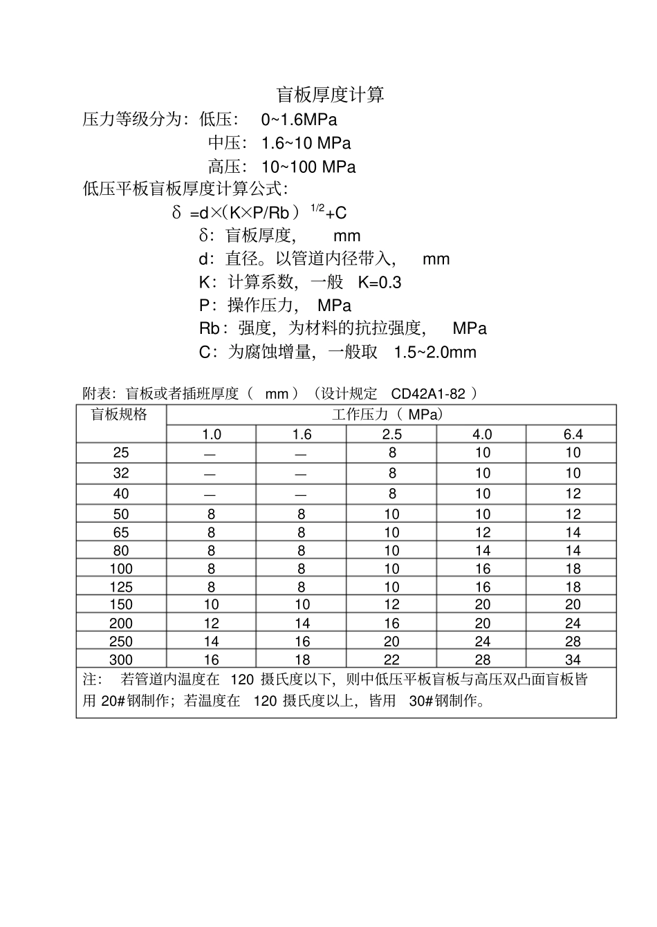
盲板尺寸Pg=1K G Pg=2.5 K GPg=6K GPg=10K GPg=16K GPg=25K GDg=10 Φ 35 Φ 35 Φ 35 Φ 40 Φ 40 Dg=15 Φ 40 Φ 40 Φ 40 Φ 45 Φ 45 Dg=20 Φ 50 Φ 50 Φ 50 Φ 58 Φ 58 Dg=25 Φ 60 Φ 60 Φ 60 Φ 68×6Φ 68×6Dg=32 Φ 70 Φ 70 Φ 70×6Φ 78×6Φ 78×6Dg=40 Φ 80×6Φ 80×6Φ 80×6Φ 88×6Φ 88×6Dg=50 Φ 90×6Φ 90×6Φ 90×6Φ 102×6Φ 102×6Dg=65 Φ 110× 6Φ 110× 6Φ 110×6Φ 122×6Φ 122×6Dg=80 Φ 128× 6Φ 128× 6Φ 128×6Φ 138×6Φ 138×6Dg=100 Φ 148× 6Φ 148× 6Φ 148×6Φ 158×6Φ 158×6Φ 162×6Dg=125 Φ 178× 8Φ 178× 8Φ 178×8Φ 188×8Φ 188×8Φ 188×8Dg=150 Φ 202× 10Φ 202× 10Φ 202×10Φ 212×10Φ 212×10Φ 218×10Dg=175 Φ 232× 10Φ 232× 10Φ 232×10Φ 242×10Φ 242×10Φ 248×10Dg=200 Φ 258× 12Φ 258× 12Φ 258×12Φ 268×12Φ 268×12Φ 278×12Dg=225 Φ 282× 12Φ 282× 12Φ 282×12Φ 295×12Φ 295×12Φ 305×18Dg=250 Φ 312× 12Φ 312× 12Φ 312×12Φ 320×12Φ 320×12Φ 335×18Dg=300 Φ 365× 12Φ 365× 12Φ 365×12Φ 370×14Φ 378×14Φ 390×18Dg=350 Φ 415× 12Φ 415× 12Φ 415×12Φ 430×14Φ 438×18Φ 450×20Dg=400 Φ 465× 12Φ 465× 12Φ 465×16Φ 482×18Φ 496×20Φ 505×20Dg=450 Φ 520× 12Φ 520× 12Φ 520×18Φ 532×20Φ 550×20Φ 555×24Dg=500 Φ 570× 16Φ 570× 18Φ 570×20Φ 585×20Φ 610×24Φ 615×24Dg=600 Φ 670× 18Φ 670× 18Φ 670×24Φ 685×24Φ 720×24Dg=700 Φ 775× 18Φ 775× 18Φ 775×24Dg=800 Φ 880Φ 880Φ 880Dg=1000 Φ 1080×20Φ1080 ×20Φ1080 ×20Dg=1200 Φ 1280×20Φ1280 ×20Φ1280 ×201:如无特殊情况,盲板材质选用A32:表中部分厚度为经验值,仅供参考盲板厚度计算压力等级分为:低压: 0~1.6MPa 中压: 1.6~10 MPa 高压: 10~100 MPa 低压平板盲板厚度计算公式:δ =d×(K×P/Rb ) 1/2+C δ:盲板厚度,mm d:直径。以管道内径带入,mm K:计算系数,一般K=0.3 P:操作压力, MPa Rb:强度,为...

1、当您付费下载文档后,您只拥有了使用权限,并不意味着购买了版权,文档只能用于自身使用,不得用于其他商业用途(如 [转卖]进行直接盈利或[编辑后售卖]进行间接盈利)。
2、本站所有内容均由合作方或网友上传,本站不对文档的完整性、权威性及其观点立场正确性做任何保证或承诺!文档内容仅供研究参考,付费前请自行鉴别。
3、如文档内容存在违规,或者侵犯商业秘密、侵犯著作权等,请点击“违规举报”。

碎片内容

盲板规格尺寸

确认删除?
VIP
微信客服
  • 扫码咨询
会员Q群
  • 会员专属群点击这里加入QQ群
客服邮箱
回到顶部