电脑桌面
添加小米粒文库到电脑桌面
安装后可以在桌面快捷访问

石油地面工程设计方案书文件编制规程

石油地面工程设计方案书文件编制规程_第1页
1/3
石油地面工程设计方案书文件编制规程_第2页
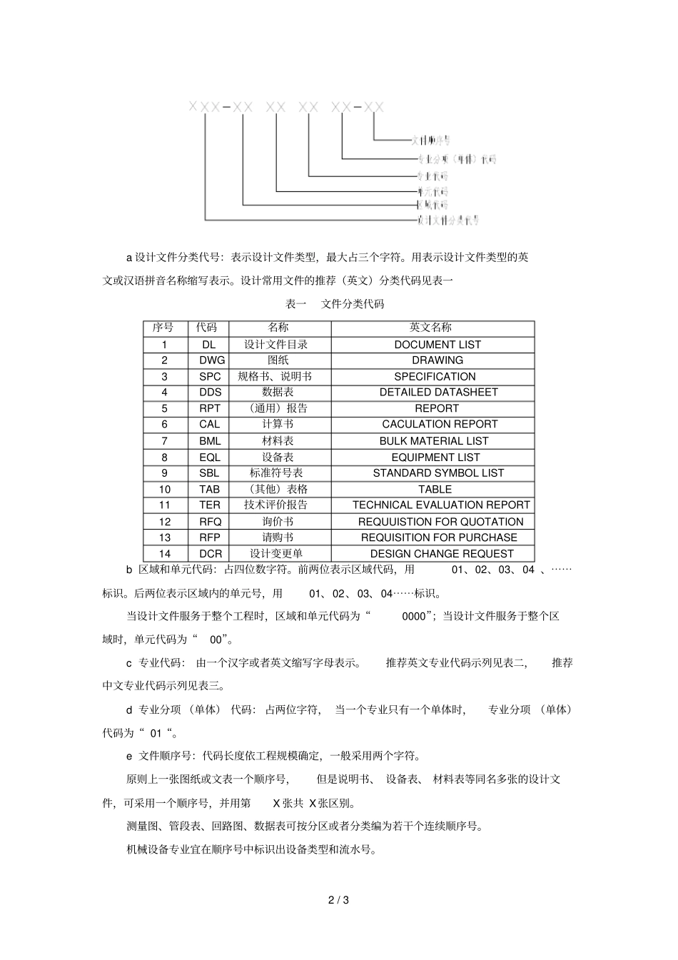
2/3
石油地面工程设计方案书文件编制规程_第3页
3/3
1 / 3 石油地面工程设计文件编制规程(SY/T0009-2004 )代替 SY/T0009-93 1、适用范围:适用于石油地面工程设计文件的编制,涉外工程可参照执行。本标准规定了石油地面工程设计的前期工作(以下简称设计前期) 、初步设计(基本设计) 、施工图设计 (详细设计)、标准设计等文件编制的格式和基本要求。2、设计文件编号系统1)工程项目编号(1)为了便于工程设计文件管理,每个设计项目应安排一个工程项目的设计编号 (简称项目号)。项目号是工程项目的特定标识,应保持其唯一性。(2)项目号宜包括如下内容:工程项目号:工程项目号中各部分(代号)的使用应满足下列规定:a 单位标识代号:项目设计单位标识应具有唯一性,一般不超过五个字符。b 项目设计阶段代号:PP表示规划阶段, FS 表示可研, CD表示概念设计, BD表示初步设计(基本设计) ,DD表示施工图设计(详细设计). 另外, BI 表示工程投标阶段。c 项目年号:用两个阿拉伯数字表示项目设计起动年份。如2001 年、 2008 年起动的项目,项目年号分别用01、08 表示。d 项目年流水号:使用三个阿拉伯数字。(3)同一工程各设计阶段的项目号应在项目设计阶段代号上加以区别,项目年号、项目流水号宜统一采用工程设计第一次启动时的编号。2)设计文件编号(1)设计文件(图纸和文表)必须逐张、逐页进行编号,简称文件号。(2)文件号的基本格式如下:2 / 3 a 设计文件分类代号:表示设计文件类型,最大占三个字符。用表示设计文件类型的英文或汉语拼音名称缩写表示。设计常用文件的推荐(英文)分类代码见表一表一文件分类代码序号代码名称英文名称1 DL 设计文件目录DOCUMENT LIST 2 DWG 图纸DRAWING 3 SPC 规格书、说明书SPECIFICATION 4 DDS 数据表DETAILED DATASHEET 5 RPT (通用)报告REPORT 6 CAL 计算书CACULATION REPORT 7 BML 材料表BULK MATERIAL LIST 8 EQL 设备表EQUIPMENT LIST 9 SBL 标准符号表STANDARD SYMBOL LIST 10 TAB (其他)表格TABLE 11 TER 技术评价报告TECHNICAL EVALUATION REPORT 12 RFQ 询价书REQUUISTION FOR QUOTATION 13 RFP 请购书REQUISITION FOR PURCHASE 14 DCR 设计变更单DESIGN CHANGE REQUEST b 区域和单元代码:占四位数字符。前两位表示区域代码,用01、02、03、04 、⋯⋯标识。后两位表示区域内的单元号,用01、02、03、04⋯⋯标识。当设计文件服...

1、当您付费下载文档后,您只拥有了使用权限,并不意味着购买了版权,文档只能用于自身使用,不得用于其他商业用途(如 [转卖]进行直接盈利或[编辑后售卖]进行间接盈利)。
2、本站所有内容均由合作方或网友上传,本站不对文档的完整性、权威性及其观点立场正确性做任何保证或承诺!文档内容仅供研究参考,付费前请自行鉴别。
3、如文档内容存在违规,或者侵犯商业秘密、侵犯著作权等,请点击“违规举报”。

碎片内容

石油地面工程设计方案书文件编制规程

您可能关注的文档

确认删除?
VIP
微信客服
  • 扫码咨询
会员Q群
  • 会员专属群点击这里加入QQ群
客服邮箱
回到顶部