电脑桌面
添加小米粒文库到电脑桌面
安装后可以在桌面快捷访问

砼组成材料标准讲解

砼组成材料标准讲解_第1页
1/8
砼组成材料标准讲解_第2页
2/8
砼组成材料标准讲解_第3页
3/8
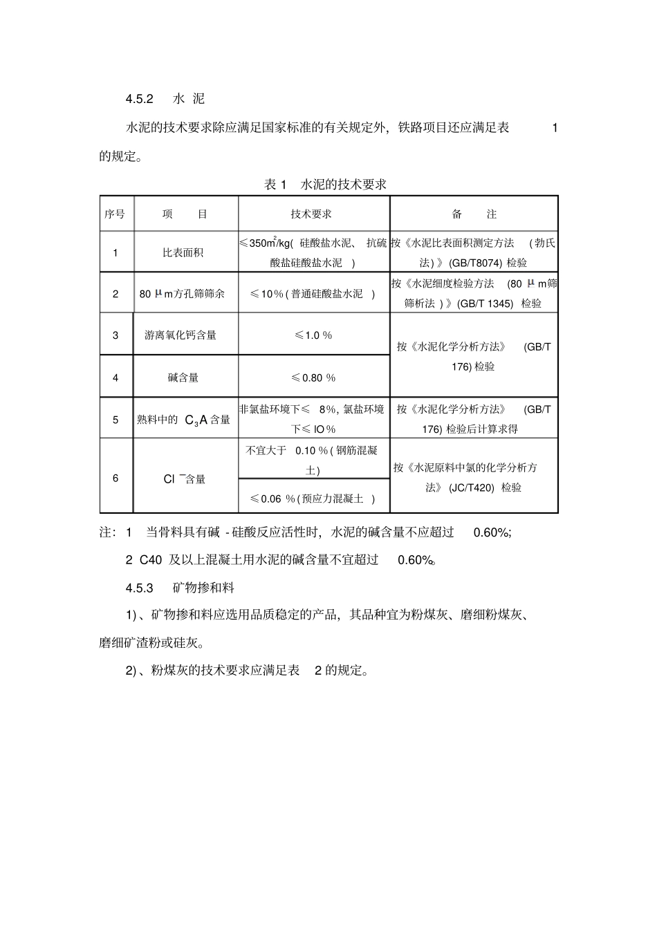
4.5.2 水 泥水泥的技术要求除应满足国家标准的有关规定外,铁路项目还应满足表1的规定。表 1 水泥的技术要求序号项目技术要求备注1 比表面积≤350m2/kg( 硅酸盐水泥、 抗硫酸盐硅酸盐水泥) 按《水泥比表面积测定方法( 勃氏法) 》(GB/T8074) 检验2 80m方孔筛筛余≤10%( 普通硅酸盐水泥) 按《水泥细度检验方法(80m筛筛析法 ) 》(GB/T 1345) 检验3 游离氧化钙含量≤1.0 %按《水泥化学分析方法》(GB/T 176) 检验4 碱含量≤0.80 %5 熟料中的AC3含量非氯盐环境下≤8%,氯盐环境下≤ lO%按《水泥化学分析方法》(GB/T 176) 检验后计算求得6 Cl含量不宜大于0.10 %( 钢筋混凝土) 按《水泥原料中氯的化学分析方法》 (JC/T420) 检验≤0.06 %(预应力混凝土 ) 注: 1 当骨料具有碱 - 硅酸反应活性时,水泥的碱含量不应超过0.60%;2 C40 及以上混凝土用水泥的碱含量不宜超过0.60%。4.5.3 矿物掺和料1) 、矿物掺和料应选用品质稳定的产品,其品种宜为粉煤灰、磨细粉煤灰、磨细矿渣粉或硅灰。2) 、粉煤灰的技术要求应满足表2 的规定。表 2 粉煤灰的技术要求序号名称技术要求备注C50以下混凝土C50 及以上混凝土1 细度 ( %) ≤20 ≤12 按《用于水泥和混凝土中的粉煤灰》(GB/T1596) 检验2 Cl含量 (%) 不宜大于0.02 按《水泥原料中氯的化学分析方法》(JC/T420) 检验3 需水量比 (%) ≤105 ≤100 按《用于水泥和混凝士中的粉煤灰》(GB/T1596) 检验4 烧失量 ( %) ≤5.0 ≤3.0 按《水泥化学分析方法》(GB/T 176) 检验5 含水率 ( %) ≤1.0( 对干排灰而言 ) 按《用于水泥和混凝土中的粉煤灰》(GB/T1596) 检验6 S03含量 ( %) ≤3 按《水泥化学分析方法》(GB/T176) 检验7 CaO含量 (%) ≤10( 对于硫酸盐侵蚀环境) 3) 、磨细矿渣粉的技术要求应满足表3 的规定。表 3 磨细矿渣粉的技术要求序号名称技术要求备注1 MgO 含量 (%) ≤14 按《水泥化学分析方法》(GB/T176) 检验2 3SO 含量 ( %) ≤4 3 烧失量 ( %) ≤3 4 Cl含量 ( %) 不宜大于 0.02 按《水泥原料中氯的化学分析方法》(JC/T420) 检验5 比表面积 (m2/kg) 350~500 按( 水泥比表面积测定方法( 勃氏法 ) 》[GB/T8074] 检验6 需水量比 ( %) ≤100 按《高强高性能混凝土用矿物外加剂》(GB/T18736) 检验7 含水率 ( %) ≤1.0 按《用于水泥和混凝土中的粒...

1、当您付费下载文档后,您只拥有了使用权限,并不意味着购买了版权,文档只能用于自身使用,不得用于其他商业用途(如 [转卖]进行直接盈利或[编辑后售卖]进行间接盈利)。
2、本站所有内容均由合作方或网友上传,本站不对文档的完整性、权威性及其观点立场正确性做任何保证或承诺!文档内容仅供研究参考,付费前请自行鉴别。
3、如文档内容存在违规,或者侵犯商业秘密、侵犯著作权等,请点击“违规举报”。

碎片内容

砼组成材料标准讲解

您可能关注的文档

确认删除?
VIP
微信客服
  • 扫码咨询
会员Q群
  • 会员专属群点击这里加入QQ群
客服邮箱
回到顶部