电脑桌面
添加小米粒文库到电脑桌面
安装后可以在桌面快捷访问

社会单位消防安全评价表

社会单位消防安全评价表_第1页
1/5
社会单位消防安全评价表_第2页
2/5
社会单位消防安全评价表_第3页
3/5
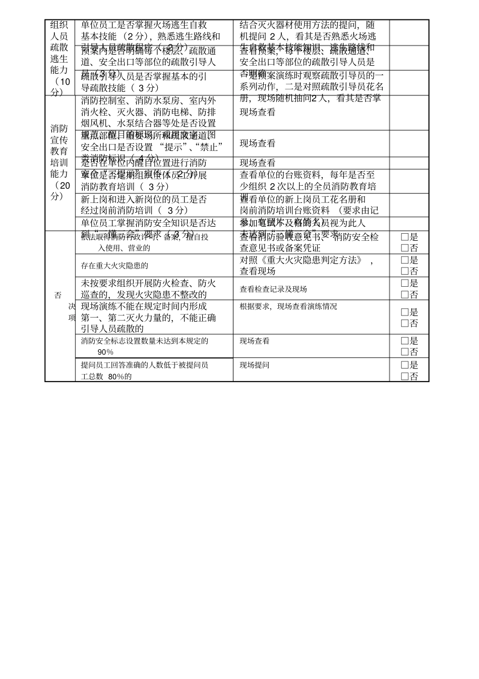
社会单位消防安全评估表单位名称林口县鑫城国际购物广场有限公司行政区域黑龙江省牡丹江市林口县单位地址林口县文政大街和平路1 号联系电话消防安全责任人联系电话消防安全管理人联系电话单位类型□宾馆饭店√商场市场□公共娱乐场所□医院、养老院、福利院、幼儿园□仓储物流单位□小场所□学校□易燃易爆场所□社区□其他概述商场面积 60000 ㎡、建筑 4 层、建筑总高 18 米、已设置消防栓 78 个、灭火器 135 具、日常消防设备设施定期检查、未发生过火灾事故、无消防违法行为,员工掌握消除火灾火情的基本方法,具有防范意识。评估内容评估方法得分检查消除火灾隐患能力(40分)单位是否确定重点岗位人员,确定或变更情况及时申报备案(2 分)查看相关文件或证件,看是否确定消防安全责任人、消防安全管理人、消防控制室操作人员。单位是否明确本单位每个岗位的消防安全责任( 1 分)并落实员工熟悉掌握( 1 分)抽查 1 名具体负责消防安全的保安部经理、2 名保安、2 名消防控制室值班人员、1 名餐厅厨师、4 名普通工作人员统一集中笔试,了解明确落实岗位消防责任情况。无相应岗位人员的由普通工作人员补充,单位不满 10 人的,全数参加笔试。笔试不合格认定为该员工未明确单位员工岗位消防责任。单位是否制定检查制度( 2 分)和巡查制度( 2 分)查看单位是否制定防火检查制度、日巡查制度单位是否每月组织实施防火检查(3 分),并完整填写防火检查记录(3 分)查看单位的月防火检查记录台账资料,要求消防安全责任人或消防安全管理人每月组织一次检查并签字。单位员工是否在班前、 班后进行检查( 2 分)查看单位的班前班后检查记录本,是否按要求开展检查并签字确认单位是否落实巡查责任及时发现火灾隐患(2 分), 并完整填写防火巡查记录( 2 分)查看单位的日防火巡查记录本填写是否规范单位是否实施年度消防设施检测(2 分),消防设施是否实施维护保养( 2 分)查看单位是否有检测机构出具的年度消防设施检测报告和维保单位出具的维护保养记录检查巡查中发现的火灾隐患是否及时整改 (3 分), 整改期内的火灾隐患是否制定整改计划 (3 分);现场检查发现未列入整改计划的一般隐患,每处扣 2 分,最多扣 10分。存在以下隐患之一的,直接扣10对照检查记录中发现的问题, 查看现场,看隐患是否得到整改; 尚未整改完毕的,是否制定整改计划,落实整改措施;一般隐患指的是应急灯损坏、...

1、当您付费下载文档后,您只拥有了使用权限,并不意味着购买了版权,文档只能用于自身使用,不得用于其他商业用途(如 [转卖]进行直接盈利或[编辑后售卖]进行间接盈利)。
2、本站所有内容均由合作方或网友上传,本站不对文档的完整性、权威性及其观点立场正确性做任何保证或承诺!文档内容仅供研究参考,付费前请自行鉴别。
3、如文档内容存在违规,或者侵犯商业秘密、侵犯著作权等,请点击“违规举报”。

碎片内容

社会单位消防安全评价表

您可能关注的文档

爱的疯狂+ 关注
实名认证
内容提供者

该用户很懒,什么也没介绍

确认删除?
VIP
微信客服
  • 扫码咨询
会员Q群
  • 会员专属群点击这里加入QQ群
客服邮箱
回到顶部