电脑桌面
添加小米粒文库到电脑桌面
安装后可以在桌面快捷访问

框构桥施工技术交底样本

框构桥施工技术交底样本_第1页
1/8
框构桥施工技术交底样本_第2页
2/8
框构桥施工技术交底样本_第3页
3/8
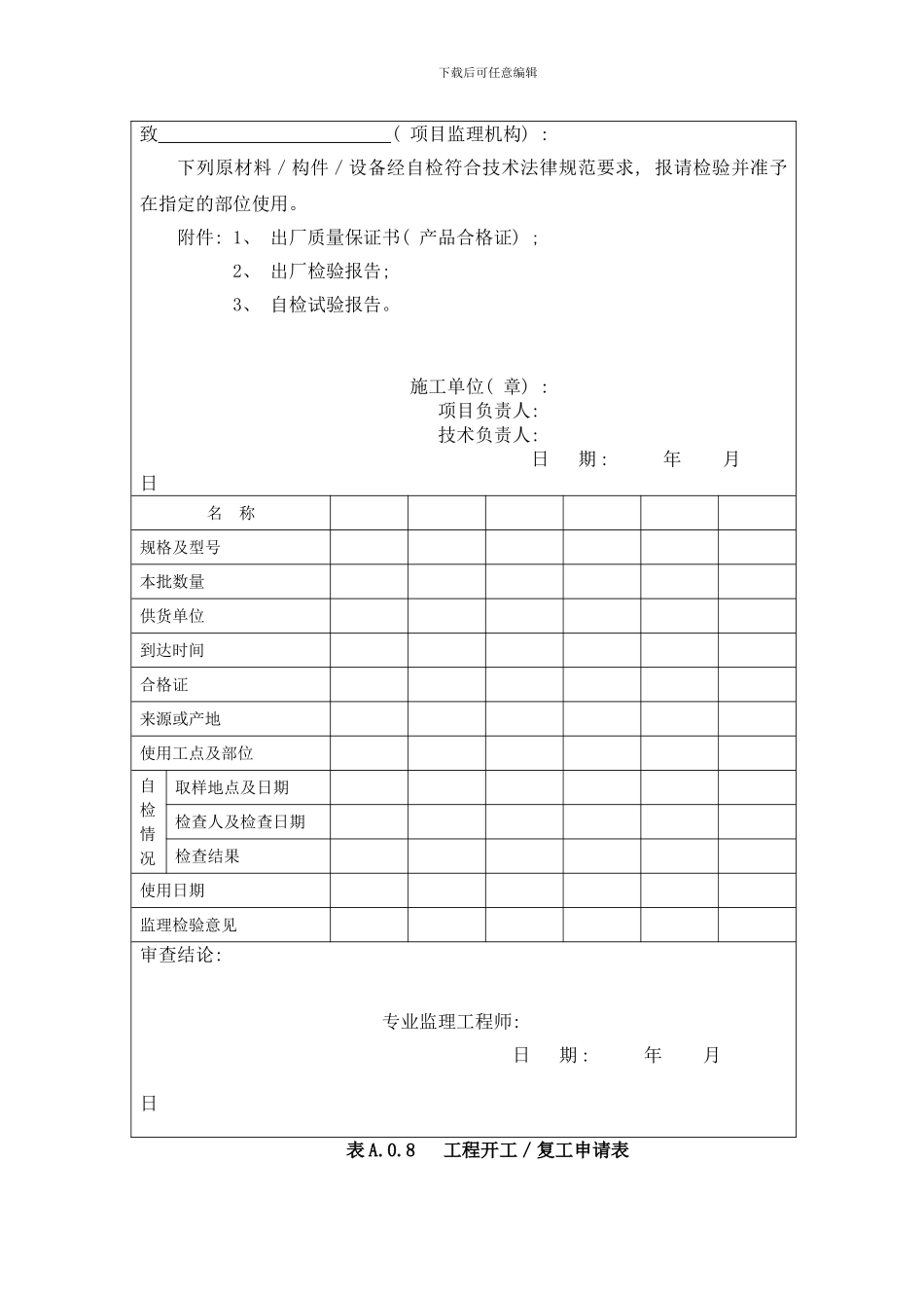
下载后可任意编辑表 A.0.5 主要进场人员报审表工程项目名称: 施工合同段: 编号: 致 ( 项目监理机构) : 下列人员已进场, 并满足合同约定, 请予以审查。附: 人员资格证明复印件。施工单位( 章) : 项目部负责人: 日 期: 年 月 日序号姓名性别出生 年月职务/职称学历专业专业 年限备注审查结论: 专业监理工程师: 日 期: 年 月 日表 A.0.6 进场施工机械、 设备报验表下载后可任意编辑工程项目名称: 施工合同段: 编号: 致 ( 项目监理机构) : 下列施工机械、 设备按合同约定已进场, 并经我方检查, 能满足工程施工需要, 请审验签证并准予使用施工单位( 章) : 项目部负责人: 日 期: 年 月 日序号机械设备 名称规格 及型号数量技术状态进场日期使用 工点备注审查结论: 专业监理工程师: 日 期: 年 月 日表 A.0.7 进场材料/构配件/设备报验表工程项目名称: 施工合同段: 编号: 下载后可任意编辑致 ( 项目监理机构) : 下列原材料/构件/设备经自检符合技术法律规范要求, 报请检验并准予在指定的部位使用。附件: 1、 出厂质量保证书( 产品合格证) ; 2、 出厂检验报告; 3、 自检试验报告。施工单位( 章) : 项目负责人: 技术负责人: 日 期 : 年 月 日名 称规格及型号本批数量供货单位到达时间合格证来源或产地使用工点及部位自检情况取样地点及日期检查人及检查日期检查结果使用日期监理检验意见审查结论: 专业监理工程师: 日 期 : 年 月 日表 A.0.8 工程开工/复工申请表下载后可任意编辑工程项目名称: 施工合同段: 编号: 工程名称( 单位、 分部) 里程部位申请开工/复工日期计划工期致 ( 项目监理机构) : 我方承担的 工程, 已完成各项准备工作, 具备了开工/复工条件, 特此申请施工, 请核查并签发开工/复工指令。附: 1、 开工/复工报告; 2、 证明文件。施工单位( 章) : 项目负责人: 日 期 : 年 月 日项目监理机构意见: 项目监理机构( 章) : 总监理工程师: 日 期 : 年 月 日建设单位意见( 需要时) : 建设单位( 章) : 负责人: 下载后可任意编辑日 期 : 年 月 日 表 A.0.9 施工现场质量管理检查记录工程项目名称: 施工合同段: 编号: 单位工程名称开工日期建设单位项目负责人设计单位项目负责人监理单位总监理工程师施工单位项目负责人项目技术负责人序号项 目内容1开工报告2现场质量管理制度3质量...

1、当您付费下载文档后,您只拥有了使用权限,并不意味着购买了版权,文档只能用于自身使用,不得用于其他商业用途(如 [转卖]进行直接盈利或[编辑后售卖]进行间接盈利)。
2、本站所有内容均由合作方或网友上传,本站不对文档的完整性、权威性及其观点立场正确性做任何保证或承诺!文档内容仅供研究参考,付费前请自行鉴别。
3、如文档内容存在违规,或者侵犯商业秘密、侵犯著作权等,请点击“违规举报”。

碎片内容

框构桥施工技术交底样本

确认删除?
VIP
微信客服
  • 扫码咨询
会员Q群
  • 会员专属群点击这里加入QQ群
客服邮箱
回到顶部