电脑桌面
添加小米粒文库到电脑桌面
安装后可以在桌面快捷访问

铝模板工程专项施工方案培训资料

铝模板工程专项施工方案培训资料_第1页
1/56
铝模板工程专项施工方案培训资料_第2页
2/56
铝模板工程专项施工方案培训资料_第3页
3/56
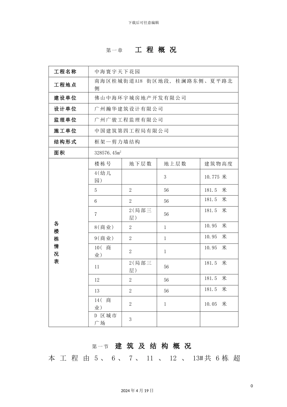
下载后可任意编辑铝模板工程专项施工方案培训资料12024 年 4 月 19 日下载后可任意编辑第一章工 程 概 况工程名称中海寰宇天下花园工程地点南海区桂城街道A18 街区地段, 桂澜路东侧、夏平路北侧建设单位佛山中海环宇城房地产开发有限公司设计单位广州瀚华建筑设计有限公司监理单位广州广骏工程监理有限公司施工单位中国建筑第四工程局有限公司结构形式框架—剪力墙结构面积328576.45m2各楼栋情况表楼栋号地下层数地上层数建筑物高度4(幼儿园)310.775 米5256181.5米6256181.5米72(局部三层)56181.5米8(商业)2110.95米9(商业)2110.95米10( 商业)2110.95米112(局部三层)56181.5米12256181.5米13256181.5米14( 商业)2110.05米D 区城市广场3第一节 建 筑 及 结 构 概 况本 工 程 由 5 、 6 、 7 、 11 、 12 、 13# 共 6 栋 超02024 年 4 月 19 日下载后可任意编辑高 层 、 4 栋 配 套 商 业 楼 、 1 栋 幼 儿 园 及 其 地下 室 和 城 市 广 场 组 成 , 其 中 地 下 部 分 二 层 ,负 二 层 3.5 米 , 负 一 层 5.6 米 , 城 市 广 场 为 地 下三 层 。 地 上 部 分 超 高 层 56 层 , 标 准 层 层 高 为3 米 , 建 筑 物 高 度 为 181.5米 。塔 楼 部 分 均 采 纳 剪 力 墙 结 构 体 系 , 裙 楼 部分 采 纳 框 架 架 构 体 系 , 各 栋 塔 楼 及 地 库 均 采纳 旋 挖 桩 桩 基 础 。第二节 工 程 地 质 及 水 文 概 况本 工 程 自 上 而 下 的 场 地 分 别 为 : 填 土 层 、粉 细 沙 层 、 粉 质 粘 土 、 强 风 化 岩 及 中 风 化岩 , 其 中 强 风 化 岩 和 中 风 化 岩 用 作 为 旋 挖 灌注 桩 的 持 力 层 ,qpa=1000~1500KPa 。 地 下 水 对 钢 筋混 凝 土 结 构 具 微 腐 蚀 性 , 对 钢 筋 混 凝 土 结 构中 钢 筋 具 微 腐 蚀 性 。环 境 类 别 : 本 工 程 地 下 室 底 板 、 外 壁 板 、水 池 底 板 及 壁 板 为 二 a 类 ; 地 下 室 顶 板 为 二 b类 ; 屋 面 楼 板 及 立 面 所 有 外 露 的 结 构 面 为 二b 类 , 但 考 虑 防 水 饰 面 的 保 护 作 用 , 可 按 二 a类 取 值 ; 其 ...

1、当您付费下载文档后,您只拥有了使用权限,并不意味着购买了版权,文档只能用于自身使用,不得用于其他商业用途(如 [转卖]进行直接盈利或[编辑后售卖]进行间接盈利)。
2、本站所有内容均由合作方或网友上传,本站不对文档的完整性、权威性及其观点立场正确性做任何保证或承诺!文档内容仅供研究参考,付费前请自行鉴别。
3、如文档内容存在违规,或者侵犯商业秘密、侵犯著作权等,请点击“违规举报”。

碎片内容

铝模板工程专项施工方案培训资料

您可能关注的文档

确认删除?
VIP
微信客服
  • 扫码咨询
会员Q群
  • 会员专属群点击这里加入QQ群
客服邮箱
回到顶部