电脑桌面
添加小米粒文库到电脑桌面
安装后可以在桌面快捷访问

静力压入沉桩法打桩施工组织设计模板

静力压入沉桩法打桩施工组织设计模板_第1页
1/19
静力压入沉桩法打桩施工组织设计模板_第2页
2/19
静力压入沉桩法打桩施工组织设计模板_第3页
3/19
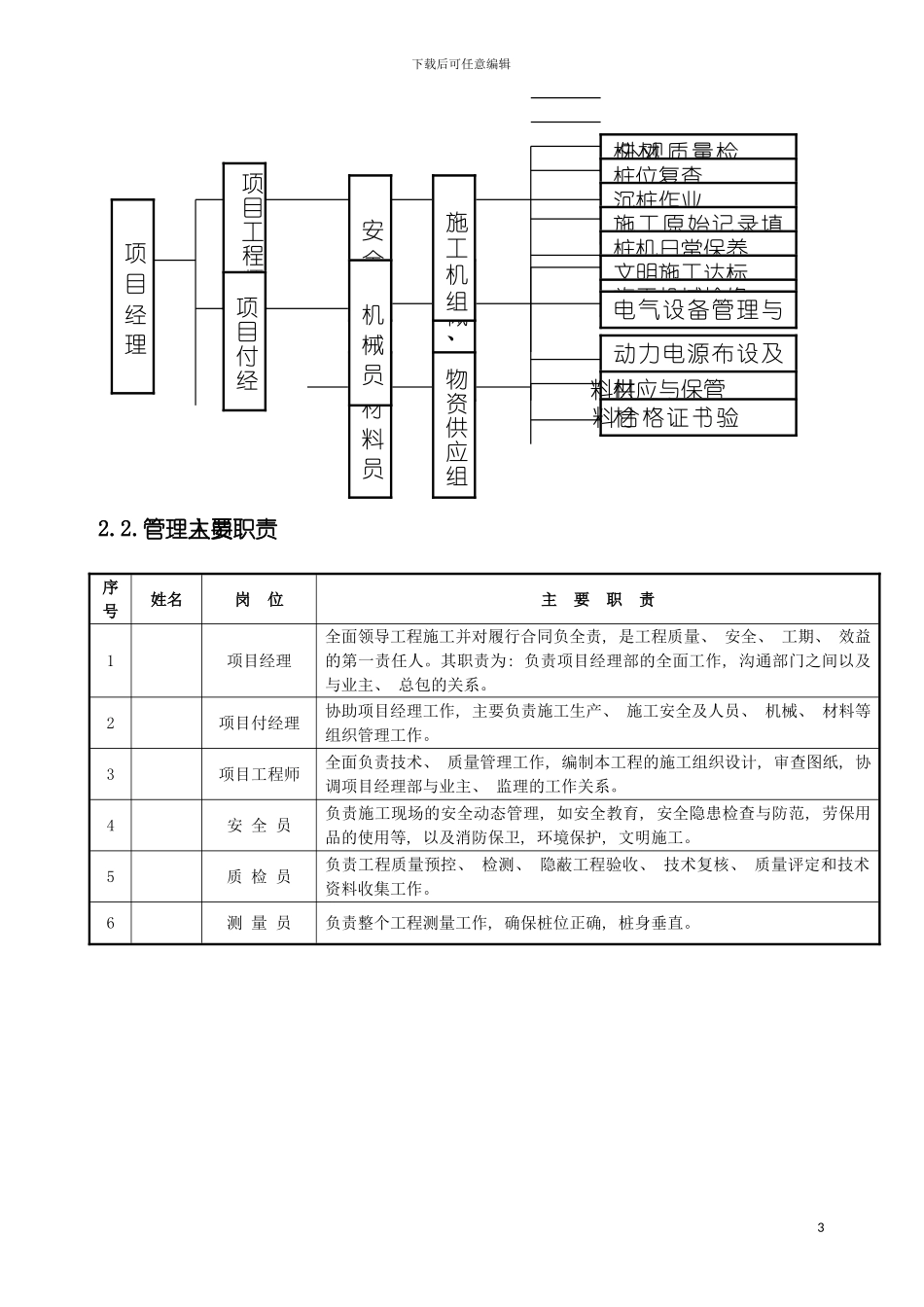
下载后可任意编辑静力压入沉桩法打桩施工组织设计1下载后可任意编辑一 概 述1、 工程概况1.1.工程名称: 1.2.工程地址: 1.3.建设单位: 1.4.设计单位: 1.5.施工单位: 1.6. 工程内容: 拟建 桩基工程, 桩基础采纳 PHC,桩长 m,约 17 根。该工程由 公司投资兴建。2、 编制依据与采纳的法律规范及标准2.1.编制依据: 2.1.1.业主提供的招标文件、 设计图纸及地勘报告。2.1.2.我公司在上海地区大中型桩基工程的施工经验。2.2.本工程采纳的法律规范及标准: 2.2.1.《建筑工程质量验收统一标准》( GB50300- ) 2.2.2.《建筑地基基础工程施工质量验收法律规范》( GB50202- ) 2.2.3.《建筑桩基技术法律规范》( JGJ94-94) 2.2.4.《工程测量法律规范》( GB50026-93) 2.2.5.《建筑机械使用安全技术法律规范》( JGJ33- ) 2.2.6.《建筑工程施工现场供用电安全法律规范》( GB50194-93) 2.2.7.《先张法预应力混凝土管桩》图集( 03SC409) 2.2.8.《建筑基桩检测技术规程》( JGJ106- , J256- ) 2.2.9.《施工现场临时用电安全技术法律规范》( JGJ46- ) 3、 设计参数及工程量设计参数与工程量表二 施工管理组织机构2.1.施工管理网络图2工程项目桩类型桩长( m) 数量(根)工程量( m) PHC 合 计质量员布 设 控 制 网点 与 监 护施 测 桩 位技术资料管理桩身垂直度与标高观测测量组下载后可任意编辑2.2.管理人员主要职责序号姓名岗 位主 要 职 责1项目经理全面领导工程施工并对履行合同负全责, 是工程质量、 安全、 工期、 效益的第一责任人。其职责为: 负责项目经理部的全面工作, 沟通部门之间以及与业主、 总包的关系。2项目付经理协助项目经理工作, 主要负责施工生产、 施工安全及人员、 机械、 材料等组织管理工作。3项目工程师全面负责技术、 质量管理工作, 编制本工程的施工组织设计, 审查图纸, 协调项目经理部与业主、 监理的工作关系。4安 全 员负责施工现场的安全动态管理, 如安全教育, 安全隐患检查与防范, 劳保用品的使用等, 以及消防保卫, 环境保护, 文明施工。5质 检 员负责工程质量预控、 检测、 隐蔽工程验收、 技术复核、 质量评定和技术资料收集工作。6测 量 员负责整个工程测量工作, 确保桩位正确, 桩身垂直。3项目经理项目工程师 安全员材料员桩材外观质量检查桩位复查沉桩作业施工原始记录填写桩机日常保养文明施工达标施工机械检修电气设备管理...

1、当您付费下载文档后,您只拥有了使用权限,并不意味着购买了版权,文档只能用于自身使用,不得用于其他商业用途(如 [转卖]进行直接盈利或[编辑后售卖]进行间接盈利)。
2、本站所有内容均由合作方或网友上传,本站不对文档的完整性、权威性及其观点立场正确性做任何保证或承诺!文档内容仅供研究参考,付费前请自行鉴别。
3、如文档内容存在违规,或者侵犯商业秘密、侵犯著作权等,请点击“违规举报”。

碎片内容

静力压入沉桩法打桩施工组织设计模板

您可能关注的文档

确认删除?
VIP
微信客服
  • 扫码咨询
会员Q群
  • 会员专属群点击这里加入QQ群
客服邮箱
回到顶部