电脑桌面
添加小米粒文库到电脑桌面
安装后可以在桌面快捷访问

剪力墙模板计算公式VIP免费

剪力墙模板计算公式_第1页
1/6
剪力墙模板计算公式_第2页
2/6
剪力墙模板计算公式_第3页
3/6
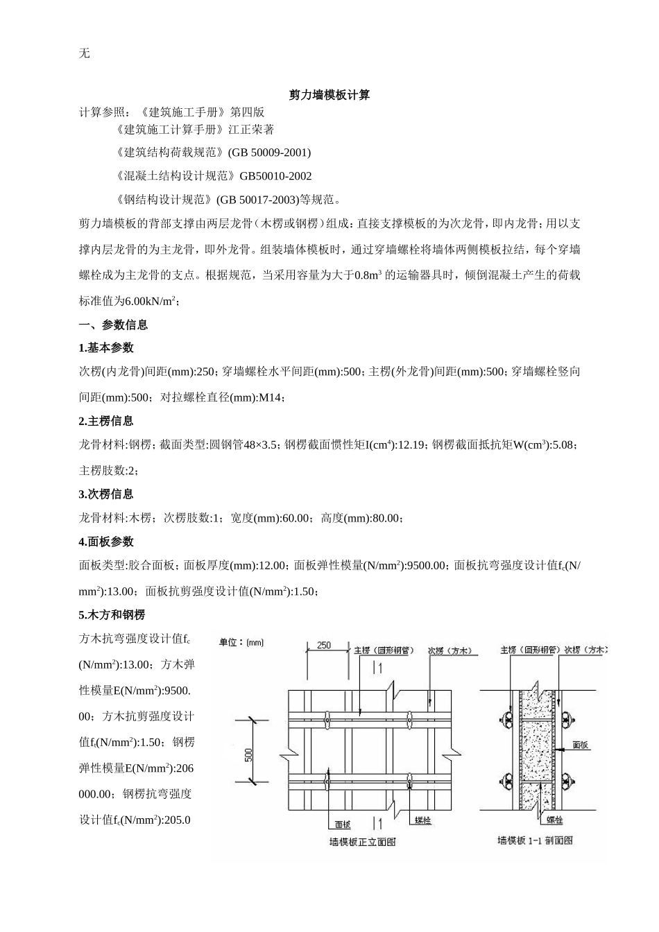
无剪力墙模板计算计算参照:《建筑施工手册》第四版《建筑施工计算手册》江正荣著《建筑结构荷载规范》(GB50009-2001)《混凝土结构设计规范》GB50010-2002《钢结构设计规范》(GB50017-2003)等规范。剪力墙模板的背部支撑由两层龙骨(木楞或钢楞)组成:直接支撑模板的为次龙骨,即内龙骨;用以支撑内层龙骨的为主龙骨,即外龙骨。组装墙体模板时,通过穿墙螺栓将墙体两侧模板拉结,每个穿墙螺栓成为主龙骨的支点。根据规范,当采用容量为大于0.8m3的运输器具时,倾倒混凝土产生的荷载标准值为6.00kN/m2;一、参数信息1.基本参数次楞(内龙骨)间距(mm):250;穿墙螺栓水平间距(mm):500;主楞(外龙骨)间距(mm):500;穿墙螺栓竖向间距(mm):500;对拉螺栓直径(mm):M14;2.主楞信息龙骨材料:钢楞;截面类型:圆钢管48×3.5;钢楞截面惯性矩I(cm4):12.19;钢楞截面抵抗矩W(cm3):5.08;主楞肢数:2;3.次楞信息龙骨材料:木楞;次楞肢数:1;宽度(mm):60.00;高度(mm):80.00;4.面板参数面板类型:胶合面板;面板厚度(mm):12.00;面板弹性模量(N/mm2):9500.00;面板抗弯强度设计值fc(N/mm2):13.00;面板抗剪强度设计值(N/mm2):1.50;5.木方和钢楞方木抗弯强度设计值fc(N/mm2):13.00;方木弹性模量E(N/mm2):9500.00;方木抗剪强度设计值ft(N/mm2):1.50;钢楞弹性模量E(N/mm2):206000.00;钢楞抗弯强度设计值fc(N/mm2):205.0无0;二、墙模板荷载标准值计算其中γ--混凝土的重力密度,取24.000kN/m3;t--新浇混凝土的初凝时间,取4.000h;T--混凝土的入模温度,取25.000℃;V--混凝土的浇筑速度,取2.500m/h;H--模板计算高度,取3.000m;β1--外加剂影响修正系数,取1.200;β2--混凝土坍落度影响修正系数,取0.850。根据以上两个公式计算的新浇筑混凝土对模板的最大侧压力F;分别计算得34.062kN/m2、72.000kN/m2,取较小值34.062kN/m2作为本工程计算荷载。计算中采用新浇混凝土侧压力标准值F1=34.062kN/m2;倾倒混凝土时产生的荷载标准值F2=6kN/m2。三、墙模板面板的计算面板为受弯结构,需要验算其抗弯强度和刚度。根据《建筑施工手册》,强度验算要考虑新浇混凝土侧压力和倾倒混凝土时产生的荷载;挠度验算只考虑新浇混凝土侧压力。计算的原则是按照龙骨的间距和模板面的大小,按支撑在内楞上的三跨连续梁计算。面板计算简图1.抗弯强度验算跨中弯矩计算公式如下:其中,M--面板计算最大弯距(N·mm);l--计算跨度(内楞间距):l=250.0mm;q--作用在模板上的侧压力线荷载,它包括:新浇混凝土侧压力设计值q1:1.2×34.06×0.50×0.90=18.393kN/m;其中0.90为按《施工手册》取的临时结构折减系数。倾倒混凝土侧压力设计值q2:1.4×6.00×0.50×0.90=3.780kN/m;q=q1+q2=18.393+3.780=22.173kN/m;面板的最大弯距:M=0.1×22.173×250.0×250.0=1.39×105N.mm;按以下公式进行面板抗弯强度验算:其中,σ--面板承受的应力(N/mm2);M--面板计算最大弯距(N·mm);W--面板的截面抵抗矩:b:面板截面宽度,h:面板截面厚度;W=500×12.0×12.0/6=1.20×104mm3;f--面板截面的抗弯强度设计值(N/mm2);f=13.000N/mm2;面板截面的最大应力计算值:σ=M/W=1.39×105/1.20×104=11.549N/mm2;面板截面的最大应力计算值σ=11.549N/mm2小于面板截面的抗弯强度设计值[f]=13N/mm2,满足要无求!2.抗剪强度验算计算公式如下:其中,∨--面板计算最大剪力(N);l--计算跨度(竖楞间距):l=250.0mm;q--作用在模板上的侧压力线荷载,它包括:新浇混凝土侧压力设计值q1:1.2×34.06×0.50×0.90=18.393kN/m;倾倒混凝土侧压力设计值q2:1.4×6.00×0.50×0.90=3.780kN/m;q=q1+q2=18.393+3.780=22.173kN/m;面板的最大剪力:V=0.6×22.173×250.0=3326.022N;截面抗剪强度必须满足:其中,τ--面板截面的最大受剪应力(N/mm2);V--面板计算最大剪力(N):V=3326.022N;b--构件的截面宽度(mm):b=500mm;hn--面板厚度(mm):hn=12.0mm;fv--面板抗剪强度设计值(N/mm2):fv=1.500N/mm2;面板截面的最大受剪应力计算值:T=3×3326.022/(2×500×12.0)=0.832N/mm2;面板截面抗剪强度设计值:[fv]=1.500N/mm2;面板截面的最大受剪应力计算值T=0.832N...

1、当您付费下载文档后,您只拥有了使用权限,并不意味着购买了版权,文档只能用于自身使用,不得用于其他商业用途(如 [转卖]进行直接盈利或[编辑后售卖]进行间接盈利)。
2、本站所有内容均由合作方或网友上传,本站不对文档的完整性、权威性及其观点立场正确性做任何保证或承诺!文档内容仅供研究参考,付费前请自行鉴别。
3、如文档内容存在违规,或者侵犯商业秘密、侵犯著作权等,请点击“违规举报”。

碎片内容

剪力墙模板计算公式

确认删除?
VIP
微信客服
  • 扫码咨询
会员Q群
  • 会员专属群点击这里加入QQ群
客服邮箱
回到顶部