电脑桌面
添加小米粒文库到电脑桌面
安装后可以在桌面快捷访问

子分部工程质量验收记录

子分部工程质量验收记录_第1页
1/16
子分部工程质量验收记录_第2页
2/16
子分部工程质量验收记录_第3页
3/16
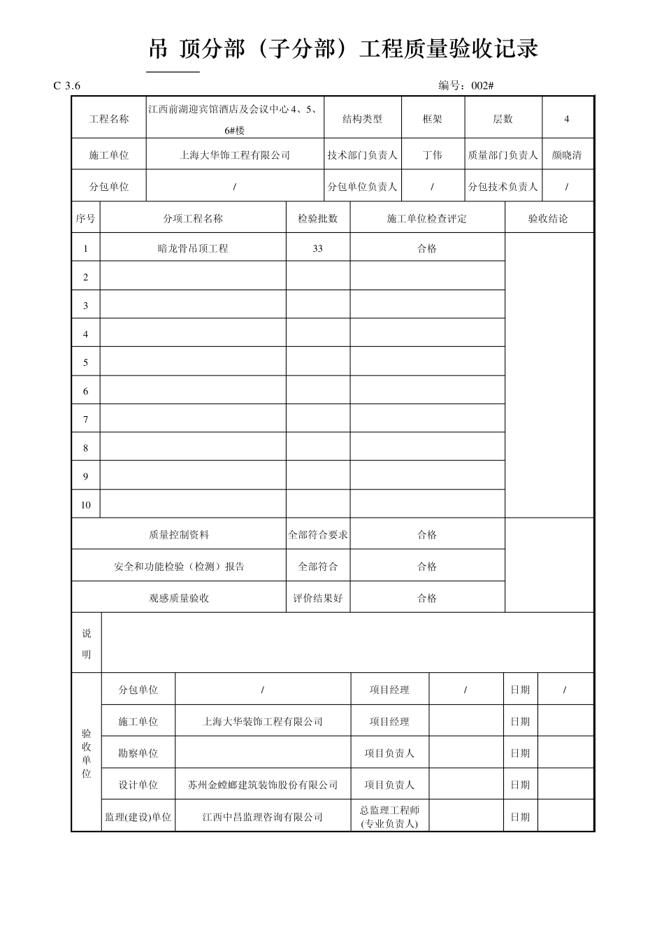
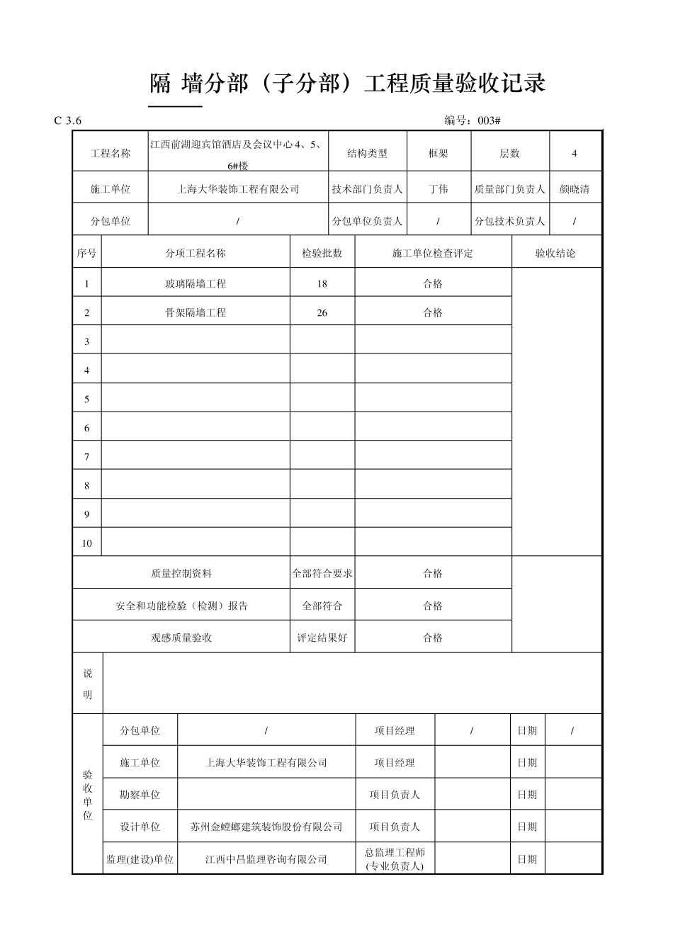
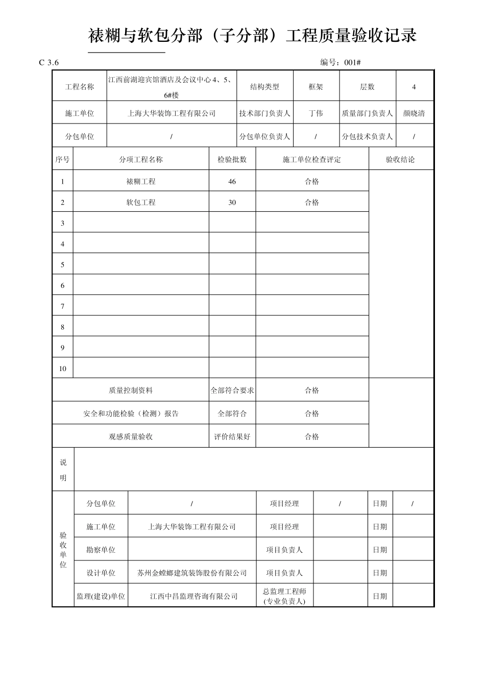
裱糊与软包分部(子分部)工程质量验收记录 C 3.6 编号:001# 工程名称 江西前湖迎宾馆酒店及会议中心4、5、6#楼 结构类型 框架 层数 4 施工单位 上海大华装饰工程有限公司 技术部门负责人 丁伟 质量部门负责人 颜晓清 分包单位 / 分包单位负责人 / 分包技术负责人 / 序号 分项工程名称 检验批数 施工单位检查评定 验收结论 1 裱糊工程 46 合格 2 软包工程 30 合格 3 4 5 6 7 8 9 10 质量控制资料 全部符合要求 合格 安全和功能检验(检测)报告 全部符合 合格 观感质量验收 评价结果好 合格 说 明 验 收 单 位 分包单位 / 项目经理 / 日期 / 施工单位 上海大华装饰工程有限公司 项目经理 日期 勘察单位 项目负责人 日期 设计单位 苏州金螳螂建筑装饰股份有限公司 项目负责人 日期 监理(建设)单位 江西中昌监理咨询有限公司 总监理工程师 (专业负责人) 日期 吊 顶分部(子分部)工程质量验收记录 C 3.6 编号:002# 工程名称 江西前湖迎宾馆酒店及会议中心4、5、6#楼 结构类型 框架 层数 4 施工单位 上海大华饰工程有限公司 技术部门负责人 丁伟 质量部门负责人 颜晓清 分包单位 / 分包单位负责人 / 分包技术负责人 / 序号 分项工程名称 检验批数 施工单位检查评定 验收结论 1 暗龙骨吊顶工程 33 合格 2 3 4 5 6 7 8 9 10 质量控制资料 全部符合要求 合格 安全和功能检验(检测)报告 全部符合 合格 观感质量验收 评价结果好 合格 说 明 验 收 单 位 分包单位 / 项目经理 / 日期 / 施工单位 上海大华装饰工程有限公司 项目经理 日期 勘察单位 项目负责人 日期 设计单位 苏州金螳螂建筑装饰股份有限公司 项目负责人 日期 监理(建设)单位 江西中昌监理咨询有限公司 总监理工程师 (专业负责人) 日期 隔 墙分部(子分部)工程质量验收记录 C 3.6 编号:003# 工程名称 江西前湖迎宾馆酒店及会议中心4、5、6#楼 结构类型 框架 层数 4 施工单位 上海大华装饰工程有限公司 技术部门负责人 丁伟 质量部门负责人 颜晓清 分包单位 / 分包单位负责人 / 分包技术负责人 / 序号 分项工程名称 检验批数 施工单位检查评定 验收结论 1 玻璃隔墙工程 18 合格 2 骨架隔墙工程 26 合格 3 4 5 6 7 8 9 10 质量控制资料 全部符合要求 合格 安全和功能检...

1、当您付费下载文档后,您只拥有了使用权限,并不意味着购买了版权,文档只能用于自身使用,不得用于其他商业用途(如 [转卖]进行直接盈利或[编辑后售卖]进行间接盈利)。
2、本站所有内容均由合作方或网友上传,本站不对文档的完整性、权威性及其观点立场正确性做任何保证或承诺!文档内容仅供研究参考,付费前请自行鉴别。
3、如文档内容存在违规,或者侵犯商业秘密、侵犯著作权等,请点击“违规举报”。

碎片内容

子分部工程质量验收记录

您可能关注的文档

小辰4+ 关注
实名认证
内容提供者

出售各种资料和文档

确认删除?
VIP
微信客服
  • 扫码咨询
会员Q群
  • 会员专属群点击这里加入QQ群
客服邮箱
回到顶部