电脑桌面
添加小米粒文库到电脑桌面
安装后可以在桌面快捷访问

孔板流量计安装说明

孔板流量计安装说明_第1页
1/10
孔板流量计安装说明_第2页
2/10
孔板流量计安装说明_第3页
3/10
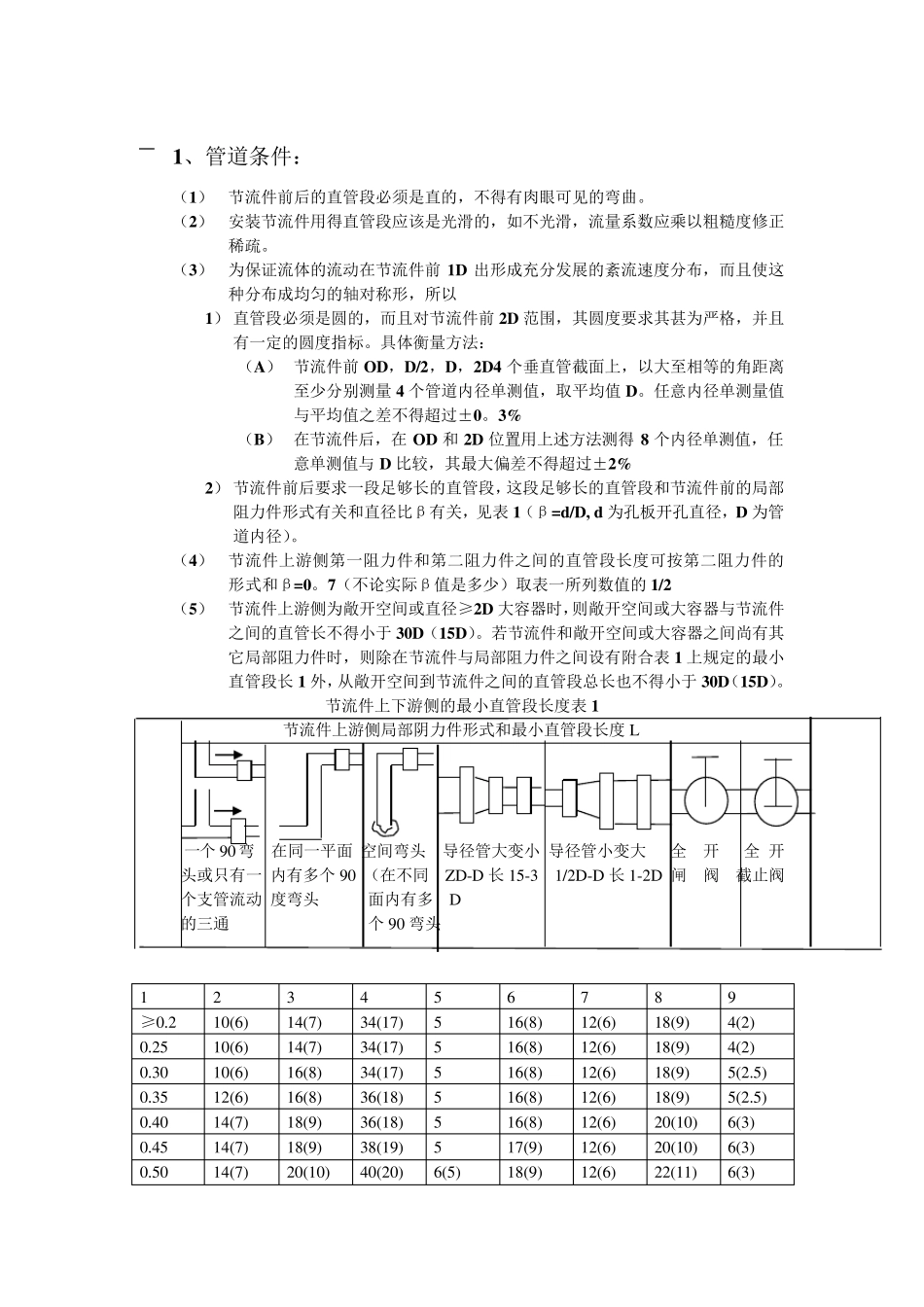
孔板流量计说明书 一、 用 途 标准环室孔板、法兰孔板节流装置是无刻度的流量测量装置,它与气动、电动差压变送器或双波纹管差压变送器配套使用。在冶金、化工、石油、电力工业系统连续测量介质温度≤400℃的液体、气体、蒸汽流经孔板所产生的压差,又变送器将该压差讯号转换成比例的输出信号,再有二次仪表或调节器,对被测量流量进行记录,指示或调节。 二作用原理和结构 1、 基本原理 在管道内部装上孔板或喷咀等节流件,由于节流件的孔径小于管道内径,当流体流经节流件时,流束截面突然收缩,流速加快。节流件后 端流体的静压力降低,于是在节流件前后产生产生静压 力差(见图 1),该静压力差与流体过的流体流量之间有 确定的数值关系、符合 Q=K。 △P 。用差压变送器 (或差压计)测量节流件前后的差压,实现对流量的测量。 2、 节流装置的结构 节流装置的结构如图 2、3 所示: 图 2、标准环室孔板节流装置结构示图(Pg≤25) 1、法兰 2、导管 3、前环室 4、节流件 5、后环室 6、垫 7、螺栓 8、螺母 图3、标准法兰孔板节流装置示意图(Pg≥64) 1、取压法兰 2、孔板 3、导压管 4、密封垫 5 螺母 6 螺栓 三、安 装 要 求 节流装置的安装和适用于下列管段和管件有关:节流件上游侧第一阻力件、第二阻力件,节流件下右侧第一阻力件,从节流件上游第二阻力件到下游第一阻力件之间的管段以及差压讯号管路等。 1、管道条件: (1) 节流件前后的直管段必须是直的,不得有肉眼可见的弯曲。 (2) 安装节流件用得直管段应该是光滑的,如不光滑,流量系数应乘以粗糙度修正稀疏。 (3) 为保证流体的流动在节流件前1D 出形成充分发展的紊流速度分布,而且使这种分布成均匀的轴对称形,所以 1) 直管段必须是圆的,而且对节流件前2D 范围,其圆度要求其甚为严格,并且有一定的圆度指标。具体衡量方法: (A) 节流件前OD,D/2,D,2D4 个垂直管截面上,以大至相等的角距离至少分别测量4 个管道内径单测值,取平均值D。任意内径单测量值与平均值之差不得超过±0。3% (B) 在节流件后,在OD 和 2D 位置用上述方法测得8 个内径单测值,任意单测值与D 比较,其最大偏差不得超过±2% 2) 节流件前后要求一段足够长的直管段,这段足够长的直管段和节流件前的局部阻力件形式有关和直径比β有关,见表1(β=d/D, d为孔板开孔直径,D 为管道内径)。 (4) 节流件上游侧第一阻力件和...

1、当您付费下载文档后,您只拥有了使用权限,并不意味着购买了版权,文档只能用于自身使用,不得用于其他商业用途(如 [转卖]进行直接盈利或[编辑后售卖]进行间接盈利)。
2、本站所有内容均由合作方或网友上传,本站不对文档的完整性、权威性及其观点立场正确性做任何保证或承诺!文档内容仅供研究参考,付费前请自行鉴别。
3、如文档内容存在违规,或者侵犯商业秘密、侵犯著作权等,请点击“违规举报”。

碎片内容

孔板流量计安装说明

确认删除?
VIP
微信客服
  • 扫码咨询
会员Q群
  • 会员专属群点击这里加入QQ群
客服邮箱
回到顶部