电脑桌面
添加小米粒文库到电脑桌面
安装后可以在桌面快捷访问

照明系统调试方案

照明系统调试方案_第1页
1/7
照明系统调试方案_第2页
2/7
照明系统调试方案_第3页
3/7
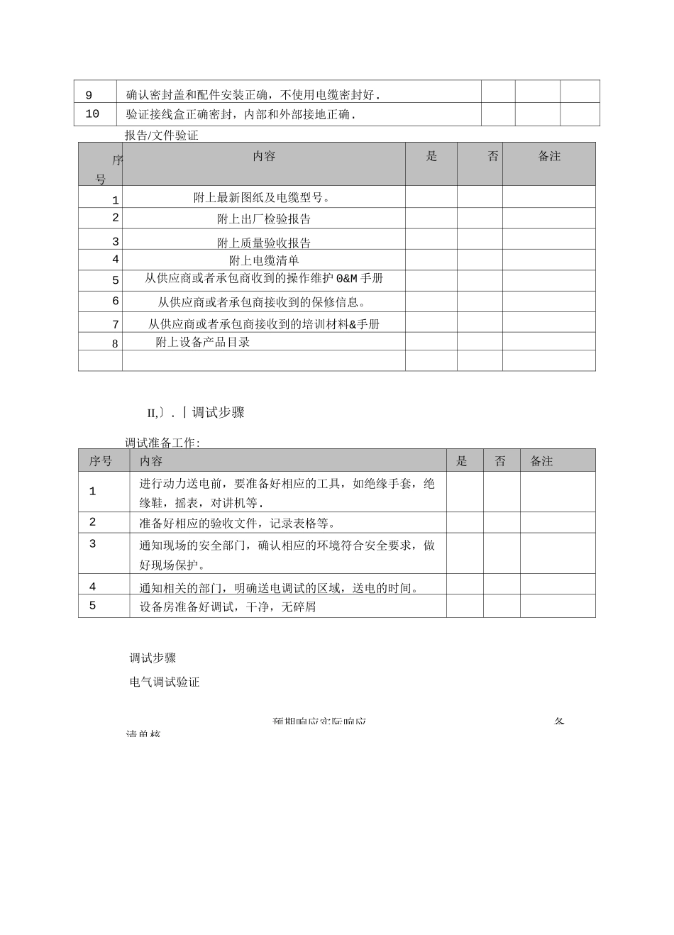
I,.I 照明系统调试方案I..II 目的此文件规定电气照明系统调试测试步骤,提供文件证据以表明照明系统将一致准确地符合业主对该系统的要求。I..<范围本调试测试范围为所有现场的照明配电柜。I..调试先决条件照明系统相应的盘柜送电调试前,需要进行相应的设计确认,安装确认,报告文件确认等,只有这些先决条件满足要求,才能进行下一步的调试工作。机械设计验证清单序号内容是否备注1视觉检查配电屏是否有损坏,腐蚀,刮伤或硬件的丢失检查门的密封和是否有接线片或母线挡住门。2确定配电屏的尺寸、地点和关联的围栏是否符合图纸3验证适当的锚地,所需的许可,和正确的校准的设备。4用眼睛和机械检查门的硬件和相关的联动装置和门的开关排列整齐5部件设备和布线正确标记符合图纸电气设计验证清单序号内容是否备注1确认进线电缆规格、尺寸等符合设计要求2确定电路和供应负载符合设计,检查 LT 里所有设备的铭牌数据是否符合图纸和说明书3确认 LT 部件之间的连接电缆部分合适和符合图纸要求。4确定 DB 配电屏与保护接地棒正确连接符合图纸,使用的导体的尺寸和规格正确5确认 DB 柜的铭牌安装并显示正确的来源和其他信息。6验证照明配件、插座等的位置,与经批准的图纸一致。7检查照明配件、插座和开关整洁、防水、密封、内部连接和做工良好。8验证连接盒充分支持和识别清单核预期响应实际响应备9确认密封盖和配件安装正确,不使用电缆密封好.10验证接线盒正确密封,内部和外部接地正确.报告/文件验证序号内容是否备注1附上最新图纸及电缆型号。2附上出厂检验报告3附上质量验收报告4附上电缆清单5从供应商或者承包商收到的操作维护 0&M 手册6从供应商或者承包商接收到的保修信息。7从供应商或者承包商接收到的培训材料&手册8附上设备产品目录II,〕.丨调试步骤调试准备工作:序号内容是否备注1进行动力送电前,要准备好相应的工具,如绝缘手套,绝缘鞋,摇表,对讲机等.2准备好相应的验收文件,记录表格等。3通知现场的安全部门,确认相应的环境符合安全要求,做好现场保护。4通知相关的部门,明确送电调试的区域,送电的时间。5设备房准备好调试,干净,无碎屑调试步骤电气调试验证1测量主电路断路器的绝缘电阻。当开关断开和闭合时,用一欧姆表测量断路器同一相两侧的绝缘电阻。对于应急照明柜,需要测试备用开关。断路器断开A-A:〉40MOhmsB-B:>40MOhmsC-C:>40MOhmsIncoming]Incoming2A-A:A-A:B-B:B-B:C-C:CC:A-A:A-A:B-B:B-B:C-C:CC:2米...

1、当您付费下载文档后,您只拥有了使用权限,并不意味着购买了版权,文档只能用于自身使用,不得用于其他商业用途(如 [转卖]进行直接盈利或[编辑后售卖]进行间接盈利)。
2、本站所有内容均由合作方或网友上传,本站不对文档的完整性、权威性及其观点立场正确性做任何保证或承诺!文档内容仅供研究参考,付费前请自行鉴别。
3、如文档内容存在违规,或者侵犯商业秘密、侵犯著作权等,请点击“违规举报”。

碎片内容

照明系统调试方案

您可能关注的文档

确认删除?
VIP
微信客服
  • 扫码咨询
会员Q群
  • 会员专属群点击这里加入QQ群
客服邮箱
回到顶部