电脑桌面
添加小米粒文库到电脑桌面
安装后可以在桌面快捷访问

不锈钢加工合同

不锈钢加工合同_第1页
1/11
不锈钢加工合同_第2页
2/11
不锈钢加工合同_第3页
3/11
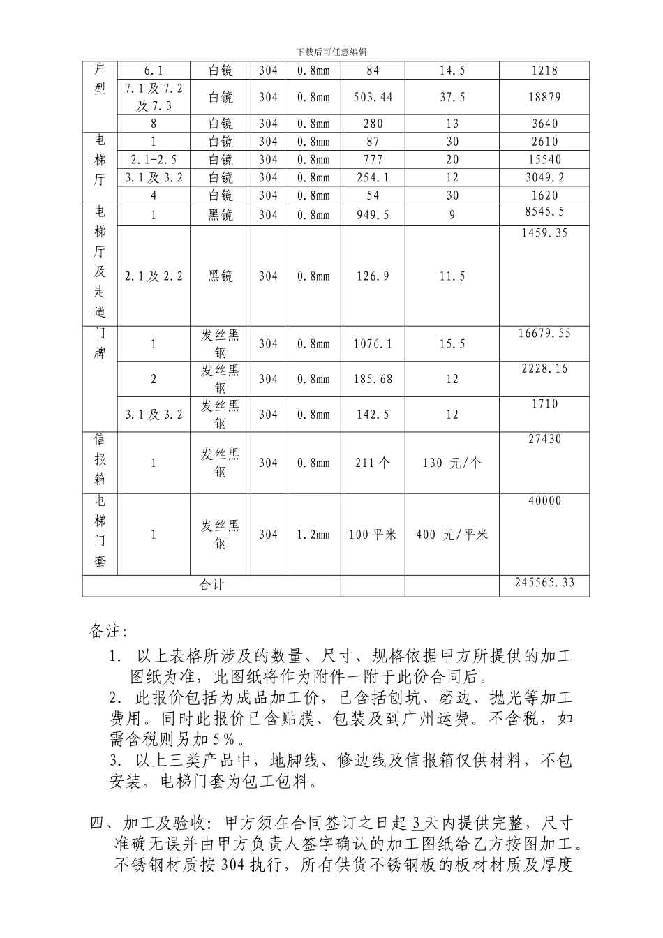
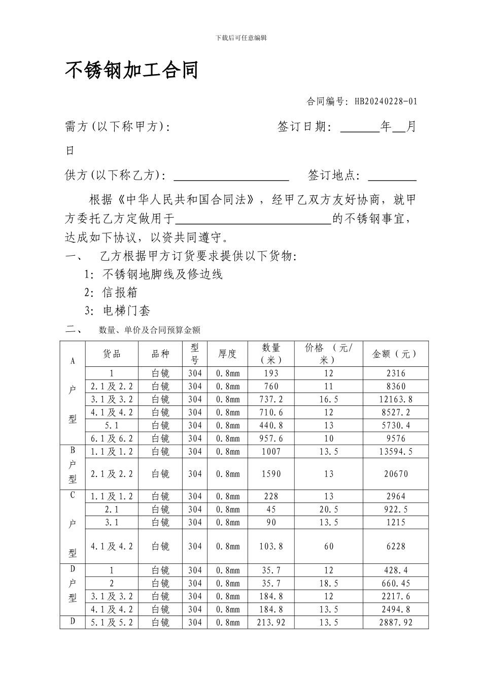
下载后可任意编辑不锈钢加工合同 合同编号:HB20240228-01需方(以下称甲方): 签订日期: 年 月 日 供方(以下称乙方): 签订地点: 根据《中华人民共和国合同法》,经甲乙双方友好协商,就甲方委托乙方定做用于 的不锈钢事宜,达成如下协议,以资共同遵守。一、 乙方根据甲方订货要求提供以下货物:1:不锈钢地脚线及修边线2:信报箱3:电梯门套二、数量、单价及合同预算金额A户型货品品种型号厚度数量(米)价格 (元/米)金额(元)1白镜3040.8mm1931223162.1 及 2.2白镜3040.8mm7601183603.1 及 3.2白镜3040.8mm737.216.512163.84.1 及 4.2白镜3040.8mm710.6128527.25.1白镜3040.8mm440.8135730.46.1 及 6.2白镜3040.8mm957.6109576B户型1.1 及 1.2白镜3040.8mm100713.513594.52.1 及 2.2白镜3040.8mm15901320670C户型1.1 及 1.2白镜3040.8mm2281329642.1白镜3040.8mm4520.5922.53.1白镜3040.8mm9013.512154.1 及 4.2白镜3040.8mm103.8606228D户型1白镜3040.8mm35.712428.42白镜3040.8mm35.718.5660.453.1 及 3.2白镜3040.8mm184.8122217.64.1 及 4.2白镜3040.8mm184.813.52494.8D5.1 及 5.2白镜3040.8mm213.9213.52887.92下载后可任意编辑户型6.1白镜3040.8mm8414.512187.1 及 7.2及 7.3白镜3040.8mm503.4437.5188798白镜3040.8mm280133640电梯厅1白镜3040.8mm873026102.1-2.5白镜3040.8mm77720155403.1 及 3.2白镜3040.8mm254.1123049.24白镜3040.8mm54301620电梯厅及走道1黑镜3040.8mm949.598545.52.1 及 2.2黑镜3040.8mm126.911.51459.35门牌1发丝黑钢3040.8mm1076.115.516679.552发丝黑钢3040.8mm185.68122228.163.1 及 3.2发丝黑钢3040.8mm142.5121710信报箱1发丝黑钢3040.8mm211 个130 元/个27430电梯门套1发丝黑钢3041.2mm100 平米400 元/平米40000合计245565.33备注:1.以上表格所涉及的数量、尺寸、规格依据甲方所提供的加工图纸为准,此图纸将作为附件一附于此份合同后。2.此报价包括为成品加工价,已含括刨坑、磨边、抛光等加工费用。同时此报价已含贴膜、包装及到广州运费。不含税,如需含税则另加 5%。3.以上三类产品中,地脚线、修边线及信报箱仅供材料,不包安装。电梯门套为包工包料。四、加工及验收:甲方须在合同签订之日起 3 天内提供完整,尺寸准确无误并由甲方负责人签字确认的加工图纸给乙方按图加工。不锈钢材质按 304 执行,所有供货不锈钢板的板材材质及厚度...

1、当您付费下载文档后,您只拥有了使用权限,并不意味着购买了版权,文档只能用于自身使用,不得用于其他商业用途(如 [转卖]进行直接盈利或[编辑后售卖]进行间接盈利)。
2、本站所有内容均由合作方或网友上传,本站不对文档的完整性、权威性及其观点立场正确性做任何保证或承诺!文档内容仅供研究参考,付费前请自行鉴别。
3、如文档内容存在违规,或者侵犯商业秘密、侵犯著作权等,请点击“违规举报”。

碎片内容

不锈钢加工合同

您可能关注的文档

确认删除?
VIP
微信客服
  • 扫码咨询
会员Q群
  • 会员专属群点击这里加入QQ群
客服邮箱
回到顶部