电脑桌面
添加小米粒文库到电脑桌面
安装后可以在桌面快捷访问

空压机安全检查表汇编

空压机安全检查表汇编_第1页
1/7
空压机安全检查表汇编_第2页
2/7
空压机安全检查表汇编_第3页
3/7
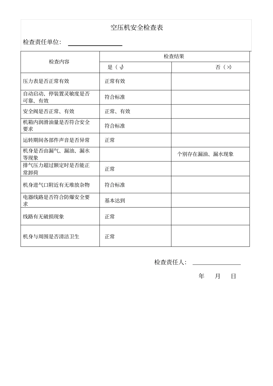
空压机安全检查表检查责任单位:检查内容检查结果是( √)否(×)压力表是否正常有效正常有效自动启动、停装置灵敏度是否可靠、有效符合标准安全阀是否正常、有效正常、有效机箱内润滑油量是否符合安全要求符合标准运转期间各部件声音是否异常正常机身是否由漏气、漏油、漏水等现象个别存在漏油、漏水现象排气压力超过额定时是否能正常卸荷正常机身进气口附近有无堆放杂物符合标准电器线路是否符合防爆安全要求基本达到线路有无破损现象正常机身与周围是否清洁卫生正常检查责任人:年月日电器设备检查表检查责任单位:序号检查项目检查内容检查结果是(√)否(×)1配电箱、开关箱配电柜应设电源隔离开关及短路、过载、漏电保护电器基本达到配电系统应设置配置电柜或总配电箱、分配电箱、开关箱,实行三级配电,逐级漏电保护基本达到应按规范设有接地母排和/或接地端子,且与接地系统连接。基本达到配电柜应编号,并应有用途标记符合标准配电箱应保持整洁,不得堆放任何防碍操作维修的杂物符合标准移动式配电箱、开管箱的进、出线应采用橡皮护套绝缘电缆,不得有接头符合标准配电箱、开关箱应无粉尘和油污污染基本达到2 防雷接地装置防雷装置完好,接闪器无损坏,引下线焊接可靠,接地电阻值小于10Ω符合标准,有记录建筑物出入口应设有防止跨步电压触电的措施无接地装置应有编号和识别标记,应保存防雷装置定期检测记录符合标准3电焊机电源线、 焊接电缆与焊机连接处有可靠屏护符合电源线、焊接电缆绝缘保护层无破损符合焊机外壳应有接地端子,且应与接地系统连接符合应定期检测焊机一、二次绕组和绕组与符合标准,有记录外壳间绝缘电阻,绝缘电阻值应大于1M Ω ,应保存检测记录焊机电源线不得拖地跨越通道基本符合4现场照明室 内 线 路 及 灯 具 安 装 高 度 应 不 小 于2.5m 部分达不到手持照明灯使用36V 及以下电源供电符合电线无老化、破皮部分有老化5配电线路I 类手持电动工具的电源插座和开关线路应设有剩余电流动作保护装置,接地保护导线和接地系统连接符合6手持式电动工具应定期检测手持电动工具的绝缘电阻值,应保存检测记录符合,有记录手持式电动工具的外壳、手柄、插头、开关 ,负荷线等必须完好无损基本达到机械传动部位应设置防护装置符合标准7焊接、切割、冲剪压及金属切割等机械加工设备应设置防止作业人员肢体与切削装置接触的防护装置符合应设置防止运动的机器发生碰撞的防护装置符合机器电气系统应...

1、当您付费下载文档后,您只拥有了使用权限,并不意味着购买了版权,文档只能用于自身使用,不得用于其他商业用途(如 [转卖]进行直接盈利或[编辑后售卖]进行间接盈利)。
2、本站所有内容均由合作方或网友上传,本站不对文档的完整性、权威性及其观点立场正确性做任何保证或承诺!文档内容仅供研究参考,付费前请自行鉴别。
3、如文档内容存在违规,或者侵犯商业秘密、侵犯著作权等,请点击“违规举报”。

碎片内容

空压机安全检查表汇编

您可能关注的文档

确认删除?
VIP
微信客服
  • 扫码咨询
会员Q群
  • 会员专属群点击这里加入QQ群
客服邮箱
回到顶部