电脑桌面
添加小米粒文库到电脑桌面
安装后可以在桌面快捷访问

箱变检验批正确

箱变检验批正确_第1页
1/28
箱变检验批正确_第2页
2/28
箱变检验批正确_第3页
3/28
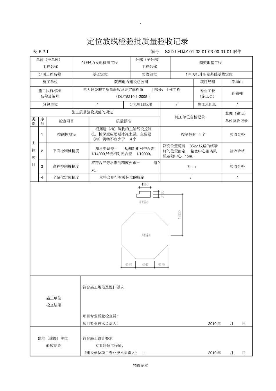
. 精选范本定位放线检验批质量验收记录报审表表号: DTFBPFD-A4-15 工程名称:辽宁大唐国际法库冯贝堡风电场(48MW)风力发电机组工程编号: SXDJ-FDJZ-01-02-01-03-00-01-01致:黑龙江省鹏宇建设监理有限责任公司冯贝堡风电项目监理部:我单位已完成了1#风力发电机组箱变基础定位放线工作,现报上该工程报审表,请予以审查/验收。附件:定位放线检验批质量验收记录承包单位(章):项目经理:日期:项目监理部审查意见:项目监理部(章):总 / 专业监理工程师:日期:本表一式 5 份,由承包单位填报,建设单位存2 份、项目监理部存1 份,承包单位存2 份。. 精选范本定位放线检验批质量验收记录表 5.2.1 编号: SXDJ-FDJZ-01-02-01-03-00-01-01 附件单位(子单位)工程名称01#风力发电机组工程分部(子分部)工程名称箱变地基工程分项工程名称基础定位验收部位1#风机升压变基础基槽定位施工单位陕西电力建设总公司项目经理邵海山施工执行标准名称及编号电力建设施工质量验收及评定规程第1 部分:土建工程(DL/T5210.1-2005 )专业工长(施工员)孙铁柱分包单位/分包项目经理/施工班组长/施工质量验收规范的规定施工单位自检记录监理(建设)单位验收记录类别序号检查项目质量标准主控项目1控制桩测设根据建(构)筑物的主轴线设控制桩。桩深度应超过冰冻土层。主要建(构)筑物不应少于4 个控制桩有 4 个验收合格2平面控制桩精度测角中误差±8〃,测距相对中误差1/14000,导线相对闭合差1/10000。箱变位置随着35kv 线路的终端杆的位置而定, 箱变中心距离风机基础中心15m。验收合格3高程控制桩精度应符合三等水准的精度要求±12毫米。7mm验收合格4全站仪定位精度应符合现行有关标准的规定//施工单位检查结果符合施工规范及设计要求项目专业质量检查员:项目专业技术负责人:2010 年月日监理(建设)单位验收结论符合施工设计要求专业监理工程师:(建设单位项目专业技术负责人):2010 年月日. 精选范本本表一式 5 份,由承包单位填报,建设单位存2 份、项目监理部存1 份,承包单位存2 份。基础土方开挖检验批质量验收记录报审表表号: DTFBPFD-A4-15 工程名称:辽宁大唐国际法库冯贝堡风电场(48MW)风力发电机组工程编号: SXDJ-FDJZ-01-02-01-03-00-02-01致:黑龙江省鹏宇建设监理有限责任公司冯贝堡风电项目监理部:我单位已完成了1#风力发电机组箱变基础的土方开挖工作,现报上该工程报审表,请予以审查...

1、当您付费下载文档后,您只拥有了使用权限,并不意味着购买了版权,文档只能用于自身使用,不得用于其他商业用途(如 [转卖]进行直接盈利或[编辑后售卖]进行间接盈利)。
2、本站所有内容均由合作方或网友上传,本站不对文档的完整性、权威性及其观点立场正确性做任何保证或承诺!文档内容仅供研究参考,付费前请自行鉴别。
3、如文档内容存在违规,或者侵犯商业秘密、侵犯著作权等,请点击“违规举报”。

碎片内容

箱变检验批正确

爱的疯狂+ 关注
实名认证
内容提供者

该用户很懒,什么也没介绍

确认删除?
VIP
微信客服
  • 扫码咨询
会员Q群
  • 会员专属群点击这里加入QQ群
客服邮箱
回到顶部