电脑桌面
添加小米粒文库到电脑桌面
安装后可以在桌面快捷访问

商砼购销合同

商砼购销合同_第1页
1/5
商砼购销合同_第2页
2/5
商砼购销合同_第3页
3/5
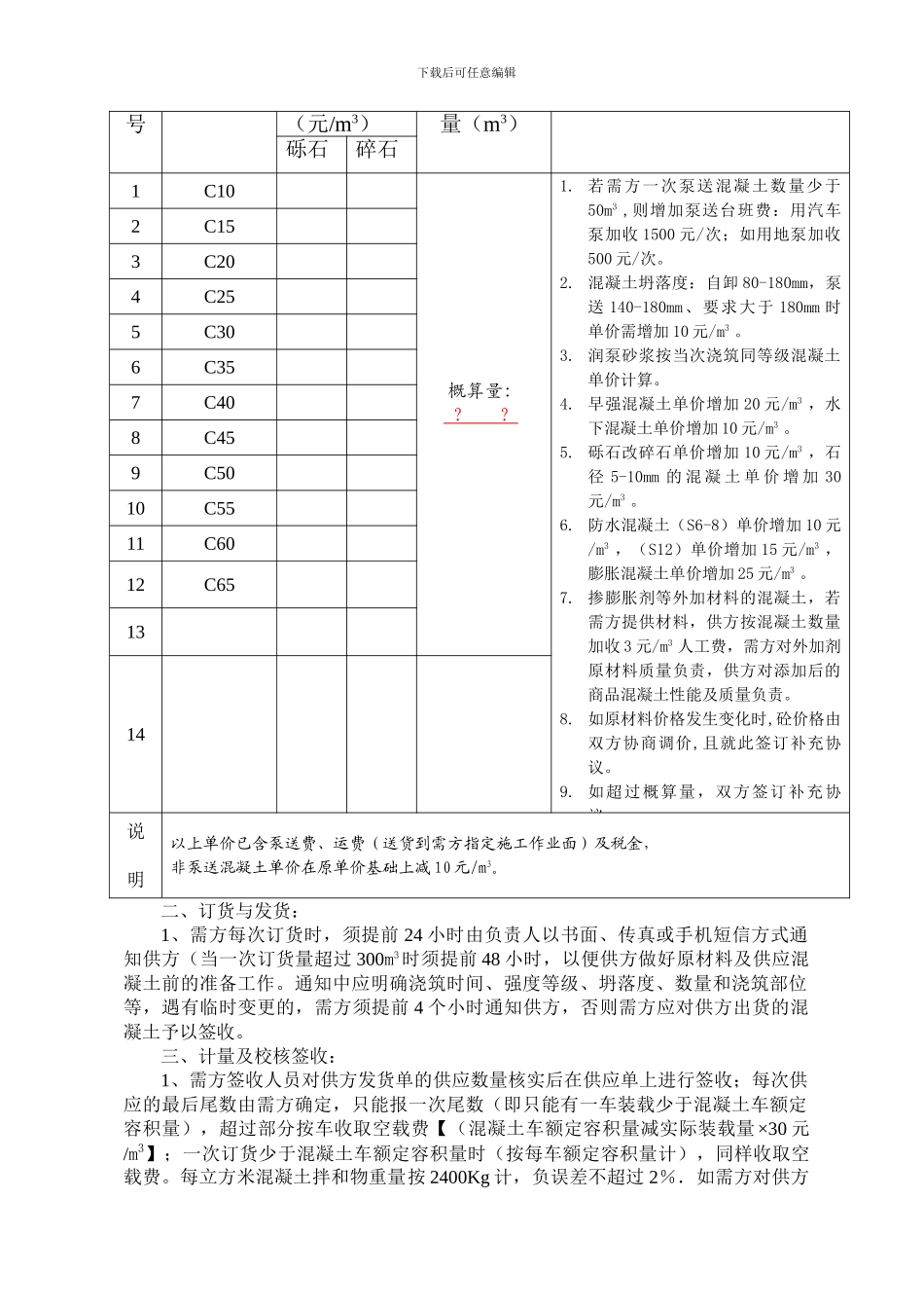
下载后可任意编辑商 品 混 凝 土购 销 合 同合同编号: 供 方: 需 方:广西建工集团第五建筑工程有限责任公司南宁分公司 工程名称: 供货地点: 签订时间: 2024 年 月 日 签订地点: 南宁市 经供需双方友好协商,同意就 建设,由广西建工集团第五建筑工程有限责任公司南宁分公司 承建的 项目的商品混凝土供应有关事宜订立以下合同条款,供需双方共同遵守。一、供方按下表中的混凝土品种及单价向需方提供商品混凝土。序强度等级单价 订货备 注下载后可任意编辑号(元/m3)量(m3)砾石碎石1C10概算量: ? ? 1. 若需方一次泵送混凝土数量少于50m3 ,则增加泵送台班费:用汽车泵加收 1500 元/次;如用地泵加收500 元/次。2. 混凝土坍落度:自卸 80-180mm,泵送 140-180mm、要求大于 180mm 时单价需增加 10 元/m3 。3. 润泵砂浆按当次浇筑同等级混凝土单价计算。4. 早强混凝土单价增加 20 元/m3 ,水下混凝土单价增加 10 元/m3 。5. 砾石改碎石单价增加 10 元/m3 ,石径 5-10mm 的 混 凝 土 单 价 增 加 30元/m3 。6. 防水混凝土(S6-8)单价增加 10 元/m3 ,(S12)单价增加 15 元/m3 ,膨胀混凝土单价增加 25 元/m3 。7. 掺膨胀剂等外加材料的混凝土,若需方提供材料,供方按混凝土数量加收 3 元/m3 人工费,需方对外加剂原材料质量负责,供方对添加后的商品混凝土性能及质量负责。8. 如原材料价格发生变化时,砼价格由双方协商调价,且就此签订补充协议。9. 如超过概算量,双方签订补充协议。2C153C204C255C306C357C408C459C5010C5511C6012C651314说明以上单价已含泵送费、运费(送货到需方指定施工作业面)及税金,非泵送混凝土单价在原单价基础上减 10 元/m3。二、订货与发货:1、需方每次订货时,须提前 24 小时由负责人以书面、传真或手机短信方式通知供方(当一次订货量超过 300m3时须提前 48 小时,以便供方做好原材料及供应混凝土前的准备工作。通知中应明确浇筑时间、强度等级、坍落度、数量和浇筑部位等,遇有临时变更的,需方须提前 4 个小时通知供方,否则需方应对供方出货的混凝土予以签收。三、计量及校核签收:1、需方签收人员对供方发货单的供应数量核实后在供应单上进行签收;每次供应的最后尾数由需方确定,只能报一次尾数(即只能有一车装载少于混凝土车额定容积量),超过部分按车收取空载费【(混凝土车额定容积量减实际装载量 ...

1、当您付费下载文档后,您只拥有了使用权限,并不意味着购买了版权,文档只能用于自身使用,不得用于其他商业用途(如 [转卖]进行直接盈利或[编辑后售卖]进行间接盈利)。
2、本站所有内容均由合作方或网友上传,本站不对文档的完整性、权威性及其观点立场正确性做任何保证或承诺!文档内容仅供研究参考,付费前请自行鉴别。
3、如文档内容存在违规,或者侵犯商业秘密、侵犯著作权等,请点击“违规举报”。

碎片内容

商砼购销合同

确认删除?
VIP
微信客服
  • 扫码咨询
会员Q群
  • 会员专属群点击这里加入QQ群
客服邮箱
回到顶部