电脑桌面
添加小米粒文库到电脑桌面
安装后可以在桌面快捷访问

地基基础检测合同样本

地基基础检测合同样本_第1页
1/5
地基基础检测合同样本_第2页
2/5
地基基础检测合同样本_第3页
3/5
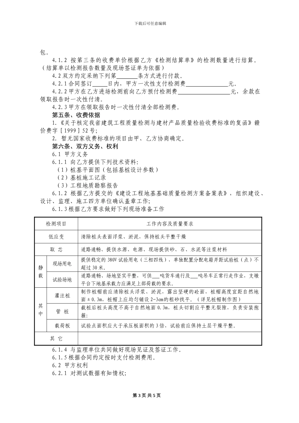
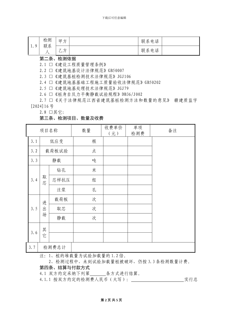
下载后可任意编辑合同编号: 桩(地)基工程检测合同工程名称: 委托单位: 检测单位: 委托方(甲方): 检测方(乙方): 根据《中华人民共和国合同法》及国家有关法律、法规,结合本工程具体情况,为明确责任、协作配合,确保检测质量,经双方协商一致签订本合同,共同遵守。第一条、工程概况1.1工程名称工程地点1.2桩基类型1.3建设单位1.4施工单位1.5设计单位1.6勘察单位1.7监理单位1.8监督单位第 1 页 共 5 页下载后可任意编辑1.9检测联系人甲方联系电话乙方 联系电话第二条、检测依据2.1 □《建设工程质量管理条例》2.2 □《建筑地基设计法律规范》GB500072.3 □《建筑基桩检测技术法律规范》JGJ1062.4 □《建筑地基基础工程施工质量验收法律规范》GB502022.5 □《建筑地基处理技术法律规范》JGJ792.6 □《桩身自反力平衡静载试验规程》DB36/J0022.7 □《关于法律规范江西省建筑基桩检测方法和数量的意见》 赣建质监字[2024]16 号2.8 □其它:第三条、检测项目、数量及收费项目名称数量收费单价(元)单项检测费备注3.1低应变 根3.2载荷板试验 点3.3静载 吨3.4取芯钻孔 米芯样抗压 组注浆 孔3.5进出场载荷板 次取芯 次静载 次3.6其它3.7检测费总计注:1、桩的堆载量为试验加载量的 1.2 倍。2、检测过程中,未到试验加载量桩被破坏,仍按 3.3 条检测数量计费。第四条、结算与付款方式4.1 双方约定采纳下列第 条方式进行结算。4.1.1 按双方约定的检测费人民币(大写): 实行总第 2 页 共 5 页下载后可任意编辑包。4.1.2 按第三条的收费单价根据乙方《检测结算单》的检测数量进行结算。(结算单以检测报告数量及现场签证单为依据)4.2 双方约定采纳下列第 条方式进行付款。4.2.1 合同签订 日内,甲方一次性支付检测费 元。4.2.2 甲方在乙方进场检测前向乙方预付检测费 元,余款在领取报告时一次性付清。4.2.3 甲方在领取报告时一次性付清全部检测费。第五条、收费依据1.《关于核定我省建筑工程质量检测与建材产品质量检验收费标准的复函》赣价费字[1999]52 号;2. 暂无国家收费标准的项目由甲、乙方协商确定。第六条、双方义务、权利6.1 甲方义务6.1.1 向乙方提供下列技术资料:(1)桩基平面图(包括基桩设计参数)(2)基桩施工记录(3)工程地质勘察报告6.1.2 根据乙方提交的《建设工程地基基础质量检测方案备案表》,组织建设、设计、监理、施工四方单位确认盖章工作;6.1.3 ...

1、当您付费下载文档后,您只拥有了使用权限,并不意味着购买了版权,文档只能用于自身使用,不得用于其他商业用途(如 [转卖]进行直接盈利或[编辑后售卖]进行间接盈利)。
2、本站所有内容均由合作方或网友上传,本站不对文档的完整性、权威性及其观点立场正确性做任何保证或承诺!文档内容仅供研究参考,付费前请自行鉴别。
3、如文档内容存在违规,或者侵犯商业秘密、侵犯著作权等,请点击“违规举报”。

碎片内容

地基基础检测合同样本

您可能关注的文档

确认删除?
VIP
微信客服
  • 扫码咨询
会员Q群
  • 会员专属群点击这里加入QQ群
客服邮箱
回到顶部