电脑桌面
添加小米粒文库到电脑桌面
安装后可以在桌面快捷访问

装饰工程拟投入工程和检测设备

装饰工程拟投入工程和检测设备_第1页
1/9
装饰工程拟投入工程和检测设备_第2页
2/9
装饰工程拟投入工程和检测设备_第3页
3/9
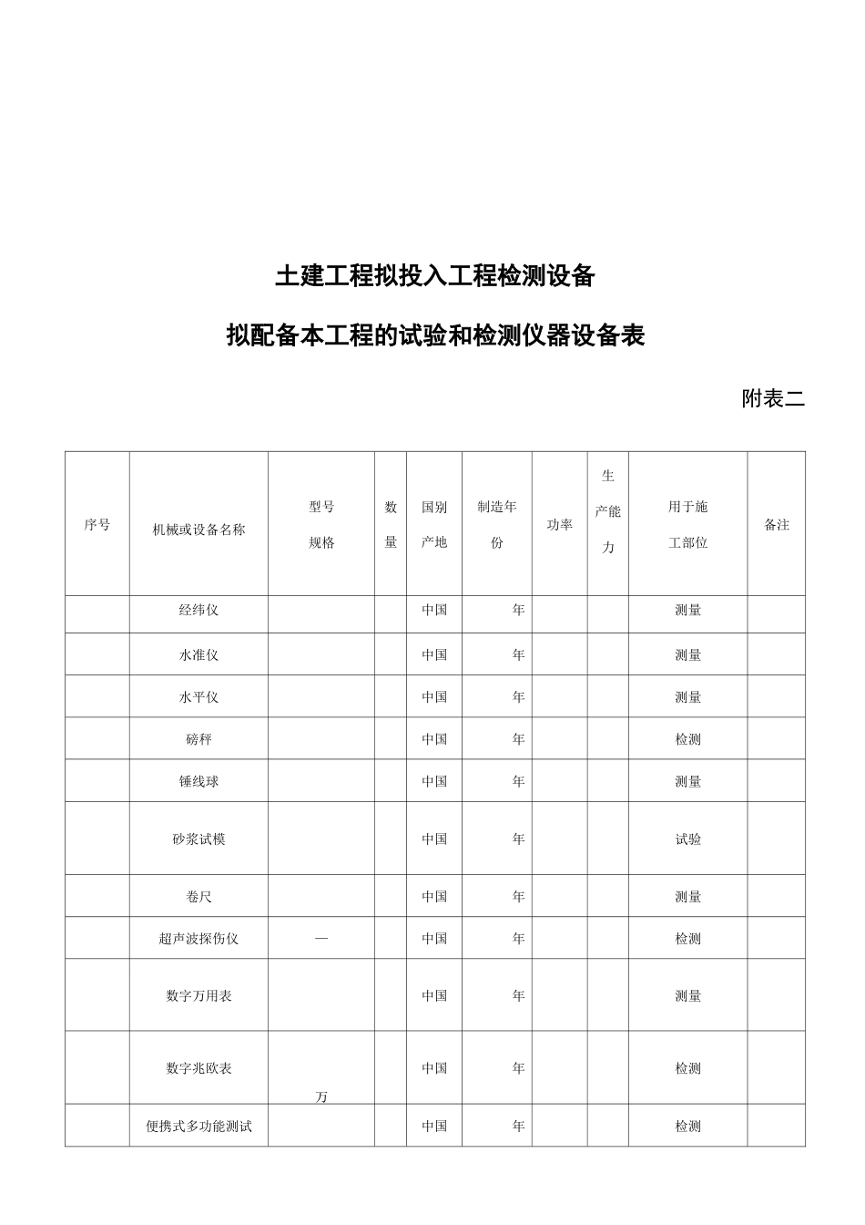
装饰项目拟投入工程检测设备主要测试设备表序号机械项目(种类、型号、产地)数量功率台完好率出厂年份 能力水准仪()完好水准仪(北 3 光)完好经纬仪朮(激光)完好经纬仪()完好含水率检测仪(英国)完好声级计(国营第完好放射性检测仪()完好电子温湿度计()完好甲醛测定仪‘(英国)完好角尺(苏州 1)完好钢卷尺’(、^玉完好'靠尺(苏州)完好楔形塞尺(型无锡)完好万用表(完好磅秤丿(型中国)完好水平尺—(河北一完好游标卡尺(三丰日本)完好兆欧表(完好电流表)(钳型完好绝缘摇表()完好'激光水平仪’(激光)完好木材等建材水份检测(德图)完好转速表()完好激光扫平仪(激光北光)完好激光测距仪(激光德国)完好便携式多功能测试仪土建工程拟投入工程检测设备拟配备本工程的试验和检测仪器设备表附表二序号机械或设备名称型号规格数量国别产地制造年份功率生产能力用于施工部位备注经纬仪中国年测量水准仪中国年测量水平仪中国年测量磅秤中国年检测锤线球中国年测量砂浆试模中国年试验卷尺中国年测量超声波探伤仪—中国年检测数字万用表中国年测量数字兆欧表万中国年检测便携式多功能测试中国年检测曲国由古¥也耶畀曲国由古¥也耶畀曲国由()側当古£呼目曲国由制鹽干獴鄂曲国由临钿鰹鏑曲国由也削曲毎出曲国由古出丑男WT蛙宙¥鵰睾手奉直曲剽爭W 昭国書诲魁解菩蛊澀牙男住率酗峯男密工鲫至王聘工伞Y 聊踽曲国由器韦尊菩号祁装载机中国年土方装卸蛙式打夯机中国年基础夯实空气压缩机中国年风钻压路机X中国年路面压实潜水泵中国年抽水洒水车中国年养护发电机中国年停电备用切割机中国年路面切割手推车中国年运输插入式振动器中国年砼捣实平板振动器中国年砼捣实卷扬机中国年搬运临时设施用地表附表六序号用途面积()位置需用时间材料设备堆放场施工现场整个施工期间钢筋加工场施工现场整个施工期间附表三单位:人工种按工程施工阶段投入劳动力情况年月月月月月月月电工管工电焊工钢筋工砼工瓦工木工架子工铆工起重 T驾驶员特种机械驾驶员普工注:投标人所列格式提交包括分包人在内的估计劳动力计划表。本计划表是以每班八小时工作制为基础编

1、当您付费下载文档后,您只拥有了使用权限,并不意味着购买了版权,文档只能用于自身使用,不得用于其他商业用途(如 [转卖]进行直接盈利或[编辑后售卖]进行间接盈利)。
2、本站所有内容均由合作方或网友上传,本站不对文档的完整性、权威性及其观点立场正确性做任何保证或承诺!文档内容仅供研究参考,付费前请自行鉴别。
3、如文档内容存在违规,或者侵犯商业秘密、侵犯著作权等,请点击“违规举报”。

碎片内容

装饰工程拟投入工程和检测设备

您可能关注的文档

确认删除?
VIP
微信客服
  • 扫码咨询
会员Q群
  • 会员专属群点击这里加入QQ群
客服邮箱
回到顶部