电脑桌面
添加小米粒文库到电脑桌面
安装后可以在桌面快捷访问

精选网架施工方案

精选网架施工方案_第1页
1/17
精选网架施工方案_第2页
2/17
精选网架施工方案_第3页
3/17
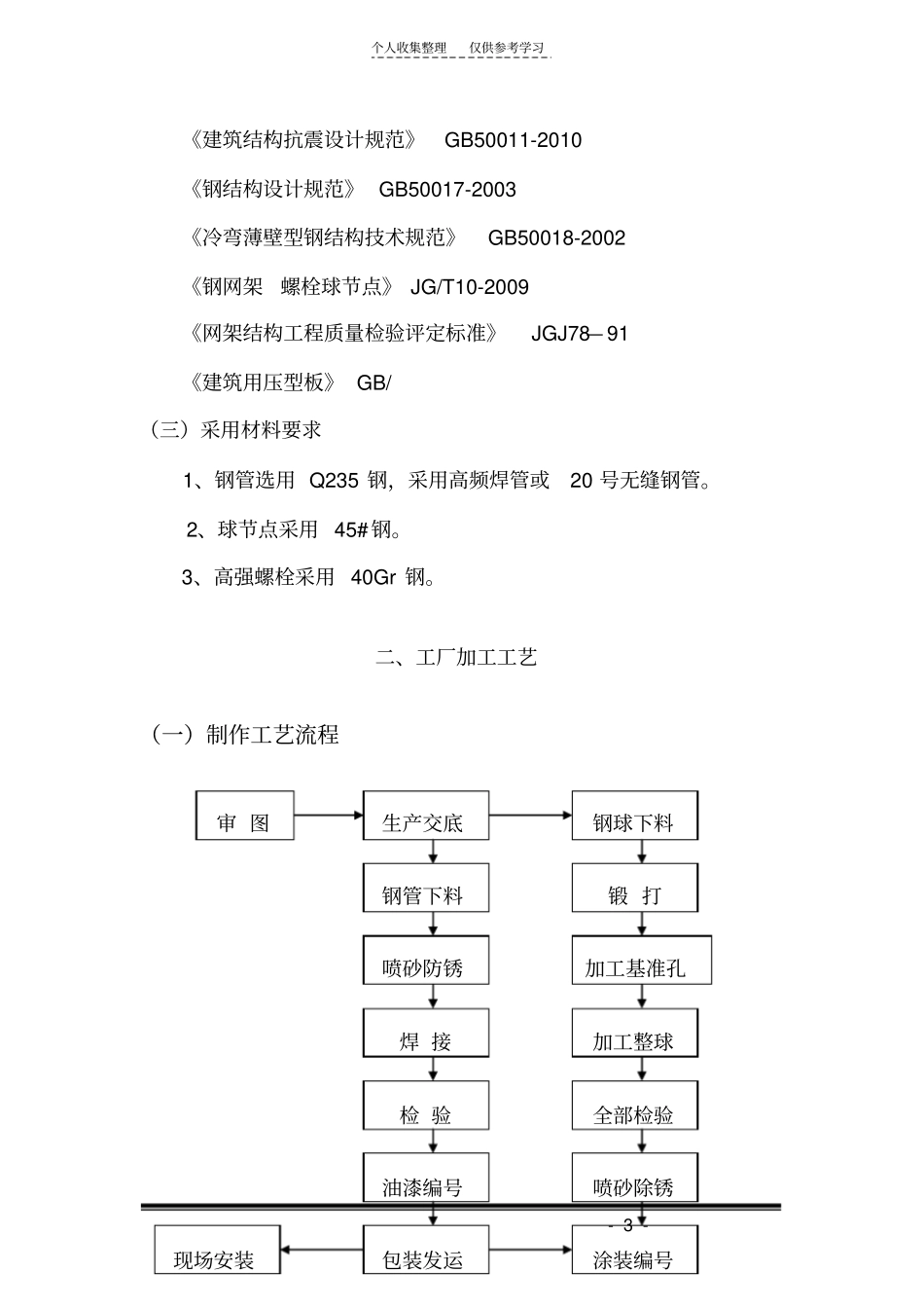
个人收集整理仅供参考学习- 1 -枣庄市国土资源交易中心网架工程散装钢网架屋顶施工技术江苏鑫鹏钢结构工程有限公司二 0 一二年五月个人收集整理仅供参考学习- 2 -一、工程概况(一)工程概况枣庄市国土交易中心钢网架工程, 由枣庄市建筑设计院总体规划设 计 , 江 苏 鑫 鹏 钢 结 构 有 限 公 司 ( 钢 结 构 工 程 设 计 专 项 甲 级A132005310 )计算出图。 网架轴线尺寸 25.2 米×15 米。网架为普通钢螺栓球节点正方四角锥,周边六点支撑,网架矢高1500. 屋面围护采用不锈钢网+ 75mm 保温棉+ 0.9mm 铝镁锰金属板,单向集中排水。1、平面尺寸: 25.2×15m2、结构:正放四角锥螺栓球节点3、网格尺寸: 2800 ×2500( 有非标 ) 4、网架高度: H=1.5m 5、跨中最大挠度:见设计图6、选用杆件截面:φ 48×3.5 φ60×3.5 φ75.5×3.75 φ88.5×4 φ114×4 φ140×4 (二)编制依据《钢结构工程施工质量验收规范》GB50205-2001 《网架结构设计与施工规程》JGJ7 —2010 《建筑结构荷载规范》GB50009-2001 (2006 年版)个人收集整理仅供参考学习- 3 -《建筑结构抗震设计规范》GB50011-2010 《钢结构设计规范》 GB50017-2003 《冷弯薄壁型钢结构技术规范》GB50018-2002 《钢网架螺栓球节点》 JG/T10-2009 《网架结构工程质量检验评定标准》JGJ78— 91 《建筑用压型板》 GB/(三)采用材料要求1、钢管选用 Q235 钢,采用高频焊管或20 号无缝钢管。2、球节点采用 45#钢。3、高强螺栓采用 40Gr 钢。二、工厂加工工艺(一)制作工艺流程审 图生产交底钢球下料钢管下料锻 打喷砂防锈加工基准孔焊 接加工整球检 验全部检验油漆编号喷砂除锈包装发运现场安装涂装编号个人收集整理仅供参考学习- 4 -(二)加工要求1、用于制造杆件的钢材、品种、规格、质量必须符合设计规范及相应标准,应有出厂合格证明。2、钢管必须采用有机切割的方法,确保精度和坡口的准确性,杆件下料应考虑其焊接收缩量,影响焊接收缩量的因素较多, 如焊缝深度,环境温度、电流强度、焊接方法等。焊接收缩量的大小,根据以往的经验, 再结合现场和网架的具体情况通过试验来确定。壁厚大于 4mm 的钢管要开坡口。钢管制作长度允许偏差±3mm;杆件轴线水平直度不超过 L/1000 且不大于 5mm。3、螺栓球应按机械行业标准进行加工,并满足受力要求,各螺栓孔螺纹尺寸符合《普通螺纹基本尺寸》(G...

1、当您付费下载文档后,您只拥有了使用权限,并不意味着购买了版权,文档只能用于自身使用,不得用于其他商业用途(如 [转卖]进行直接盈利或[编辑后售卖]进行间接盈利)。
2、本站所有内容均由合作方或网友上传,本站不对文档的完整性、权威性及其观点立场正确性做任何保证或承诺!文档内容仅供研究参考,付费前请自行鉴别。
3、如文档内容存在违规,或者侵犯商业秘密、侵犯著作权等,请点击“违规举报”。

碎片内容

精选网架施工方案

确认删除?
VIP
微信客服
  • 扫码咨询
会员Q群
  • 会员专属群点击这里加入QQ群
客服邮箱
回到顶部