电脑桌面
添加小米粒文库到电脑桌面
安装后可以在桌面快捷访问

纱支换算以及纺织品报价

纱支换算以及纺织品报价_第1页
1/8
纱支换算以及纺织品报价_第2页
2/8
纱支换算以及纺织品报价_第3页
3/8
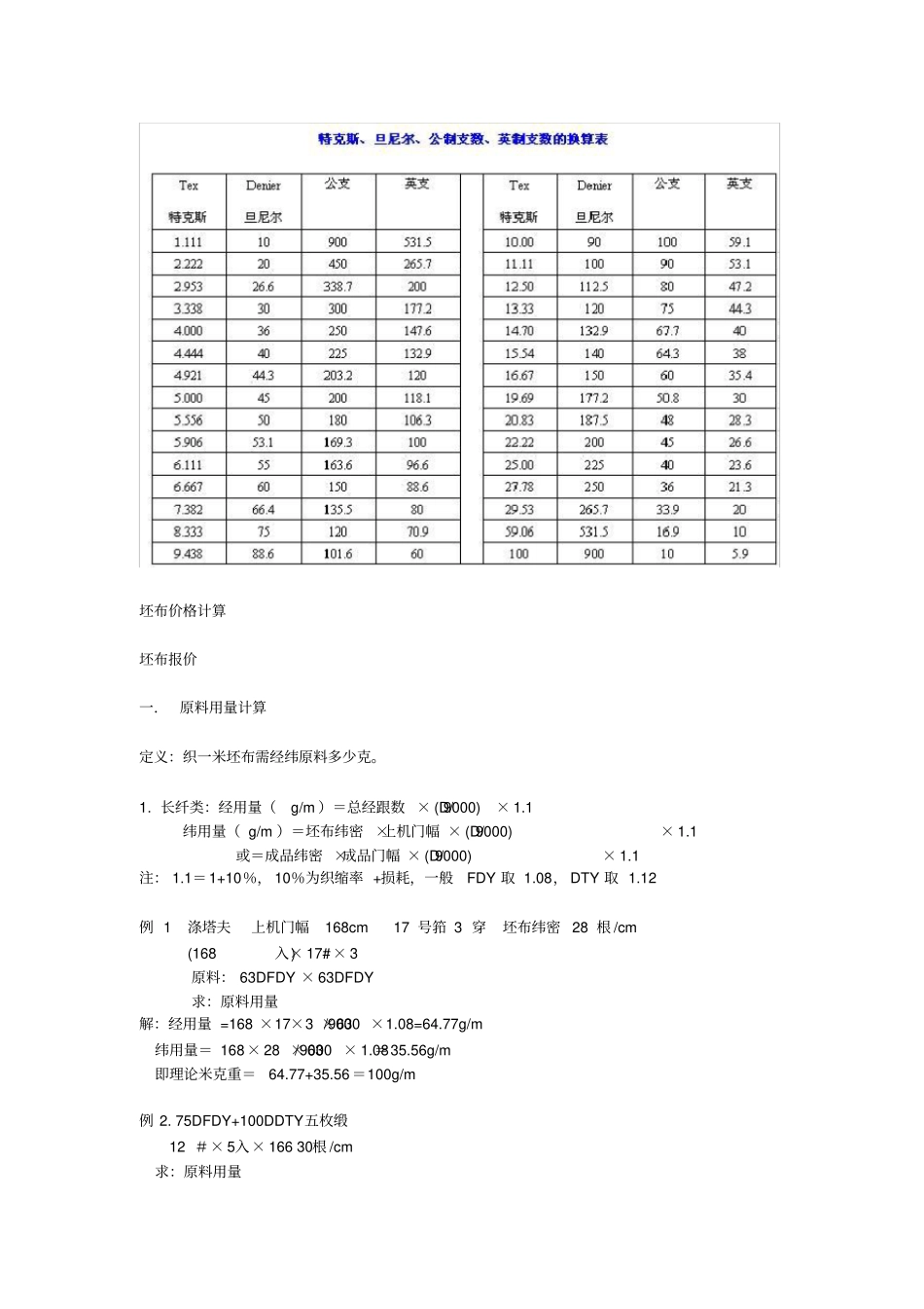
纱支换算公式全收录定长制计算公式:(1)、旦尼尔 (D)=g/L*9000 其中 g 为丝线的重量 (克),L 为丝线的长度 (米) (2)、特克斯 (号数 )[tex(H)]: tex=g/L*1000 其中 g 为纱 (或丝 )的重量 (克),L 为纱 (或丝 )的长度 (米) (3)、分特克斯 (dtex): dtex=g/L*9000 其中 g 为丝线的重量 (克),L为丝线的长度 (米 ) 定重制计算公式: (1)、公制支数 (N):N=L/G 其中 G 为纱 (或丝 )的重量 (克),L 为纱 (或丝 )的长度 (米) (2)、英制支数 (S):S=L/(G*840) 其中 G 为丝线的重量 (磅),L 为丝线的长度 (码) 2、选择换算公式:(1)、公制支数 (N)与旦尼尔 (D)的换算公式 =9000/N (2)、英制支数 (S)与旦尼尔 (D)的换算公式 =5315/S (3)、分特克斯 (dtex)与特克斯 (tex)的换算公式 :1tex=10dtex (4)、特克斯 (tex)与旦尼尔 (D)的换算公式 :tex=D/9 (5)、特克斯 (tex)与英制支数 (S)的换算公式 :tex=K/S K 值:纯棉纱 K=583.1 纯化纤K=590.5 涤棉纱 K=587.6 棉粘纱 (75:25)K=584.8 维棉纱 (50:50)K=587.0 (6)、特克斯 (tex)与公制数 (N)的换算公式 :tex=1000/N (7)、分特克斯 (dtex)与旦尼尔 (D)的换算公式 :dtex=10D/9 (8)、分特克斯 (dtex)与英制支数 (S)的换算公式 : dtex=10K/S K 值:纯棉纱 K=583.1 纯化纤 K=590.5 涤棉纱 K=587.6 棉粘纱 (75:25)K=584.8 维棉纱 (50:50)K=587.0 (9)、分特克斯 (dtex)与公制支数 (N)的换算公式 :dtex=10000/N (10)、公制厘米 (cm)与英制英寸 (inch)的换算公式 :1inch=2.54cm (11)、公制米 (M)与英制码 (yd)的换算公式 :1 码=0.9144 米(12)、绸缎平方米克重(g/m2) 与姆米 (m/m) 的换算公式 :1m/m=4.3056g/m2 (13)、绸缎的实际重量与磅重的换算公式:磅重 (lb)=每米绸重(g/m)*0.9144(m/yd)*50(yd)/453.6(g/yd)坯布价格计算坯布报价一. 原料用量计算定义:织一米坯布需经纬原料多少克。1. 长纤类:经用量(g/m )=总经跟数 × (D/9000) × 1.1 纬用量( g/m )=坯布纬密 ×上机门幅 × (D/9000) × 1.1 或=成品纬密 ×成品门幅 × (D/9000) × 1.1 注: 1.1=1+10%, 10%为织缩率 +损耗,一般FDY 取 1.08, DTY 取 1.12 例 1 涤塔夫上机门幅168cm 17 号筘 3 穿坯布纬密 28 根 /cm (168 × 17#× 3 入) 原料: 63DFDY × 63DFDY 求:原料用量解...

1、当您付费下载文档后,您只拥有了使用权限,并不意味着购买了版权,文档只能用于自身使用,不得用于其他商业用途(如 [转卖]进行直接盈利或[编辑后售卖]进行间接盈利)。
2、本站所有内容均由合作方或网友上传,本站不对文档的完整性、权威性及其观点立场正确性做任何保证或承诺!文档内容仅供研究参考,付费前请自行鉴别。
3、如文档内容存在违规,或者侵犯商业秘密、侵犯著作权等,请点击“违规举报”。

碎片内容

纱支换算以及纺织品报价

文库当当响+ 关注
实名认证
内容提供者

该用户很懒,什么也没介绍

确认删除?
VIP
微信客服
  • 扫码咨询
会员Q群
  • 会员专属群点击这里加入QQ群
客服邮箱
回到顶部