电脑桌面
添加小米粒文库到电脑桌面
安装后可以在桌面快捷访问

斜楔夹紧机构的计算与卡盘卡爪夹紧图例

斜楔夹紧机构的计算与卡盘卡爪夹紧图例_第1页
1/6
斜楔夹紧机构的计算与卡盘卡爪夹紧图例_第2页
2/6
斜楔夹紧机构的计算与卡盘卡爪夹紧图例_第3页
3/6
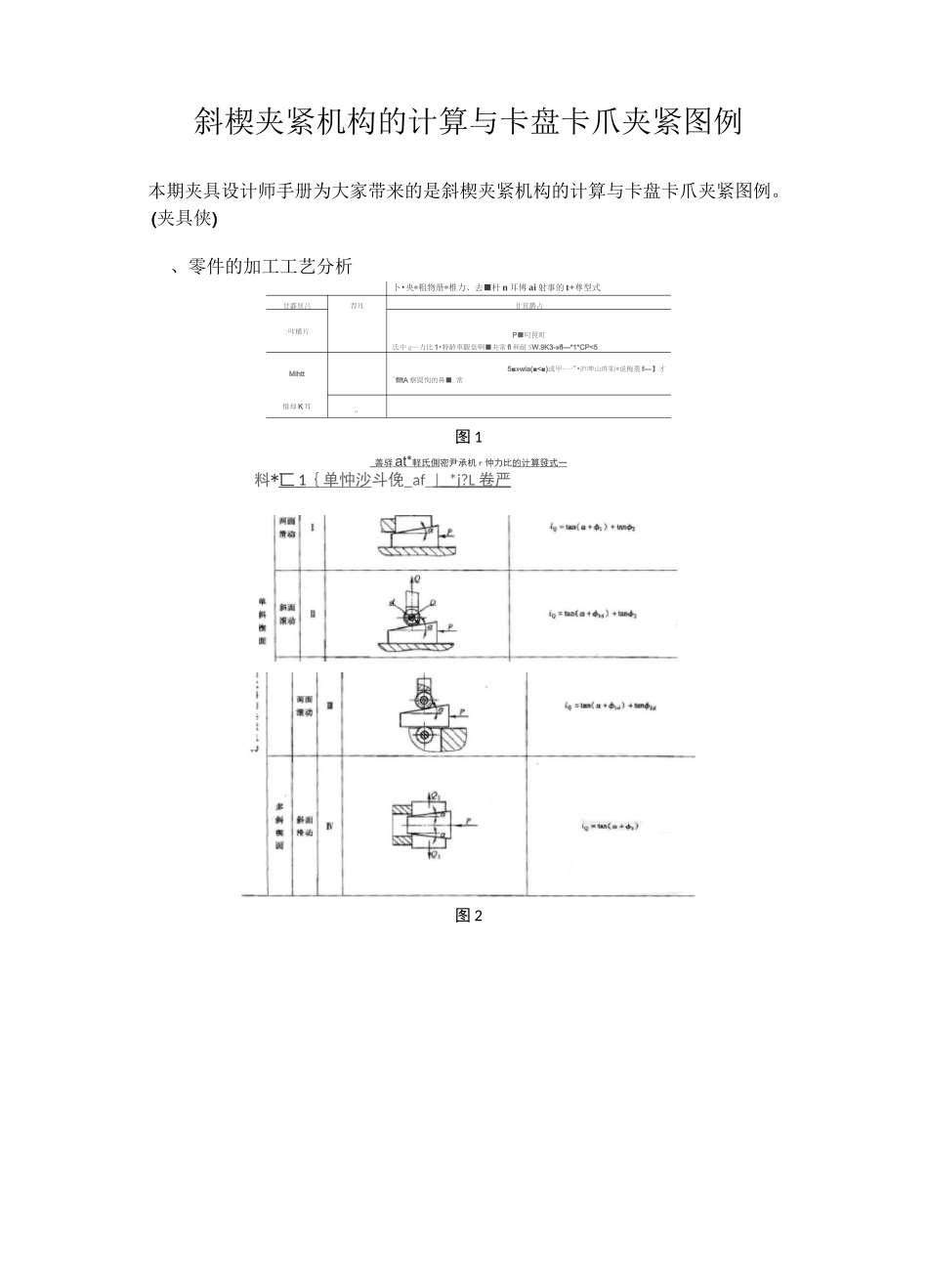
斜楔夹紧机构的计算与卡盘卡爪夹紧图例本期夹具设计师手册为大家带来的是斜楔夹紧机构的计算与卡盘卡爪夹紧图例。(夹具侠)、零件的加工工艺分析卜•央*粗物册*椎力、去■杆 n 耳傅 ai 射事的 t+尊型式廿霹厘吕荐耳廿箕欝占:咔權片P■叼罠町氏中 g—力比 1•特龄車觀盘啊■夬常 fl 和耐 SW.9K3-»fl—*1*CP<5Mihtt5■»wia(■<■)或甲-一"•庐呻山昨阳*说梅農 f—】才~flftA 察罠恂的鼻■.常惜却 K 耳”图 1_ 善驿 at* 軽氏側 密尹承机 r 忡力比的计算發式一料*匸 1 {单忡沙 斗俛_af_| _*j?L 卷严 图 2(篦)17®BJUT1-I__辛石「弹第;:'d=Dtaneid=Dtane2表中 P—作用在斜楔夹紧机构上的外力(N);Q—斜楔面上所产生的夹紧力(N);Q]—多斜楔面夹紧机构上,每一斜楔面上所产生的夹紧力〔N):Q]=Qnn—多斜楔夹紧机构的斜楔作用面数;a—斜楔夹紧机构的斜楔角;q—平面摩擦时,作用在斜楔面上的摩擦角;%—平面摩擦时,作用在斜楔基面上的摩擦角;%—移动柱塞双头导向时,导向孔与移动柱塞间的摩擦角;e—滚子作用在斜楔面上的当量摩擦角:tane1d1dd—滚子转轴直径(mm);D—滚子外径(mm);e—滚子作用在斜楔面上的当量摩擦角:tane2d2d3le'—移动柱塞单头导向时,导向孔与移动柱塞闻的摩擦角:tane'=tan©33h3图 5 二、卡盘卡爪夹紧图例11 界俺符号h—移动柱塞导向孔长度(mm);L—移动柱塞导向孔中点到斜楔面的距离(mm)。音种斜樱机椅的匚匚 rt.计算爼式计算观 H毎于斜帳面的行程弭規兜 St 机构理皱特动比tan料拥的自创枚阵电 I〔翰 d)+站图 793这些卡爪是供外购的三爪卡盘所用,在设计上用来夹持形状不规则的工件。图 794这种设计可在卡爪的退出距离不足以卸下工件时使用。图 796这些卡爪是供外购的三爪卡盘所用,在设计上用来夹持形伏不规则的工件。图 797 当卡盘的三个卡爪的退出量不够而不能卸下工件时,可以采用这种结构。爪 A 的退出量应做到让附加爪 B 向左移动足够的距离来使 B 的键槽能从 A 的榫 C 中脱出,以便 B 能向上转动,从而让出足够的空间来卸下工件。三个卡盘卡爪中只有一个需带附加爪。呛・陵右胡 1.*=g*心、W*I1V1n4[£*”aaiBBFaEDai-u0.ISHIJJ 酒 g也I3TMETD.I»U.]Wn.157G-.13ate?■Z9.151(LM>”54131aLt•叫0H-euG»nBQ44i*M'as**sd.Z44tLI.-M也i44U144包U也饷ELIM0I4JD.tU血他&laim-«.1...

1、当您付费下载文档后,您只拥有了使用权限,并不意味着购买了版权,文档只能用于自身使用,不得用于其他商业用途(如 [转卖]进行直接盈利或[编辑后售卖]进行间接盈利)。
2、本站所有内容均由合作方或网友上传,本站不对文档的完整性、权威性及其观点立场正确性做任何保证或承诺!文档内容仅供研究参考,付费前请自行鉴别。
3、如文档内容存在违规,或者侵犯商业秘密、侵犯著作权等,请点击“违规举报”。

碎片内容

斜楔夹紧机构的计算与卡盘卡爪夹紧图例

wxg+ 关注
实名认证
内容提供者

该用户很懒,什么也没介绍

确认删除?
VIP
微信客服
  • 扫码咨询
会员Q群
  • 会员专属群点击这里加入QQ群
客服邮箱
回到顶部