电脑桌面
添加小米粒文库到电脑桌面
安装后可以在桌面快捷访问

绿化检验批全套

绿化检验批全套_第1页
1/16
绿化检验批全套_第2页
2/16
绿化检验批全套_第3页
3/16
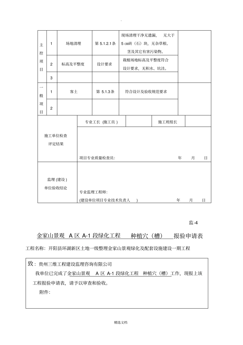
. 精选文档监-4 金家山景观 A 区 A-1 段绿化工程整理绿化用地报验申请表工程名称:开阳县环湖新区土地一级整理金家山景观绿化及配套设施建设一期工程致 :贵州三维工程建设监理咨询有限公司我单位已完成了金家山景观A 区 A-1 段绿化工程整理绿化用地工作,现报上该工程报验申请表,请予以审查和验收。附件:1、整理绿化用地检验批质量验收记录表承包单位(章)项目经理日期. 精选文档审查意见:项目监理机构总/ 专业监理工程师日期整理绿化用地检验批质量验收记录表单位 (子单位 )工程名称开阳县环湖新区土地一级整理金家山景观绿化及配套设施建设一期工程分部 (子分部 )(分项 )工程名称A 区绿化验收部位A-1施工单位贵州建工建筑装饰环境绿化工程有限公司项目经理李林分包单位/分包项目经理/施工执行标准名称及编号《园林绿化工程施工及验收规范》(DB11/T 212-2009 )施工质量验收规范的规定施工单位检查评定记录监理 (建设 )单位验收记录. 精选文档监-4金家山景观 A 区 A-1 段绿化工程种植穴(槽)报验申请表工程名称:开阳县环湖新区土地一级整理金家山景观绿化及配套设施建设一期工程致 :贵州三维工程建设监理咨询有限公司我单位已完成了金家山景观A 区 A-1 段绿化工程种植穴(槽)工作,现报上该工程报验申请表,请予以审查和验收。附件:主控项目1场地清理第 5.1.2.1条现场清理干净无遗漏,无大于5 ㎝砖(石)块,无杂草根、茎及其它有害污染物。2标高及平整度设计要求栽植场地标高及平整度符合设计要求,无积水、坑洼。3一般项目1客土第 5.1.3条符合设计及验收规范要求2施工单位检查评定结果专业工长 (施工员 ) 施工班组长项目专业质量检查员:年月日监理 (建设 )单位验收结论专业监理工程师:(建设单位项目专业技术负责人) 年月日. 精选文档1、种植穴(槽)检验批质量验收记录表承包单位(章)项目经理日期审查意见:项目监理机构总/ 专业监理工程师. 精选文档日期种植穴(槽)检验批质量验收记录表单位 (子单位 )工程名称开阳县环湖新区土地一级整理金家山景观绿化及配套设施建设一期工程分部 (子分部 )(分项 )工程名称A 区绿化验收部位A-1施工单位贵州建工建筑装饰环境绿化工程有限公司项目经理李林分包单位/分包项目经理/施工执行标准名称及编号《园林绿化工程施工及验收规范》(DB11/T 212-2009 )施工质量验收规范的规定施工单位检查评定记录监理 (建设 )单位验收记录主控项目...

1、当您付费下载文档后,您只拥有了使用权限,并不意味着购买了版权,文档只能用于自身使用,不得用于其他商业用途(如 [转卖]进行直接盈利或[编辑后售卖]进行间接盈利)。
2、本站所有内容均由合作方或网友上传,本站不对文档的完整性、权威性及其观点立场正确性做任何保证或承诺!文档内容仅供研究参考,付费前请自行鉴别。
3、如文档内容存在违规,或者侵犯商业秘密、侵犯著作权等,请点击“违规举报”。

碎片内容

绿化检验批全套

确认删除?
VIP
微信客服
  • 扫码咨询
会员Q群
  • 会员专属群点击这里加入QQ群
客服邮箱
回到顶部