电脑桌面
添加小米粒文库到电脑桌面
安装后可以在桌面快捷访问

水泵订货技术协议

水泵订货技术协议_第1页
1/22
水泵订货技术协议_第2页
2/22
水泵订货技术协议_第3页
3/22
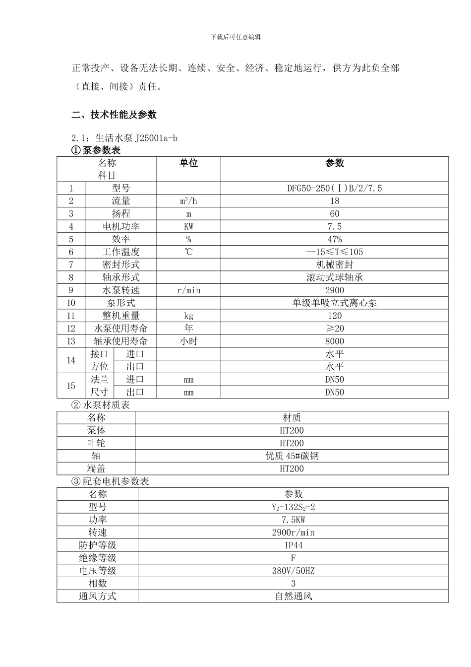
下载后可任意编辑****有限公司焦化项目水泵技术协议 下载后可任意编辑业 主 方:****公司总承包方:****工程有限公司卖 方:****有限公司签订地点:项目现场2010 年 3 月 26 日 ****有限公司焦化项目第十标段水泵技术协议书****有限公司(以下简称:需方)与****泵业(集团)有限公司(以下简称:供方),双方经仔细协商,就供方向需方提供的焦化项目新奇水泵、循环水泵、复用水泵技术要求进行了充分的讨论,主要技术事宜达成本技术协议。一、总则1:本技术法律规范是为****有限公司焦化项目所需设备编制的。在本技术法律规范中,对设备的技术性能、技术参数、供货范围、技术服务和责任提出了基本要求。 2:供方提供符合设计院技术要求和本协议书有关工业标准的优质产品。3:本协议书所使用的标准如遇与供方所执行的标准发生矛盾时,按较高标准执行。4:供方对供货设备的总体性能负全部责任,保证达到系统设计要求和满足运行需要。因供方所负责的水泵及附件等的选型设计、制造质量问题导致机组无法下载后可任意编辑正常投产、设备无法长期、连续、安全、经济、稳定地运行,供方为此负全部(直接、间接)责任。二、技术性能及参数2.1:生活水泵 J25001a-b① 泵参数表 名称科目单位参数1型号DFG50-250(Ⅰ)B/2/7.52流量m3/h183扬程m604电机功率KW7.55效率%47%6工作温度℃—15≤T≤1057密封形式机械密封8轴承形式滚动式球轴承9水泵转速r/min290010泵形式单级单吸立式离心泵11整机重量kg12012水泵使用寿命年≥2013轴承使用寿命小时800014接口方位进口水平出口水平15法兰尺寸进口mmDN50出口mmDN50② 水泵材质表名称材质泵体HT200叶轮HT200轴优质 45#碳钢端盖HT200③ 配套电机参数表名称参数型号Y2-132S2-2功率7.5KW转速2900r/min防护等级IP44绝缘等级F电压等级380V/50HZ相数3通风方式自然通风下载后可任意编辑电机重量70kg生产厂家佳木斯电机股份有限公司2.2:生产水泵 J25002a-c① 泵参数表 名称科目单位参数1型号DFSS200-7N/2C2流量m3/h2003扬程m604电机功率KW555效率%71%6工作温度℃T≤807密封形式填料密封8轴承形式滚动式球轴承9水泵转速r/min290010泵形式卧式蜗壳双吸泵11泵头重量kg23312水泵使用寿命年≥2013轴承使用寿命小时8000汽蚀余量《6m14接口方位进口水平出口水平15法兰尺寸进口mmDN200出口mmDN150② 水泵材质表名称材质泵体HT250叶轮HT250轴优质 45#碳钢轴套HT250③ 配套电机参数表名称参数型号Y2-250M-2功率55KW转...

1、当您付费下载文档后,您只拥有了使用权限,并不意味着购买了版权,文档只能用于自身使用,不得用于其他商业用途(如 [转卖]进行直接盈利或[编辑后售卖]进行间接盈利)。
2、本站所有内容均由合作方或网友上传,本站不对文档的完整性、权威性及其观点立场正确性做任何保证或承诺!文档内容仅供研究参考,付费前请自行鉴别。
3、如文档内容存在违规,或者侵犯商业秘密、侵犯著作权等,请点击“违规举报”。

碎片内容

水泵订货技术协议

您可能关注的文档

确认删除?
VIP
微信客服
  • 扫码咨询
会员Q群
  • 会员专属群点击这里加入QQ群
客服邮箱
回到顶部