电脑桌面
添加小米粒文库到电脑桌面
安装后可以在桌面快捷访问

消防器材设备采购合同

消防器材设备采购合同_第1页
1/6
消防器材设备采购合同_第2页
2/6
消防器材设备采购合同_第3页
3/6
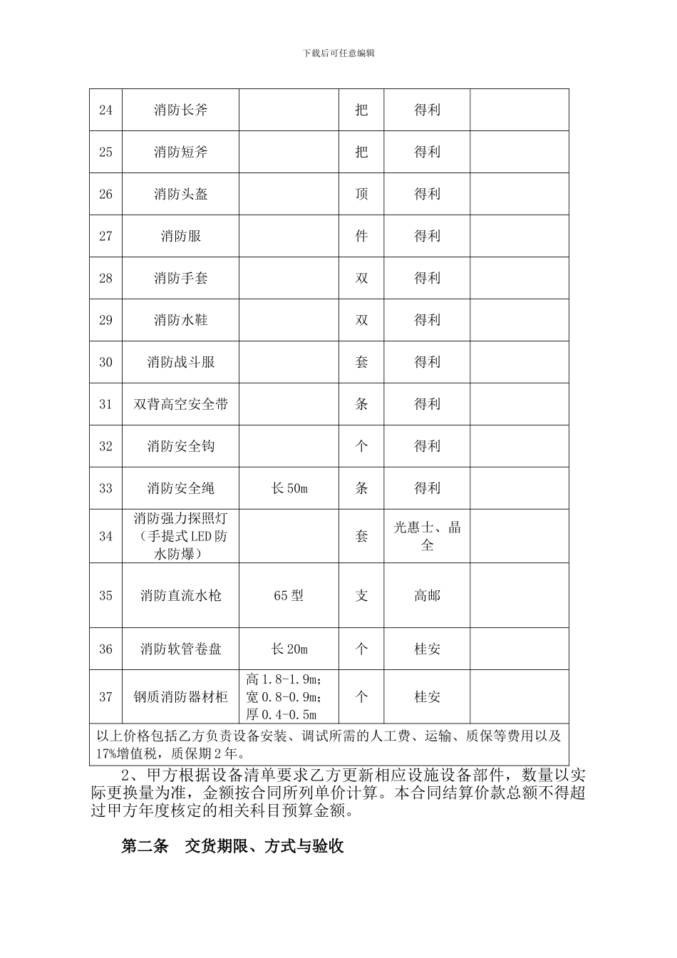
下载后可任意编辑消防器材设备采购合同 合同编号: 采购方(甲方):英格尔检测技术服务 ( 上海 ) 有限公司 销售方(乙方): 本合同甲方与乙方就消防器材设备进行采购的货品交易。双方经过平等协商,在真实、充分地表达各自意愿的基础上,根据《中华人民共和国合同法》的规定,达成如下协议,并由双方共同恪守。第一条 设备内容及价款1、乙方向甲方提供的设备如下表所示:消防器材设备报价单序号名称 规格型号单位参考品牌综合单价(元)1防毒面具XHXLC40个友安38 2疏散指示灯个三雄极光3应急灯个三雄极光4安全出口灯个三雄极光 5ABC 干粉灭火器2kg个桂安 6ABC 干粉灭火器4kg个桂安 7手提式二氧化碳灭火器3kg个桂安下载后可任意编辑8推车式干粉灭火器35KG个桂安9灭火毯(碳纤维)1M*1M个友安10消防水带65 型*25M条金佐 11消防栓(装消防水带的消防箱)高 63CM;宽 43.5CM;厚 22.5CM个桂安 12消防栓(装消防水带的消防箱)高 80.5CM;宽 66CM;厚 24CM个桂安 13消防箱(装灭火器的消防箱)高 80CM;宽 34CM;厚 20CM个桂安 14消防箱(装灭火器的消防箱) 高 56CM;宽 34CM;厚 19CM个桂安 15消防箱(装灭火器的消防箱) 高 67.6CM;宽 30CM;厚 20CM个桂安16消防箱(装灭火器的消防箱) 高 56CM;宽 34CM;厚 19CM个桂安 17消防箱(装灭火器的消防箱) 高 75CM;宽 34.5CM;厚 20CM个桂安 18消防战斗腰带条得利19手提式二氧化碳灭火器2kg具桂安20二氧化碳推车式灭火器24kg台桂安21泡沫灭火器3L瓶桂安 22灭火器箱(含两个逃走面具位)4×2+2 落地式个恒安 23灭火器箱4×2 落地式个恒安 下载后可任意编辑24消防长斧把得利 25消防短斧把得利26消防头盔顶得利27消防服件得利28消防手套双得利 29消防水鞋双得利 30消防战斗服套得利31双背高空安全带条得利32消防安全钩个得利33消防安全绳长 50m条得利 34消防强力探照灯(手提式 LED 防水防爆)套光惠士、晶全 35消防直流水枪65 型支高邮 36消防软管卷盘长 20m个桂安 37钢质消防器材柜高 1.8-1.9m;宽 0.8-0.9m;厚 0.4-0.5m个桂安 以上价格包括乙方负责设备安装、调试所需的人工费、运输、质保等费用以及17%增值税,质保期 2 年。2、甲方根据设备清单要求乙方更新相应设施设备部件,数量以实际更换量为准,金额按合同所列单价计算。本合同结算价款总额不得超过甲方年度核定的相关科目预算金额。第二条 交货期限、方式与验收下载后可...

1、当您付费下载文档后,您只拥有了使用权限,并不意味着购买了版权,文档只能用于自身使用,不得用于其他商业用途(如 [转卖]进行直接盈利或[编辑后售卖]进行间接盈利)。
2、本站所有内容均由合作方或网友上传,本站不对文档的完整性、权威性及其观点立场正确性做任何保证或承诺!文档内容仅供研究参考,付费前请自行鉴别。
3、如文档内容存在违规,或者侵犯商业秘密、侵犯著作权等,请点击“违规举报”。

碎片内容

消防器材设备采购合同

您可能关注的文档

确认删除?
VIP
微信客服
  • 扫码咨询
会员Q群
  • 会员专属群点击这里加入QQ群
客服邮箱
回到顶部