电脑桌面
添加小米粒文库到电脑桌面
安装后可以在桌面快捷访问

电焊机购买合同

电焊机购买合同_第1页
1/4
电焊机购买合同_第2页
2/4
电焊机购买合同_第3页
3/4
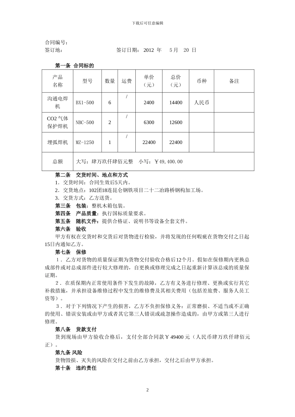
电焊机采 购 合 同甲 方(买受人): 乙 方(出卖人): 下载后可任意编辑合同编号: 签订地: 签订日期: 2012 年 5 月 20 日 第一条 合同标的 产品名称型号数量运费单价(元)总价(元)币种备注沟通电焊机BX1-5006/240014400人民币CO2 气体保护焊机NBC-5002/630012600埋弧焊机MZ-12501/2240022400总额大写:肆万玖仟肆佰元整 小写:¥49,400.00第二条 交货时间、地点和方式 1.交货时间:合同生效后5天内。2.交货地点:102团18连昆仑钢铁项目二十二冶路桥钢构加工场。3.交货方式:乙方送货。第三条包装:整机木箱包装。第四条产品质量:执行国标质量要求。第五条 随机文件:提供合格证、说明书等设备全套文件。第六条 验收 甲方有权在交货时和交货后对货物进行检验,并将发现的任何暇疵在货物交付之日起15日内通知乙方。第七条 保修 1.乙方对货物的质量保证期为货物交付验收合格后12个月。假如在保修期内更换总成部件或对总成部件进行较大修理的,自更换或修理完成之日起重新计算该总成的质量保证期。2.在质保期内正常使用条件下发生的故障,乙方有义务进行修理、更换或实行其它补救措施,并承担设备维修过程中发生的维修费及其相关费用(包括差旅费、服务人员工资等)。3.对于下列情况下产生的损害,乙方不负担保修义务:正常磨损、不适当或不正确的使用、错误安装或由甲方或者其它第三人错误或疏忽操作造成的,由甲方或第三人进行修理。第八条 货款支付货到现场由甲方验收合格后,支付全部合同款¥ 49400 元(人民币肆万玖仟肆佰元正)。第九条 风险 货物毁损、灭失的风险在交付之前由乙方承担,交付之后由甲方承担。第十条 违约责任 2下载后可任意编辑1、乙方不能按合同约定提供合格标的物时,视为乙方违约。2、当标的物交货验收后发生故障时,乙方在接到甲方服务电话后24小时不能到达现场,或到达现场后不能及时修复的,视为乙方违反保修承诺,甲方可根据修复费用向乙方追偿。第十一条 本合同未尽事宜,由双方另行协商补充,补充协议与本合同具有同等的法律效力。第十二条 本合同实施过程中,如发生争议,由双方本着互谅互让的精神协商解决,如协商不成,在当地人民法院诉讼解决。第十三条 本合同经甲乙双方签字并盖章之日起生效。第十四条本合同正本一式四份,甲方执两份,乙方执两份,具有同等的法律效力。甲方: 地址: 邮编: 064000电话 : 传真: 开户行: 帐号:纳税人登记号: 法...

1、当您付费下载文档后,您只拥有了使用权限,并不意味着购买了版权,文档只能用于自身使用,不得用于其他商业用途(如 [转卖]进行直接盈利或[编辑后售卖]进行间接盈利)。
2、本站所有内容均由合作方或网友上传,本站不对文档的完整性、权威性及其观点立场正确性做任何保证或承诺!文档内容仅供研究参考,付费前请自行鉴别。
3、如文档内容存在违规,或者侵犯商业秘密、侵犯著作权等,请点击“违规举报”。

碎片内容

电焊机购买合同

您可能关注的文档

确认删除?
VIP
微信客服
  • 扫码咨询
会员Q群
  • 会员专属群点击这里加入QQ群
客服邮箱
回到顶部