电脑桌面
添加小米粒文库到电脑桌面
安装后可以在桌面快捷访问

计量标准考核申请书

计量标准考核申请书_第1页
1/7
计量标准考核申请书_第2页
2/7
计量标准考核申请书_第3页
3/7
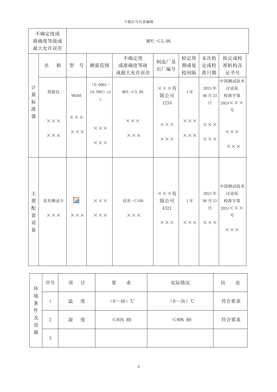
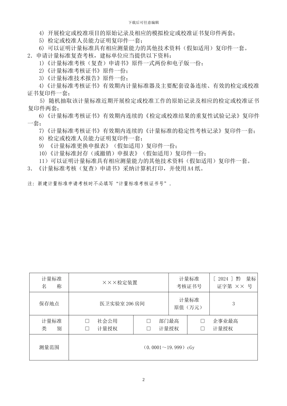
下载后可任意编辑附录 A计量标准考核(复查)申请书格式计量标准考核(复查)申请书[ 2024 ] 黔 量标 证字第 ×× 号计量标准名称 ×××× 装置 计量标准代码 125×××× 建标单位名称 贵州省 ×××× 计量检测所 组织机构代码 345 ×××× 单 位 地 址 贵州省 ×× 市 ×× 县 ×××× 邮 政 编 码 55 ×××× 计量标准负责人及电话 张 ×× , 139 ×××××××× 计量标准管理部门联系人及电话 李 ×× , 139 ×××××××× 年 月 日说 明1.申请新建计量标准考核,建标单位应当提供以下资料:1) 《计量标准考核(复查)申请书》原件一式两份和电子版一份;2) 《计量标准技术报告》原件一份; 3) 计量标准器及主要配套设备有效的检定或校准证书复印件一套;1下载后可任意编辑4) 开展检定或校准项目的原始记录及相应的模拟检定或校准证书复印件两套;5) 检定或校准人员能力证明复印件一套;6) 可以证明计量标准具有相应测量能力的其他技术资料(假如适用)复印件一套。2.申请计量标准复查考核,建标单位应当提供以下资料:1)《计量标准考核(复查)申请书》原件一式两份和电子版一份;2)《计量标准考核证书》原件一份;3)《计量标准技术报告》原件一份;4)《计量标准考核证书》有效期内计量标准器及主要配套设备连续、有效的检定或校准证书复印件一套; 5) 随机抽取该计量标准近期开展检定或校准工作的原始记录及相应的检定或校准证书复印件两套; 6)《计量标准考核证书》有效期内连续的《检定或校准结果的重复性试验记录》复印件一套;7)《计量标准考核证书》有效期内连续的《计量标准的稳定性考核记录》复印件一套;8) 检定或校准人员能力证明复印件一套;9) 《计量标准更换申报表》(假如适用)复印件一份;10)《计量标准封存(或撤销)申报表》(假如适用)复印件一份; 11)可以证明计量标准具有相应测量能力的其他技术资料(假如适用)复印件一套。3.《计量标准考核(复查)申请书》采纳计算机打印,并使用 A4 纸。注:新建计量标准申请考核时不必填写“计量标准考核证书号”。计量标准名 称×××检定装置计量标准考核证书号[ 2024 ] 黔 量标 证字第 ×× 号保存地点医卫实验室 206 房间计量标准原值(万元)3计量标准类 别□ 社会公用□ 计量授权□ 部门最高□ 计量授权□ 企事业最高□ 计量授权测量范围(0.0001~19.999)cGy2下载后可...

1、当您付费下载文档后,您只拥有了使用权限,并不意味着购买了版权,文档只能用于自身使用,不得用于其他商业用途(如 [转卖]进行直接盈利或[编辑后售卖]进行间接盈利)。
2、本站所有内容均由合作方或网友上传,本站不对文档的完整性、权威性及其观点立场正确性做任何保证或承诺!文档内容仅供研究参考,付费前请自行鉴别。
3、如文档内容存在违规,或者侵犯商业秘密、侵犯著作权等,请点击“违规举报”。

碎片内容

计量标准考核申请书

您可能关注的文档

确认删除?
VIP
微信客服
  • 扫码咨询
会员Q群
  • 会员专属群点击这里加入QQ群
客服邮箱
回到顶部